【導讀】減少碳排放的迫切需求推動了對電氣技術的投資,特別是數據中心和電動汽車領域。根據彭博社最新的電動汽車展望報告,到 2050 年,幾乎所有道路運輸都將實現電氣化,預計將導致全球電力需求激增 27%。這一趨勢凸顯了電氣解決方案在遏制溫室氣體排放和塑造更具可持續性的未來方面的重要意義。
減少碳排放的迫切需求推動了對電氣技術的投資,特別是數據中心和電動汽車領域。根據彭博社最新的電動汽車展望報告,到 2050 年,幾乎所有道路運輸都將實現電氣化,預計將導致全球電力需求激增 27%。這一趨勢凸顯了電氣解決方案在遏制溫室氣體排放和塑造更具可持續性的未來方面的重要意義。

越來越多的氮化鎵 (GaN) 和碳化硅 (SiC) 等寬帶隙 (WBG) 半導體取代開關模式電源和電機驅動器中的硅基功率 MOSFET 和 IGBT。這種轉變是由 GaN 和 SiC 器件的出色性能帶來的,包括比硅器件更快的開關速度、更高的功率密度、更好的頻率響應、更小的泄漏電流、更低的導通電阻以及更高的工作溫度。結果是提高了運行效率,降低了能耗,有助于遵守法規和認證要求,以及符合當前的 JEDEC JC-70 寬帶隙電力電子轉換半導體標準。為了確保合規性,需要對這些先進的半導體技術進行全面測試,這不僅富有挑戰性,還需要新的測試策略。
泰克在最近的文章“自動執行 WBG 器件的雙脈沖測試”中探討了如何通過對 SiC 和 GaN 功率器件等寬帶隙器件自動執行雙脈沖測試,從而顯著縮短設置和分析時間。
驗證基于 SiC 或 GaN 的 WBG 器件時,工程師必須測試多個參數,包括:
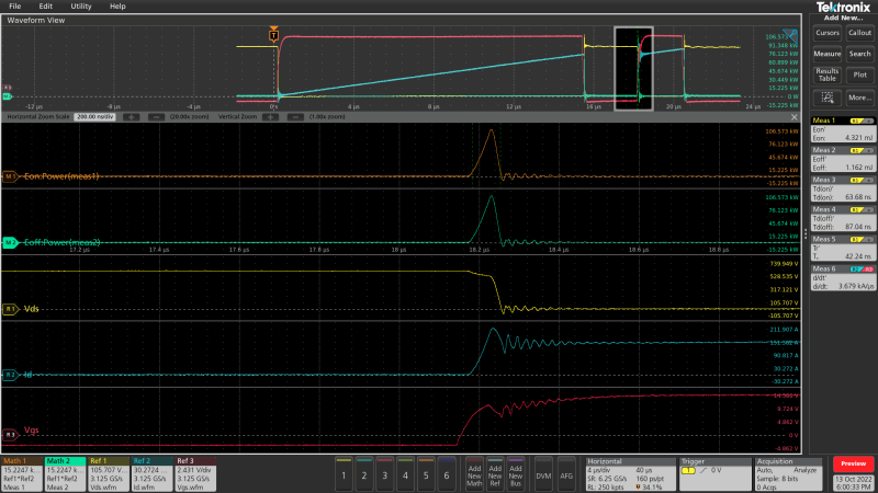
● 開關損耗:精確的時間對齊至關重要。捕獲信號時的納秒誤差可能會導致結果不準確。
● 峰值電壓:在大電流、高速硬開關過程中,常常會出現電壓尖峰。
● 峰值電流:WBG 晶體管的快速開關操作會產生尖峰電流,給器件施加壓力,并可能縮短器件的使用壽命。
● 反向恢復電荷:對反向恢復電荷行為進行量化,以了解其對總損耗的貢獻。

雙脈沖測試 (DPT) 是測量寬帶隙 (WBG) 器件的開關和二極管反向恢復參數的首選方法。這種高效的測試方法可以收集關鍵測量結果,從而高效地驗證和優化電源轉換器的設計。文中詳細闡述了 DPT 信號的定義,分享了帶有測量軟件的示波器如何實現自動測試設置、執行和分析。自動測量軟件通過消除手動步驟來簡化流程,既能節省時間,又能確保結果的一致性和可重復性。
雙脈沖測試 (DPT) 方法是評估功率器件的開關參數和動態行為的首選方法。采用自動 DPT 設置和分析,可以顯著縮短測試時間,加快下一代電源轉換器的上市速度。此外,完全遠程控制運行測試可以提高安全性,避免與高電壓、高電流的被測設備 (DUT) 直接接觸。
臨界值的測量和功能性的確保對于滿足能源需求和推動全球碳減排至關重要。為實現這一目標,必須對新材料進行研究和測試,使我們更接近滿足能源需求和遵守新效率標準的目標。值得注意的是,可通過及時采取行動和推動功率器件技術的進步來緩解彭博社預估的 27% 的增長率。

應用筆記 – 使用示波器和任意函數發生器對功率半導體器件進行雙脈沖測試– 提供有關此主題的更多詳細信息。
免責聲明:本文為轉載文章,轉載此文目的在于傳遞更多信息,版權歸原作者所有。本文所用視頻、圖片、文字如涉及作品版權問題,請聯系小編進行處理。
推薦閱讀:




