【導讀】本文介紹新一代多路復用模數轉換器(ADC)如何提供更多通道、更深入的信號鏈集成、靈活性和魯棒性優勢,以簡化復雜系統設計,從而支持在先進工廠和生產設施中實現自動化和過程控制。
在現代生產設施中,適當的模擬前端(AFE)對于實現穩定可靠、精密準確的模數轉換至關重要。由于不同系統和機器之間存在差異,通常情況下,可以使用可編程邏輯控制器(PLC)來控制許多復雜的參數。為此,將通過模擬輸入模塊來利用不同的傳感器和信號。許多傳感器(例如壓力、流量、溫度和稱重量傳感器)只能夠提供所測參數量的模擬輸出。因此,需要許多精密準確的模擬信號輸入來生成數字輸出。然而,模數轉換只是工作任務的一部分。生產設施中的節點、傳感器、模擬輸入模塊和PLC之間相互連接,生產環境中也充斥著電氣噪聲和其他干擾因素(如EMI)。因此,穩定可靠的ADC對于在如此惡劣的條件下有效運行至關重要。
新型多路復用ADC具有高集成度、高精度,高度靈活且穩定可靠
PLC包含許多模擬電壓輸入,用以監控其系統,因此通道數較多。例如,可以使用具有11個單端輸入或6個帶緩沖器的差分輸入的ADC來實現高通道數。單端或差分輸入特性使其可以與不同傳感器輕松連接。此外,對于使用外部檢測電阻進行電流測量的情況,將其中一些通道分配到較低輸入范圍非常有用。在現代多路復用ADC中,例如AD411x系列中的某些器件,此類檢測電阻已集成到器件中。
AFE還集成了關鍵的無源元件,例如采用ADI公司iPassives?技術的高精度、低漂移、匹配的1 MΩ和10 MΩ分壓器,因此無需昂貴的外部元件。這樣,可以充分縮減解決方案的尺寸、重量和電路板空間,在實現更高密度的同時,空間利用也更加優化。

圖1. 新一代多路復用ADC的內部結構
新型多路復用ADC(例如 AD4116 )是一款低功耗、低噪聲、24位Σ-Δ型ADC,其中集成了極高阻抗AFE。圖1顯示了該器件的內部結構。為實現更高靈活性,輸入可以獨立配置。每種設置都允許用戶使能或禁用緩沖器,校正增益和失調,選擇濾波器類型,選擇輸出數據速率(ODR),以及選擇基準電壓源。
靈活選擇不同的基準電壓源,有助于輕松完成設計任務。這些多路復用ADC具有多種基準電壓源選項,例如:內部低漂移2.5 V電壓源,通過差分Ref+和Ref-引腳提供的外部基準電壓源,或使用模擬電源(AVDD-AVSS)。對于外部基準電壓源,此類ADC的兩個基準輸入端均有真正的軌到軌、集成精密單位增益緩沖器。這些緩沖器具有高輸入阻抗,使外部高阻抗信號源可以直接連接到這些輸入。
同樣,使用該ADC的用戶可以選擇時鐘源,例如內部振蕩器、外部晶振或外部時鐘,這種靈活性可簡化設計過程。
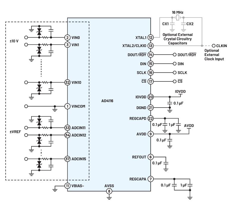
在模擬端,從外設接收外部電壓的輸入端是決定多路復用ADC穩健性的關鍵因素。使用5 V單電源時,AD4116等現代多路復用ADC可以實現高達±20 V的輸入范圍。該ADC甚至可以接受超出這些范圍的輸入電壓而不會損壞器件,因為其絕對最大額定值為±65 V。然而,在該輸入范圍內,精度上可能會有所損失。TVS等外部保護器件(如圖2所示)可以在超出絕對最大額定值時保護ADC。在數字端,CRC校驗增強了接口的穩健性。
ADC輸入端的RC低通濾波器(如圖2所示)有助于抗混疊和噪聲濾波。重要的一點是,濾波電阻與ADC的輸入阻抗串聯放置。此電阻會影響內部分壓比,導致增益誤差。不過,當ADC的輸入阻抗非常高(例如10 MΩ)時,分壓誤差將非常小。例如,如果使用180 Ω,誤差僅為0.0018%左右。此外,該誤差可以通過系統校準或調整增益設置來消除。前者可利用新型多路復用ADC提供的校準模式來完成。這些現代ADC具有四種子校準模式:內部零電平、內部滿量程、系統零電平和系統滿量程。
除校準模式外,對于正常操作,還提供其他選項,包括連續轉換模式、連續讀取模式或單次轉換模式。為了在功耗預算有限的系統中節省功耗,用戶還可以激活待機或關斷模式。
額外的集成功能
新型多路復用ADC的高集成度帶來了更大的靈活性,尤其是在典型的自動化應用中。例如,有四個集成通用輸入輸出(GPIO)引腳,其中兩個可配置為數字輸入或輸出,而另外兩個可以單獨配置為數字輸出(GPO)。這些GPIO或GPO引腳可用于控制額外的外部多路復用器。利用外部多路復用器可以進一步增加通道數。另一個集成特性是可編程延遲模塊,它可以在ADC開始采樣之前使能。此延遲可以使外部多路復用器或放大器穩定下來。默認情況下,新型ADC生成24位轉換結果。但是,轉換結果的寬度可以通過一個控制位減少到16位,以便簡化某些微控制器的數據處理。
集成式溫度傳感器可以幫助監控器件工作的環境溫度。它還可用于診斷目的,或者作為一個指標來判斷應用電路是否必須運行校準例程以補償工作溫度的可能變化。

圖2. 典型連接圖。
結論
新型多路復用ADC精度高且易于集成,可滿足現代生產設施和工業應用對高性能和魯棒性日益增長的需求。與此同時,設計人員獲得了更大的靈活性,可以更快速輕松地滿足系統性能要求。
免責聲明:本文為轉載文章,轉載此文目的在于傳遞更多信息,版權歸原作者所有。本文所用視頻、圖片、文字如涉及作品版權問題,請聯系小編進行處理。
推薦閱讀:






