【導讀】新型 IGBT 已開發出來,具有反向阻斷能力。各種應用都需要此功能,例如電流源逆變器、諧振電路、雙向開關或矩陣轉換器。本文介紹了單片芯片的技術及其運行行為,并通過典型電路中的個樣本進行了測量。
新型 IGBT 已開發出來,具有反向阻斷能力。各種應用都需要此功能,例如電流源逆變器、諧振電路、雙向開關或矩陣轉換器。本文介紹了單片芯片的技術及其運行行為,并通過典型電路中的個樣本進行了測量。
簡介:應用
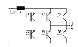
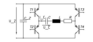
需要具有反向阻斷能力的單向電流可控開關的典型電路可分為:
傳統電流源逆變器如圖1所示
具有電流源的諧振轉換器如圖 2 所示
用于主電流路徑中功率半導體軟開關的輔助諧振電路
雙向開關,如圖 3 所示的矩陣轉換器。

圖 1 反激式
圖2 逆變器
如果IGBT在電壓、電流和頻率方面都適用,那么迄今為止這種開關都是由不具有反向阻斷能力的標準IGBT和串聯二極管組成。相比之下,單片解決方案具有傳導損耗更少、空間要求和成本更低等優勢。
芯片技術

圖4 NPT IGBT(左)和反向阻斷IGBT(右)的芯片結構和符號
圖 4(右)顯示了反向阻斷 IGBT 芯片的橫截面示意圖。繪制的單元結構將繼續向左延伸,而帶有用于結端接的保護環的芯片邊緣顯示在右側。幾何形狀基本上對應于 NPT IGBT,如圖 4(左)所示。如果沒有場闌,NPT IGBT 無法阻止邊緣處的顯著負擊穿。使用隔離擴散技術克服了這一限制,該技術在晶閘管芯片的生產中眾所周知:它允許在芯片邊緣折疊反向阻斷 IGBT 較低的 p+ 層,如圖 4 右側所示。這樣,p+ – n- 結保留在芯片內,終止于隔離頂部氧化層下方。因此,結點(無論如何都是 IGBT 的一部分)被正確端接,并且能夠像 pn 二極管一樣阻止反向電壓。該措施不會改變芯片有效體積內的結構;因此可以預期,除了能夠阻斷反向電壓之外,反向阻斷 IGBT 將表現出與普通 NPT IGBT 類似的操作行為。
免責聲明:本文為轉載文章,轉載此文目的在于傳遞更多信息,版權歸原作者所有。本文所用視頻、圖片、文字如涉及作品版權問題,請聯系小編進行處理。
推薦閱讀:


