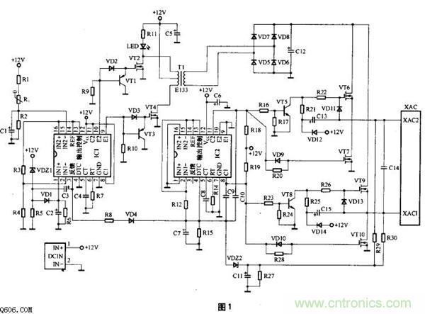
【導讀】福利又來羅,車載逆變器設計電路圖和你同分享。本文將介紹一款常見車載逆變器電路及工作原理。該車載逆變器的輸出功率為70W-150W,逆變器電路中主要采用TL494或KA7500芯片為主的脈寬調制電路。
本文將介紹一款常見車載逆變器電路及工作原理。該車載逆變器的輸出功率為70W-150W,逆變器電路中主要采用TL494或KA7500芯片為主的脈寬調制電路。

車載逆變器指標:
輸入電壓:DC 10V~14.5V;
輸出電壓:AC 200V~220V±10%;
輸出頻率:50Hz±5%;
輸出功率:70W~150W;
轉換效率:大于85%;
逆變工作頻率:30kHz~50kHz。
相關閱讀:
http://www.sz-bosch.com/power-art/80006985
一款低成本、高可靠性的逆變器電源電路設計
http://www.sz-bosch.com/power-art/80021888
http://www.sz-bosch.com/power-art/80021793



