- 車載逆變器的系統基本原理
- 車載逆變器的電路設計
- 車載逆變器的保護措施
- 采用分頻分相電路
- 采用輸入欠壓保護電路
- 采用輸出電流過載保護電路
- 利用外殼(機殼)散熱致冷
隨著經濟水平的提高,汽車正逐漸成為人們的日常交通工具。然而,人們隨身攜帶的電子產品,比如手機,卻不能使用汽車上的電源。因此,開發一款經濟實用的車載逆變器就成為一種需求。我們采用集成脈寬調制芯片SG3525A為主控芯片,以CD4020B計數器及與非門電路構成分頻分相電路并配以保護電路,實現了逆變器的脈寬調制。其在逆變電源工作時的持續輸出功率為100W,并具有輸出過流保護及輸入欠壓保護等功能,可實現電源逆變、電壓穩定、欠壓保護及過流保護等功能。
系統基本原理
本逆變器輸入端為汽車蓄電池(+12V,4.5Ah),輸出端為工頻方波電壓(50Hz,220V)。其系統主電路和控制電路框圖如圖1所示,采用了典型的二級變換,即DC/DC變換和DC/AC逆變。12V直流電壓通過推挽式變換逆變為高頻方波,經高頻升壓變壓器升壓,再整流濾波得到一個穩定的約320V直流電壓;然后再由橋式變換以方波逆變的方式,將穩定的直流電壓逆變成有效值稍大于220V的方波電壓,以驅動負載。為保證系統的可靠運行,分別采集了DC高壓側電壓信號、電流信號及蓄電池電壓信號,送入SG3525A,通過調整驅動脈沖的占空比或關斷脈沖來實現電壓調節、過流保護及欠壓保護等功能。

圖1系統主電路和控制電路框圖
主要技術參數
輸入電壓:DC12V;
輸出電壓:AC220V±5%,50Hz±2%;
額定功率:100W;
保護功能:輸入直流極性接反保護,輸入欠壓保護,輸出過流保護。
電路設計
1主控芯片SG3525A
SG3525A是ST公司生產的脈沖寬度調制器控制集成電路,具有集成基準電壓,振蕩器同步,軟啟動時間控制,輸入欠電壓鎖定等功能。SG3525A的引腳如圖2所示。

圖2SG3525A引腳分布
振蕩頻率的確定:振蕩頻率由三個外部元件RT、CT和RD設置,分別接在6、5、7引腳上。振蕩頻率為fOSC=1/CT(0.7RT+3RD),其中,0.7RTCT為定時電容充電時間,3RDCT為定時電容放電時間。為了使分頻分相電路取得50Hz振蕩頻率,本設計設定振蕩頻率為51.2kHz,取CT=2000pF,RT="10k"Ω,RD=922Ω。
輸出脈寬的調整:PWM脈沖寬度由引腳9和引腳8中電平較低的一端控制。芯片內部的誤差放大器U1將電壓反饋信號與基準電壓信號偏差放大后送入比較器U2的反向輸入端,比較器正向輸入端的輸入則來自電容器CT上的鋸齒波,兩者做比較后輸出方波脈沖來控制SG3525A內部輸出功放管的占空比(見圖3)。本設計中將8引腳經電容接地,9引腳接DC/DC高壓直流電壓的反饋電壓,由此調整輸出直流電壓的穩定。圖3中,U1為SG3525A中的誤差放大器,1、2、9分別為芯片管腳,R1~R7、C1、C2均為外接電阻電容。SG3525A的16引腳輸出5V參考電壓。電阻R3、R4及U1構成反比例運算器,R4/R3為其靜態放大倍數,其值越大控制精度越高。但放大倍數太大將引起振蕩,因此引入C1和R5使誤差放大器成為不完全比例積分控制器,此時靜態誤差放大倍數不變,動態誤差放大倍數減小,既不影響控制精度,又避免過沖引起振蕩。

圖3輸出直流高壓調節原理圖[page]
脈沖的關斷:當10引腳加上高電平時,實現對輸出脈沖的封鎖。本設計使用該項功能實現輸出過流過壓、輸入欠壓的保護。
2分頻分相電路
由14級串行二進制計數/分配器CD4020B構成分頻電路,分頻信號來自SG3525A的振蕩器輸出端引腳4。圖4中的A、B、C分別代表振蕩器脈沖經8、9、10級分頻后的波形,其頻率分別為fA=fOSC/28,fB="fOSC/29",fC="fOSC/210"。分相電路由單片兩輸入端四與非門CD4011BC及外圍器件組成,將信號ABC邏輯組合成逆變橋所需要的驅動脈沖(A+B)C與(A+B)C信號。該驅動信號具有共同死區,信號頻率約為50Hz。

圖4分頻分相波形圖
3保護電路
①輸入欠壓保護
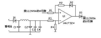
如圖5所示,D1為蓄電池極性反接保護。SG3525A的引腳16輸出參考電壓5V,取R3=R4=10kΩ。在正常情況下,U1的反相輸入端電壓大于正向輸入端電壓,U1輸出低電平,二極管D1、D2截止。當蓄電池電壓低于10V時,比較器U1開始工作,輸出由低電平變為高電平,D2、D3導通,并把同相輸入端電位提升為高電平,使得U1一直穩定輸出高電平,向SG3525A的引腳10輸出關斷信號。

圖5輸入欠壓保護電路
②輸出電流過載保護
如圖6所示,運放U2及外圍電阻構成反比例放大器,運放U3及外圍電路構成比較器。圖1中的R3為取樣電阻,取2.2Ω,2W。當負載電流增大時,該電阻的壓降△U增大。

圖6輸出電流過載保護電路
運放U3正向輸入端輸入電壓為:U+=(1+R2/R1)×(R3/R4)×△U
合理的調整R1、R2、R3、R4的取值,使得當負載電流超過1.5A后,U3的正向輸入端電位高于反向輸入端,輸出高電位,二極管D2、D3導通,并把同相輸入端電位提升為高電平,使得U1一直穩定輸出高電平,向SG3525A的10引腳輸出關斷信號。
散熱設計
為了進一步減小體積,減輕重量,采取了利用外殼(機殼)散熱致冷辦法,既解決了散熱,又使整機體積變小,重量減輕。
逆變器試驗輸出波形
DC/DC變換輸出電壓穩定在320V,逆變橋開關頻率為50Hz,接500Ω電阻負載。實驗的電路波形如圖7所示。

圖7試驗電路輸出波形
本文設計的車載逆變電源電路主要采用集成化芯片,使得電路結構簡單、性能穩定、成本較低。經實際應用證明,該逆變電源工作穩定可靠,能夠持續輸出功率100W。







