【導讀】TLV320 DAC3120是一種低功耗,高集成度,高性能的單聲道DAC,24位單聲道播放,完全可編程miniDSP音頻處理的數字,適用于便攜式音頻設備、電子書、便攜式導航設備。
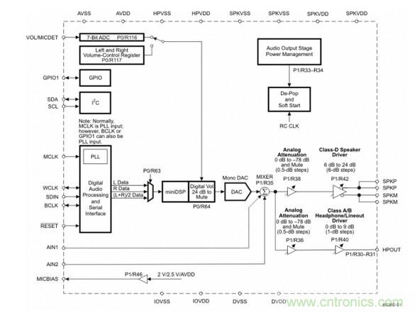
該器件集成了模擬功能,如麥克風偏置,耳機驅動器,以及一個單聲道揚聲器驅動器能夠驅動4Ω負載。在該TLV320DAC3120完全可編程miniDSP音頻處理的數字。數字音頻數據格式是可編程的,與流行的音頻標準協議(I2S,左/右對齊),在主,從DSP和TDM模式。重低音,高音,或EQ可以支持可編程的數字信號處理塊。一個片上的PLL提供了所需要的數字信號處理塊的高速時鐘。音量電平,可以控制由一個引腳控制或由寄存器控制。使用I2C串行總線控制的音頻功能。

圖題:TLV320DAC3120是可在一個32引腳QFN封裝
特點
單聲道音頻DAC具有95 dB的SNR
指令的可編程嵌入式miniDSP
支持8 kHz到192 kHz的采樣率
單聲道D類BTL揚聲器驅動器(1.6 W 2.5 W)
單聲道耳機/線路輸出驅動器
兩個單端輸入,輸出混音和電平控制
麥克風偏置
內置數字音頻處理模塊,具有用戶可編程的雙二階FIR過濾器,剛果(金)
數字正弦波發生器發出蜂鳴聲和點擊次數(PRB _P25)
可編程低音的升壓/高音/ EQ高達六二階濾波器用于播放數字音頻處理器
引腳控制寄存器控制數字播放音量控制設置
集成PLL用于可編程數字音頻處理器
I2S,左對齊,右對齊,DSP,和TDM音頻接口的
I2C控制寄存器自動遞增
完全關斷控制
電源:
模擬:2.7 V?3.6 V
數字內核:1.65 V,1.95 V
數字I / O:1.1 V - 3.6 V
D類:2.7 V - 5.5 V(SPKVDD ≥ AVDD)
5毫米×5毫米32 - QFN封裝
應用
便攜式音頻設備
電子書
便攜式導航設備





