- 如何設計一個高可靠性的馬達系統
- 討論小家電中中馬達堵轉的保護問題
- 以多功能豆漿機馬達堵轉保護實例來解決問題
- LVR PPTC和功率電阻集成可以滿足馬達的保護
目前小家電已經進入了中國的千家萬戶,但是由于小家電型號和品牌眾多,產品質量參差不齊,同時在很長一段時間以來,很多小家電也正是處于沒有專門的國家標準可以遵循的狀態。幸好國家已經意識到了這個問題,很多小家電行業已經在起草國家標準,這樣就會統一各個廠家自定的企業標準,有利于小家電行業的健康發展,小家電的質量問題也就被提上了議事日程,生產高可靠性的小家電也成為各個廠家的目標。小家電中會使用到馬達的有豆漿機、食物料理機、榨汁機、攪拌機、絞肉機,打漿機,咖啡機等,馬達在這些小家電中是非常關鍵的設備,如何設計一個高可靠性的馬達系統是判斷這些小家電質量的一個很重要的指標,本文正是討論小家電中會經常碰到的馬達堵轉的保護問題。
TE LVR系列PPTC產品介紹
TE connectivity是全球最大的無源器件專業提供商,同時也是全球最大的電路保護器件專業供應商,它是PPTC高分子材料正溫度系數電阻的發明者,其過流過壓保護器件廣泛應用于消費電子、IT、通信、工業、汽車等多個領域。在過流保護方面,泰科電子提供PolySwith自復式元件,在過壓保護方面,泰科電子提供GDT氣體放電管和PESD/SESD靜電保護元件,此外,泰科電子還提供綜合保護元件2Pro和Polyzen,MHP,RTP等眾多產品。
TE connectivity有眾多的PPTC型號可供用戶選擇,LVR系列可復位電路保護器件,是專門用于防止商用和家用電器中使用的馬達和變壓器因過載、過熱、堵轉、零線故障和其它潛在因素導致的損壞的器件,PPTC的初始小電阻值在馬達正常工作時不影響馬達的工作,當PPTC在馬達過載或者堵轉的時候電阻迅速增加,以降低過載電流保護馬達,當故障消除以后PPTC又可以恢復正常電阻讓馬達正常工作。TE connectivity LVR系列產品包括了多種額定值為120 VAC和240 VAC線電壓等級產品,這些產品阻抗低、動作時間快、體積小并具備可復位功能,有助于電路設計者推出安全和可靠性良好的產品,并且減少了保修期內的修理費用。
與一次性使用的保險絲不同,PPTC器件無需在發生故障后進行更換。在過電流狀況排除以及供電斷開后,電路將恢復至正常的運行條件。與雙金屬型斷路器產品相比,這種產品具有更高的靈活性、更長的使用期限以及更低的電磁干擾(EMI)。
小家電馬達堵轉保護的一般設計流程
下面先介紹一下在小家電馬達堵轉保護設計中PPTC選型的一般程序。
首先要確認PPTC的阻值上限R1max。下圖1為PPTC阻值上限R1max的設計流程。

圖1:PPTC阻值上限R1max的計算流程
總之選擇PPTC 的R1max就是要保證PPTC在馬達工作在最高溫度以及最大運行電流等最惡劣情況下不會誤動作,那么在其他工作情況下PPTC肯定也不會誤動作。
[page]
其次確認PPTC的阻值下限Rmin。下圖2為PPTC阻值下限Rmin的設計流程。

圖2:PPTC阻值下限Rmin的計算流程
總之選擇PPTC 的Rmin就是要保證PPTC在馬達工作在最低溫度以及最小故障電流等最惡劣情況下的保護時間能滿足要求,那么在其他故障情況下PPTC肯定也會及時的保護。
最后確認PPTC的物理參數,比如PPTC的封裝尺寸,PPTC是安裝在控制板上還是安裝在馬達內等。
一般在小家電馬達保護中使用以上的設計流程就可以設計出PPTC的型號,當然也有例外,多功能豆漿機的馬達保護既有一般小家電馬達堵轉保護的共性問題,也有它的特性,下面就用多功能豆漿機的馬達保護來闡述一下它的特殊解決方案。
多功能豆漿機馬達堵轉保護實例介紹
多功能豆漿機功能強大,不但可以磨制豆漿,還可以制作果汁、果蔬濃湯、營養米糊、五谷雜糧、玉米汁、綠豆汁等幾十個品種,既可制作熱飲同時又可制作冷飲。
一般多功能豆漿機是由電動和電熱系統集成在一起的產品,整機程序由微電腦系統自動控制,形成一個相對復雜的系統。多功能豆漿機從結構上分析,主要有機頭,機身,馬達,聯軸器,杯蓋,杯體,刀軸,控制電路板,液晶顯示屏等組成。豆漿機里有溫度傳感器,用于檢測加熱器加熱時杯體內的水溫,當水溫達到MCU設定溫度(假設80 ℃左右)時,MCU啟動馬達開始磨制豆漿。一般多功能豆漿機的預熱、打漿、榨果汁等全自動化過程,都是通過MCU控制,相應的驅動三極管,再由多個繼電器組成的繼電器組電路轉換來完成。其中馬達在多功能豆漿機中是一個非常重要的部件,它的使用安全問題直接影響到豆漿機的可靠性。
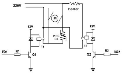
下圖3為多功能豆漿機馬達和加熱器的簡單電路示意圖。豆漿機所用馬達為220V直流馬達,繼電器的工作電壓為12V,豆漿機利用繼電器把MCU發出的低壓控制信號I/O來控制交流高壓信號的通斷,R3為PPTC可恢復電阻,T1和T2為繼電器。

圖3:豆漿機馬達和加熱器的電路示意圖
[page]由于在使用多功能豆漿機時,豆漿機往往在制作果汁的時候會發生堵轉,馬達的堵轉指的是杯體中的物品將馬達軸承固定不使其轉動,這時電壓還加在馬達的兩端,這時候的電流就是堵轉電流,一般的馬達都是不允許發生堵轉的,因為馬達發生堵轉之后馬達線圈的溫度會急劇上升,溫度超過線圈的最高溫度之后,時間稍長就會燒壞馬達,這即增加了消費者的不便,也增加了生產者的維修成本。所以在豆漿機中增加馬達保護裝置是必不可少的,而且是在堵轉消除后能自動恢復的保護,因此選擇TE connectivity公司的可恢復PPTC是一個不錯的解決方案。
用上文所述的PPTC設計流程可以用在多功能豆漿機馬達防堵保護設計中,但這是往往會碰到選擇PPTC型號困難的問題,也就是說多功能豆漿機的馬達保護設計會較普通的小家電馬達保護復雜的多,圖4為磨制豆漿時PCB板周圍環境溫度和馬達外殼溫度的實測圖,可見控制電路PCB板PPTC周圍的環境溫度最高可以到達85C。由于豆漿機的PPTC最高環境溫度85度會比普通的小家電最高環境溫度要求高,這樣既要在85度的最大工作電流下能正常工作,還要保證在最低溫度0度的堵轉電流情況下能及時的保護,相應的就增大了設計難度。下面就具體的闡述此類多功能豆漿機馬達堵轉的保護設計方案。

圖4:磨制豆漿時PCB板子和馬達外殼的溫度
以磨制豆漿時的電流確定最大工作電流,根據該最大工作電流和最大環境溫度初步確定TE connectivity LVR系列PPTC的相關型號。圖5為多功能豆漿機磨制豆漿時的工作電流,測得多功能豆漿機的直流馬達的最大電流為800mA,由于磨制豆漿時馬達是間隔一定時間工作的,并不是一直連續工作的,間隔時間由豆漿機MCU計時電路控制,所以計算PPTC要能維持的最大工作電流指的是馬達工作整個周期的平均電流,圖中所示的800mA的最大電流換算成在一個完整工作周期內為450mA。查閱LVR100在85度下的hold電流大約是550mA,所以首先選取LVR100。
圖5:多功能豆漿機磨制豆漿時的工作電流
圖6為多功能豆漿機的堵轉電流。在榨水果的堵轉情況下,實測馬達的堵轉最大電流為2A,由于榨果汁時馬達也不是一直連續工作的,也是間隔一定時間工作,間隔時間是馬達工作6S,停3S,這樣換算成在一個榨水果完整工作周期內平均電流是1.6~1.7A。在1.6~1.7A堵轉電流下,馬達堵轉需要保護的時間要求在150S內。

圖6:多功能豆漿機的堵轉電流
[page]從上述數據看到豆漿機的堵轉電流僅僅只是正常工作時電流的3倍,還要考慮85度的最高溫度和0度的最低溫度的情況,磨制豆漿的時間較長,要在比如半小時之內能維持馬達的正常工作,這樣造成馬達保護的設計很復雜,因為很難滿足PPTC動作時間快的要求,因為當堵轉電流和正常工作時電流的比值越大, PPTC保護的時間越快,PPTC的選型也越容易。現在在0C溫度下1.6~1.7A的堵轉電流下,LVR100的保護時間會非常長,遠遠不能滿足在0C溫度下150S保護時間的要求。
那如何實現上述多功能豆漿機馬達保護的問題呢?TE connectivity公司研發出一種用LVR PPTC和功率電阻利用熱耦合的方式連接在一起的組件來實現多功能豆漿機馬達的快速堵轉保護。本實例中采用LVR100和1ohm/3W的功率電阻熱耦合的組件,讓功率電阻和LVR100能很好的熱接觸,目的就是為了使功率電阻能在堵轉的時候加熱LVR100使其更快的保護,選取1ohm的功率電阻是為了減小對直流馬達的影響。
首先選取LVR100的Rmin電阻和1ohm/3W的功率電阻熱耦合的組件來進行0C溫度下榨水果馬達堵轉保護時間。
選取兩片Rmin電阻0.22ohm 的LVR100和功率電阻集成的組件,下面表1為馬達的保護時間。

表1:Rmin電阻的LVR100和功率電阻集成的組件在0C下馬達保護時間
由上表可見保護時間都在150S之內,滿足要求。
其次選取典型值電阻的LVR100和功率電阻集成的組件,來進行0C/25C溫度下榨水果馬達堵轉保護時間,下表2為馬達的保護時間。
表2:典型值電阻的LVR100和功率電阻集成的組件在0C/25C下馬達保護時間
可見LVR100的典型值組件在0C/25C溫度下馬達保護時間還會更快,完全滿足小于150S的馬達保護要求。圖7為在25度下馬達堵轉保護的實測波形。

圖7:PPTC組件在多功能豆漿機馬達堵轉保護波形
然后選取R1max電阻0.58ohm 的LVR100和功率電阻集成的組件來進行磨制豆漿的hold試驗,實驗結果證明組件能在一次完整的磨制豆漿過程中不誤動作。
由以上的試驗證明,TE connectivity公司研發出的LVR PPTC和功率電阻集成在一起的組件既可以滿足馬達的保護時間的要求,又可以在一次完整的磨制豆漿的周期內不誤動作,達到了設計和保護要求。
結論
PPTC可以用在小家電的馬達堵轉保護中,對于多功能豆漿機等較為復雜的馬達堵轉保護,TE connectivity也針對此類問題,研發出LVR PPTC和功率電阻利用熱耦合集成在一起的組件,解決了原來PPTC在豆漿機等家用電器中直流馬達堵轉保護時間慢的問題,為客戶解決此類問題提供了一種全新的方案。




