【導讀】利用虛擬儀器構建監控系統,有效地提高了開關磁阻電機控制系統的實用性和可靠性,能夠快速實現監測和調整電機運行時的參數。下面是電路設計詳解。
該方案以裝有數據采集卡的 PC機和 DSP作為硬件基礎,利用 LabVIEW軟件將各類傳感器傳送的信號進行實時處 理,同時記錄和顯示各項數據,然后再利用相應的算法完成對數據的分析。數據是采用PCI-6143數據采集卡,并以LabVIEW8.6為開發環境編寫程序而獲取的??紤]到該系統可能在比較惡劣的工作環境下使用,為了更安全有效地實現實時控制,同時利用DSP 作為PC 機的備用處理器。實驗用樣機是一臺8/6極,功率為150 W 的SRM。
位置信號檢測

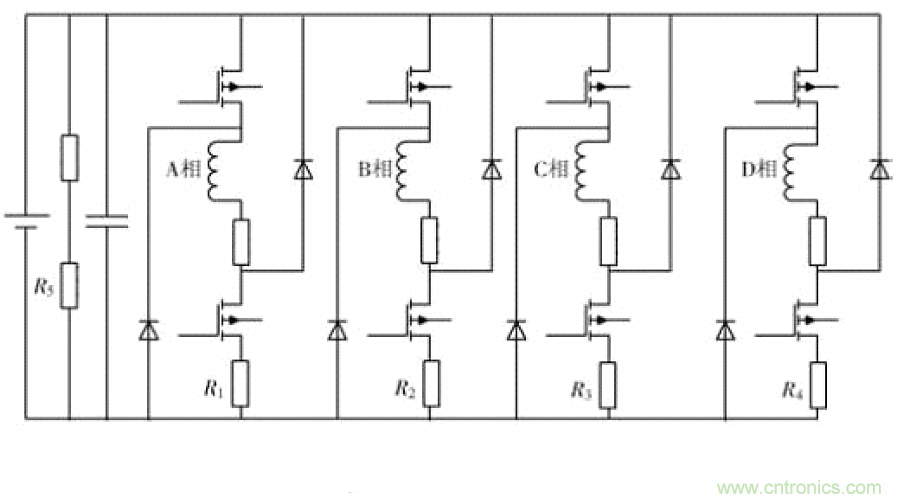
當然,在穩態運行時,絕對位置編碼器也完全可以取代光電位置傳感器以提供更為準確的轉速信息。只是相對于光電位置傳感器來說,絕對位置編碼器價格昂貴,且較易損壞,并不適合于振動較劇烈的場合。實驗電機的電路結構如圖2所示。其中,R1~R4分別為與電機四相串聯的小電阻,R5則為用于測量繞組電壓的分壓電阻。
相關閱讀:
案例解析:直流電機調速與測速電路模塊的設計
名廠專家:新型傳感器如何提升電機性能降低功耗
惡補電機知識:世上最全單相電機電容接線圖



