中心議題:
- 不接地設備的試驗方法
- 對試品的直接放電
- 對水平耦合板的放電
解決方案:
- 使用類似于水平耦合板和垂直耦合板上釋放電荷的方法
- 使用增長連續放電間隔時間、采用碳纖維刷子等替代方法
- 試品的直接放電通常要考慮六種情況
- 對水平耦合板的放電,要在水平方向來對水平耦合板的邊進行
相關閱讀:
跟名家學電磁兼容——標準、設計、故障分析
http://www.sz-bosch.com/art/artinfo/id/80014786
射頻輻射電磁場抗擾度試驗
http://www.sz-bosch.com/art/artinfo/id/80014753
脈沖群抗擾度試驗
http://www.sz-bosch.com/art/artinfo/id/80014771
浪涌抗擾度試驗
http://www.sz-bosch.com/art/artinfo/id/80014774
電壓暫降、短時中斷和電壓變化抗擾度試驗:
http://www.sz-bosch.com/art/artinfo/id/80014776
1 靜電放電抗擾度試驗
1.1不接地設備的試驗方法


[page]

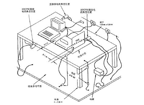
關于不接地設備的試驗配置,新版標準與舊版標準的配置是相同的。關鍵是在單次放電時(無論是空氣的,還是接觸的),試品上的電荷應當在每次施加靜電放電脈沖之前先行釋放(釋放掉在需要施加靜電放電的金屬點或金屬部位上的電荷)。
可以采用的方法之一是,使用類似于水平耦合板和垂直耦合板上釋放電荷的方法,即通過帶有470K瀉放電阻的電纜進行放電的方法。若功能允許,在靜電放電試驗時可以保留帶瀉放電阻的電纜安裝。在放電電纜中,一個電阻要盡可能地靠近EUT上的試驗點,最好小于20mm;另一個電阻接在電纜線的末端附近,與水平耦合板(對臺式設備)或參考接地板(對地面設備)相連。詳見以下兩圖。


對于因為帶瀉放電阻的電纜的存在,有可能會影響某些設備試驗結果的話,則在試驗期間可先卸掉電纜,再做試驗。試驗結束后,把電纜再裝上去,以便在兩次連續放電之間,讓電荷有足夠衰減。
作為替代,可采用下述方案:
[page]
對試品的直接放電

通常要考慮六種情況(根據連接器的外殼材料是金屬的,還是非金屬的,外殼表面有沒有涂層,來決定采用空氣放電還是接觸放電,以及放電部位):

對于那些對靜電放電敏感的連接器的觸點或其他可觸及部分,例如測量、接收或其他通信功能的射頻出入端,由于功能的原因,應采用靜電放電的警告標識。

對水平耦合板的放電
對水平耦合板的放電,要在水平方向來對水平耦合板的邊進行。
在朝對EUT每一個單元(若適用)的中心點,且與EUT前端相距0,1m處的水平耦合板前緣處,以最敏感的極性,至少做10次單次放電。放電時,放電電極的長軸要處在水平耦合板的平面里,且垂直于它的前緣,放電電極要與水平耦合板的邊緣相接觸。詳見下圖所示:

另外,要考慮對EUT所有暴露面做這個試驗。




