【導讀】功耗密集型應用的設計人員需要更小、更輕、更節能的電源轉換器,能夠在更高電壓和溫度下工作。在電動汽車 (EV) 等應用中尤其如此,若能實現這些改進,可加快充電速度、延長續航里程。為了實現這些改進,設計人員目前使用基于寬帶隙 (WBG) 技術的電源轉換器,例如碳化硅 (SiC) 電源轉換器。
功耗密集型應用的設計人員需要更小、更輕、更節能的電源轉換器,能夠在更高電壓和溫度下工作。在電動汽車 (EV) 等應用中尤其如此,若能實現這些改進,可加快充電速度、延長續航里程。為了實現這些改進,設計人員目前使用基于寬帶隙 (WBG) 技術的電源轉換器,例如碳化硅 (SiC) 電源轉換器。
與硅 (Si) 轉換器相比,這類器件的工作電壓更高、重量更輕,但功率處理能力相似。它們還能在更高的溫度下工作,從而減少對冷卻系統的需求。SiC 器件可以在更高的開關頻率下工作,因而允許使用更小的無源元器件,減小了轉換器的尺寸和重量。并且,SiC 仍在不斷發展,最新的研究成果是“導通”電阻降低,進一步減小了功率損耗。
本文以電動汽車為背景,簡要討論了 SiC 相對于 Si 的優勢。隨后討論了 SiC 的發展,然后介紹了 ROHM Semiconductor 的第四代 SiC MOSFET,并說明它們如何幫助設計人員降低功耗和成本以及減小基底面
為何使用 SiC?
電動汽車需要擴充電池容量才能增加續航里程。在這種趨勢下,為了縮短充電時間,電池電壓被提高到 800 V。因此,電動汽車設計人員需要能夠耐受更高電壓,同時又能減少電力損耗和重量的器件。ROHM Semiconductor 的第四代 SiC MOSFET 具有更高的電壓耐受水平、更低的傳導和開關損耗以及更小的尺寸,可降低損耗。
SiC 是一種 WBG 半導體,與 Si MOSFET 技術相比,在高壓功率開關應用中的能效異常突出。通過對 SiC 和 Si 的物理特性進行比較,可以看出這種改進主要基于 5 個物理特性:擊穿電場、帶隙、導熱率和熔點(圖 1)。
圖 1:從 5 個物理特性看 SiC 相對于 Si MOSFET 的優勢。(圖片來源:ROHM Semiconductors)
SiC 的擊穿電場強度是 Si 的 10 倍,因而可以設計具有更高擊穿電壓的器件,同時減小器件厚度。SiC 的帶隙更寬,允許器件在更高的溫度下工作。熱導率更高,減少了冷卻設備所需的工作量,而較高的熔點則增加了工作溫度范圍。最后,SiC 的飽和電子漂移速度更高,可實現更高的開關頻率和更低的開關損耗。開關頻率更高,則需要的濾波器和其他無源元器件更小,從而進一步減小尺寸和重量。
MOSFET 的發展
最初的 SiC MOSFET 采用平面結構,器件柵極和溝道位于半導體表面。由于為提高器件產量而可減小的設計尺寸受限,因此平面器件的元器件密度有限。使用單溝槽和雙溝槽型 MOSFET 能夠實現更高的器件密度(圖 2)。
圖 2:溝槽型 MOSFET 通過豎向排布器件元件實現了更高的器件密度。(圖片來源:ROHM Semiconductor)
與其他 MOSFET 類似,溝槽型 MOSFET 單元包含漏極、柵極和源極,但豎向排列。借助場效應,形成豎向溝道,與柵極溝槽平行。電流的流向是從源極豎向流到漏極。與橫向排布并占用大量表面積的平面器件相比,這種結構非常緊湊。
單溝槽結構使用單柵極溝槽。雙溝槽器件既有柵極溝槽,也有源極溝槽。ROHM Semiconductor 在其第三代 SiC MOSFET 中采用了雙溝槽結構。第四代設計改進了雙溝槽設計,減小了單元尺寸,進一步降低了導通電阻和寄生電容,從而大幅降低了功率損耗,并提供使用更小 SiC 器件的選擇,以支持更具成本效益的系統設計。
降低 MOSFET 的導通電阻可能會影響其處理短路的能力。但是,第四代 SiC MOSFET 在不犧牲短路耐受時間的前提下實現了更低的導通電阻,從而使這些器件在實現高能效和強大的短路穩健性方面具有顯著優勢。
了解損耗
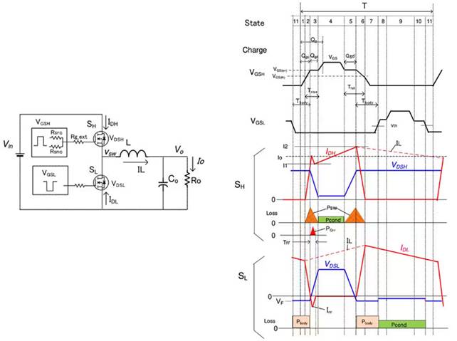
開關模式轉換器的損耗來自多個方面;與有源器件相關的損耗包括傳導損耗、開關損耗和體二極管損耗(圖 3)。
圖 3:降壓式 DC/DC 轉換器的示意圖,標出了開關波形和相關損耗波形。(圖片來源:ROHM Semiconductor)
降壓轉換器采用圖騰柱設計,帶有一個高壓側 (SH) 和一個低壓側 (SL) MOSFET 開關。這些開關為異相驅動,因此每次只有一個開關導通。柵極驅動波形(VGSH 和 VGSL)顯示了因器件寄生電容的相關充電間隔而產生的振幅階躍。圖中顯示了兩種器件的漏極至源極電壓(VDSH、VDSL)和漏極電流(IDH、IDL)波形。器件導通時,VDS 為低電平。器件關斷時,VDS 為高電平。在 SH 導通期間,漏極電流線性增加,同時對電感器的磁場充電。在此期間,通過溝道電阻的電流會在溝道上產生電壓,從而導致傳導損耗 (PCOND),該損耗與電流的平方和溝道導通電阻成正比。在器件改變狀態的時間間隔內,電壓和電流都不為零,器件的耗散功率與電壓、電流、開關轉換時間和開關頻率成正比。這就是開關損耗。
SL 導通時也會出現類似情況。在這種情況下,當電感器中儲存的能量為下部器件提供漏極電流時,電流呈線性下降。同樣,溝道電阻作為傳導損耗耗散功率。請注意,在電流變為非零之前,下部器件中的 VDSL 接近零,因此周期的這一部分不存在開關損耗。
恢復損耗 (PQrr) 是由器件體二極管的恢復導致;為簡單起見,僅顯示高壓側的恢復損耗。
Pbody 是器件的體二極管傳導損耗。此損耗是由通過低壓側器件的體二極管傳導的電流產生。
總功率損耗是兩個晶體管所有這些分量的總和。
第四代 SiC MOSFET 的性能提高
我們使用一款 5 kW 全橋逆變器對 Si IGBT 以及第三代和第四代 SiC MOSFET 的性能進行了比較(圖 4)。在這種全橋電路中,開關器件并聯在一起,以獲得更大的電流能力。全橋共使用 8 個器件。左圖中的 8 個器件安裝在散熱片上。我們用原始 IGBT 以及第三代和第四代 MOSFET 對電路的能效進行了評估。該逆變器的 SiC MOSFET 開關頻率為 40 kHz,IGBT 開關頻率為 20 kHz。
圖 4:5 kW 無風扇逆變器及其原理圖。該電路最初設計使用硅 IGBT,運行頻率為 20 kHz,后來使用第三代和第四代 SiC MOSFET,運行頻率為 40 kHz。對所有三種半導體類型的性能進行了比較。(圖片來源:ROHM Semiconductor)
第三代器件是 ROHM Semiconductor SCT3030AL 器件,額定電壓為 650 V,溝道電阻 (RDS(ON)) 為 30 mΩ。第四代 MOSFET 是 ROHM Semiconductor SCT4026DEC11。第四代器件的額定電壓提升至 750 V。其 RDS(ON) 為 26 mΩ,降低了 13%,從而略微減少了傳導損耗。
比較這兩種 SiC MOSFET 的損耗與原始 IGBT 的損耗,可以看出能效有所提高(圖 5)。
圖 5:與原始 Si IGBT 和第三代器件相比,第四代 SiC MOSFET 大幅降低了損耗。(圖片來源:ROHM Semiconductor)
與第三代器件相比,第四代器件的傳導損耗(藍色)從 10.7 W 降至 9.82 W。開關損耗(橙色)降幅更為明顯,從 16.6 W 降至 8.22 W。
第四代器件的其他改進還包括柵極驅動能力的提高。第四代 SiC MOSFET 支持 15 V 驅動;第三代器件需要 18 V。這意味著設計使用硅器件的電路可以使用第四代 MOSFET 作為直接替代品。此外,對于第四代 SiC MOSFET,關斷期間的推薦驅動電壓為 0 V。在第四代產品之前,柵極至源極電壓在關斷期間需要一個負偏置,以防止自導通。不過,在第四代器件中,閾值電壓 (Vth) 設計較高,以抑制自導通,從而無需施加負偏置。
第四代解決方案
ROHM Semiconductor 的第四代 SiC MOSFET 解決方案根據器件封裝分為兩組。本文討論的 SCT4026DEC11 是一款 750 V、56 A (+25°C)/29 A (+100°C)、26 mΩ SiC MOSFET,采用三引線 TO-247N 封裝。替代四引線封裝方案的一個示例是 SCT4013DRC15,該器件是一款 750 V、105 A (+25°C)/74 A (+100°C) 的 13 mΩ 器件,采用四引線 TO-247-4L 封裝。
四引線封裝增加了一條引線,從而提高了 MOSFET 的開關速度。傳統的 TO-247N 三引線封裝無法將柵極驅動與高漏極電流導致的寄生源極引線電感隔離開。柵極電壓施加在柵極和源極引腳之間。由于源極寄生電感 (VL) 上的壓降,芯片上的有效柵極電壓降低,導致開關速度降低(圖 6)。
圖 6:TO-247-4L 上的第四個引腳利用開爾文連接中的額外連接引腳將柵極驅動與電源引腳隔離。(圖片來源:ROHM Semiconductor)
四引腳 TO-247-4L 封裝將柵極驅動和電源引腳分開,在內部將柵極驅動直接連接到源極。這樣可以最大限度地減少源極引腳寄生電感的影響。與傳統的三引腳 TO-247N 封裝相比,柵極驅動直接接入內部源極連接可最大限度地提高 SiC MOSFET 的開關速度,將總開關損耗(導通和關斷)降低達 35%。
第四代 SiC MOSFET 的第二個差異化規格是額定電壓。器件的額定電壓為 750 V 或 1200 V。前面討論的兩個器件的額定電壓為 750 V。對于更高的電壓應用,SCT4062KEC11 是一款 1200 V、62 mΩ、26 A (+25°C)/18 A (+100°C) SiC N 溝道 MOSFET,采用三引線 TO-247N 封裝;而 SCT4036KRC15 是一款 1200 V、36 mΩ、43 A (+25°C)/30 A (+100°C) N 溝道 MOSFET,采用四引線 TO-247-4L 封裝。目前共有 10 款第四代 SiC MOSFET,在 +25°C 時的額定電流為 26 A 至 105 A。這些器件的 RDS(ON) 值從 13 到 62 mΩ 不等。
EV 應用
第四代 SiC MOSFET 的規格非常適合電動汽車應用。例如電壓為 400 V 或 800 V 的電池電動車 (BEV)(圖 7)。
圖 7:第四代 SiC MOSFET 在 BEV 和相關外部配件中的典型應用。(圖片來源:ROHM Semiconductor)
圖 7 所示為電池電壓為 400 V 或 800 V、支持雙向快充的 BEV 方框圖。車載充電器 (OBC) 包括圖騰柱功率因數校正電路 (PFC) 和雙向全橋 CLLC(電容器、電感器、電感器、電容器)諧振轉換器。外部“Quiq”直流充電器可直接為電池充電。電池驅動牽引逆變器,逆變器將直流電轉換為三相交流電,從而驅動電機。所有這些電路均在各種電路配置中采用了 MOSFET 來處理所需的功率水平。第四代 SiC MOSFET 的重要性在于,它們能減小電路物理尺寸,提高額定電壓,同時降低損耗和成本。
總結
對于電動汽車、數據中心和基站等高電壓、大功率應用的設計人員來說,第四 SiC MOSFET 是關鍵性功率開關器件。如上所述,它們采用獨特的結構,能夠減少損耗從而大幅提高功率轉換效率,同時還可減少基底面并降低成本。
免責聲明:本文為轉載文章,轉載此文目的在于傳遞更多信息,版權歸原作者所有。本文所用視頻、圖片、文字如涉及作品版權問題,請聯系小編進行處理。
推薦閱讀:





