【導讀】模擬和數字麥克風輸出信號在設計中顯然有不同的考慮因素。本文要討論將模擬和數字MEMS麥克風集成進系統設計時的差別和需要考慮的因素。
模擬和數字麥克風輸出信號在設計中顯然有不同的考慮因素。本文要討論將模擬和數字MEMS麥克風集成進系統設計時的差別和需要考慮的因素。
MEMS麥克風內部細節
MEMS麥克風輸出并不是直接來自MEMS換能單元。換能器實質上是一個可變電容,并且具有特別高的兆歐級輸出阻抗。
在麥克風封裝中,換能器信號先被送往前置放大器,而這個放大器的首要功能是阻抗變換,當麥克風接進音頻信號鏈時將輸出阻抗降低到更合適的值。麥克風的輸出電路也是在這個前置放大電路中實現的。
對于模擬MEMS麥克風來說,圖1所示的這種電路基本上是一個具有特殊輸出阻抗的放大器。在數字MEMS麥克風中,這個放大器與模數轉換器(ADC)集成在一起,以脈沖密度調制(PDM)或I2S格式提供數字輸出。
詳解模擬和數字MEMS麥克風設計區別

圖1:典型的模擬MEMS麥克風框圖。
圖2是PDM輸出MEMS麥克風的功能框圖,圖3是典型的I2S輸出數字麥克風。I2S麥克風包含PDM麥克風中的所有,還包含抽取濾波器和串口。

圖2:典型的PDMMEMS麥克風框圖

圖3:典型的I2SMEMS麥克風框圖
MEMS麥克風封裝在半導體器件中比較獨特,因為在封裝中有一個洞,用于聲學能量抵達換能單元。在這個封裝內部,MEMS麥克風換能器和模擬或數字ASIC綁定在一起,并安裝在一個公共的疊層上。然后在疊層上方又綁定一個蓋子,用于封住換能器和ASIC。這種疊層通常是一小塊PCB,用于將IC出來的信號連接到麥克風封裝外部的引腳上。
圖4和圖5分別顯示了模擬和數字MEMS麥克風的內部細節。在這些圖片中,你可以看到左邊的換能器和右邊的ASIC(在環氧樹脂底下),兩者都安裝在疊層上。數字麥克風有額外的綁定線將來自ASIC的電氣信號連接到疊層。

圖4:模擬MEMS麥克風中的換能器和ASIC

圖5:數字MEMS麥克風中的換能器和ASIC
模擬麥克風
模擬MEMS麥克風的輸出阻抗典型值為幾百歐姆。這個阻抗要高于運放通常具有的低輸出阻抗,因此你需要了解緊隨麥克風之后的信號鏈阻抗。
麥克風后面的低阻抗電路會衰減信號電平。例如,一些編解碼器在ADC之前有一個可編程的增益放大器(PGA)。在高增益設置時,PGA的輸入阻抗可能只有幾千歐姆。輸出阻抗為200Ω的MEMS麥克風后面跟一個輸入阻抗為2kΩ的PGA將使信號電平衰減近10%。
模擬MEMS麥克風的輸出通常被偏置為地和電源電壓之間的某個直流電壓值。這個偏置電壓的選擇原則是幅度的輸出信號峰值不會被電源電壓或地電位限值所鉗位。這個直流偏置電壓的存在也意味著麥克風通常是通過交流耦合連接后面的放大器或轉換器芯片。串聯電容的選擇原則是,與編解碼器或放大器輸入阻抗一起形成的高通濾波器電路不會使信號的低頻部分滾降位于麥克風自然低頻滾降之上。
對于具有100Hz低頻-3dB點的麥克風和具有10kΩ輸入阻抗的編解碼器或放大器來說(兩個都是普通值),即使相對小的1.0F電容也會將高通濾波器的角頻率置為16Hz,這個值遠遠超出了能夠影響麥克風響應的范圍。圖6顯示了這類電路的一個例子,其中的模擬MEMS麥克風連接到了一個同相配置的運放。

圖6:模擬麥克風連接到同相運放電路
數字麥克風
數字麥克風將模數轉換功能從編解碼器轉移進了麥克風,從而實現了從麥克風到處理器的全數字音頻捕獲通道。數字MEMS麥克風經常在模擬音頻信號容易受到干擾的應用中使用。
例如在平板電腦中,麥克風的位置也許不靠近ADC,這兩點之間的信號可能會穿越或接近Wi-Fi、藍牙或蜂窩天線。將這些連接數字化后,它們就不容易受到這些射頻干擾而在音頻信號中產生噪聲或失真。這種拾取有害系統噪聲的改進給設計中的麥克風布局提供了很大的靈活性。
在只需要模擬音頻接口來連接模擬麥克風的系統中數字麥克風也很有用。在只需要音頻捕獲但不需要回放的系統中,像監控攝像機中,使用數字輸出麥克風后就不需要單獨的編解碼器或音頻轉換器了,麥克風可以直接連接數字處理器。
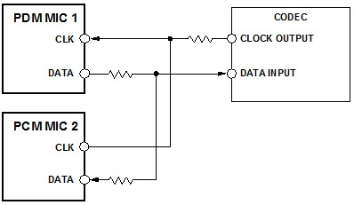
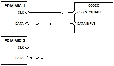
當然,好的數字設計經驗仍必須應用于數字麥克風的時鐘和數字信號。20Ω至100Ω的小值源端接電阻很有用,它能確保至少數英寸長的走線上有良好的數字信號完整性(圖7)。當使用更短的走線長度,或者以較低速率運行數字麥克風時鐘時,麥克風引腳可以直接連接到編解碼器或DSP,不需要任何無源元件。

圖7:PDM麥克風以源端接方式連接到編解碼器
PDM是一種常見的數字麥克風接口。這種接口允許兩個麥克風共享一個公共的時鐘與數據線。每個麥克風被配置為在時鐘信號的不同沿產生各自的輸出。這樣兩個麥克風的輸出就能保持相互同步,設計師就能確保來自每個通道的數據被同時捕獲到。
在壞情況下,從兩個麥克風捕獲到的數據可能在時間上隔半個時鐘信號周期。這種時鐘的頻率典型值約為3MHz,因此通道內時間差僅為0.16us,遠小于聽者可以覺察到的閾值。這種相同的同步機制還可以擴展到具有兩個以上PDM麥克風的系統中,只需確保所有麥克風都連接到相同的時鐘源,并且數據信號都在一起濾波和處理。在使用模擬麥克風的情況下,這種同步實現將上移到ADC。
I2S
多年來I2S一直是音頻轉換器和處理器的一種通用數字接口,只是近才被集成進信號鏈邊緣的設備中,比如麥克風。I2S麥克風擁有與PDM麥克風相同的系統設計優勢,但不再輸出高采樣速率的PDM信號,它輸出的數字數據采用抽取過的基帶音頻采樣率。在PDM麥克風方案中,這種抽取是在編解碼器或DSP中實現的,但在I2S麥克風方案中,這個抽取過程直接在麥克風中完成,因此在某些系統中可以完全取消ADC或編解碼器。
I2S麥克風可以直接連接具有這種標準接口的DSP或(圖8)。與PDM麥克風一樣,兩個I2S麥克風可以連接到一條公共的數據線上,不過與PDM不同的是,I2S格式使用兩個時鐘信號——一個字時鐘和一個位時鐘。

圖8:連接DSP的立體聲I2S麥克風
在尺寸很重要的情況下
一般來說,模擬MEMS麥克風的封裝尺寸要比數字麥克風小。這是因為模擬麥克風封裝需要的引腳較少(一般是3個,而數字麥克風需要5個甚至更多),模擬前置放大器的電路也比數字的少,因此采用相同制作工藝制造的模擬前放要比數字前放小。在大多數空間受約束的設計中,比如許多小型移動設備中,模擬麥克風因為尺寸小而更受歡迎。
模擬麥克風的封裝尺寸可以是2.5×3.35×0.88mm或更小,而PDM麥克風的封裝尺寸通常是3×4×1mm,在封裝體積上增加了62%。
模擬和數字MEMS麥克風在不同的應用中都可以發揮自己的優勢。綜合系統體積和元器件的布局的限制、電氣連接和潛在的噪聲源及干擾等考慮因素,我們就可以作出適合當前設計的麥克風的決策。
(來源:中電網)
免責聲明:本文為轉載文章,轉載此文目的在于傳遞更多信息,版權歸原作者所有。本文所用視頻、圖片、文字如涉及作品版權問題,請聯系小編進行處理。
推薦閱讀:




