【導讀】過去十年中,工業自動化進步的驅動力無疑是通過總線系統對自動化產品的網絡化。隨著機器、設備、傳感器和執行器各設備之間的互聯能力的增強,它們能夠高效地協同工作。在日益數字化的工業時代,網絡功能對于工業設備和裝置來說變得至關重要。鑒于工業以太網的高速性、穩健性和可擴展性,在可預見的未來,工業以太網或將主導自動化連接市場。
過去十年中,工業自動化進步的驅動力無疑是通過總線系統對自動化產品的網絡化。隨著機器、設備、傳感器和執行器各設備之間的互聯能力的增強,它們能夠高效地協同工作。在日益數字化的工業時代,網絡功能對于工業設備和裝置來說變得至關重要。鑒于工業以太網的高速性、穩健性和可擴展性,在可預見的未來,工業以太網或將主導自動化連接市場。
為了滿足不斷變化的市場需求,企業需要高效、靈活且可靠的硬件解決方案。在此背景下,瑞薩推出了經過驗證的“郵票式”MPU模組系統(SOM,System on Module)千兆工業以太網解決方案。那么,什么是“郵票式”SOM,又為何它如此受到工業市場青睞?讓我們深入了解瑞薩的這款產品,并揭示其背后的技術奧秘。
解析“郵票式”SOM的構成
所謂的“郵票式”SOM,就像信件上的“郵票”一樣,這種模組系統設計得小巧、整潔,可直接焊接在客戶的擴展板上。這為客戶提供了極大的方便,允許他們圍繞核心SOM構建自己的特定外圍設備,從而更靈活地滿足其特定應用需求。此外,這種設計意味著模組系統已經包含了所有必要的核心組件,并已進行了全面驗證,從而確保性能和可靠性。
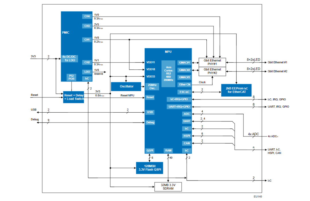
系統框圖
該SOM模塊采用了RZ/N2L MPU,集成了R1EX24016ASAS0I串行接口EEPROM、16MB QSPI閃存+32MB SDRAM、2個千兆工業以太網接口,此外還有瑞薩的DA9083電源管理IC、SLG46117 GreenPAK?器件等。圍繞此類解決方案,瑞薩提供這種模塊和擴展板,大大縮短了用戶的上市時間,降低了開發成本和風險。
瑞薩的SOM系統模塊的核心正是RZ/N2L MPU,通過RZ/N2L和RZ/T2M MPU的專用PMIC OTP設置能夠實現3.3V單電源供電。
RZ/N2L是一款專門用于工業以太網通信的微處理器單元(MPU),內置了支持TSN的三端口千兆以太網交換機和EtherCAT?從控制器,兼容EtherCAT、PROFINET RT/IRT、EtherNet/IP?、OPC UA等主流工業以太網通信協議。還支持時間敏感網絡(TSN)這一日益受到歡迎的以太網標準,從而確保了實時通信的流暢和準確。
RZ/N2L的功能并不止于此。RZ/N2L具有并行和串行主機接口,允許它直接連接并快速訪問外部應用主機CPU,從而為外部應用提供強大的網絡功能。此MPU圍繞Arm? Cortex?-R52構建,其最大工作頻率達到400 MHz,保證了高效的運算能力。此外,RZ/N2L集成了大容量ECC RAM、ΔΣ I/F、A/D轉換器和PWM定時器等外設功能,增強了其多功能性。
SOM解決方案將非常適合那些需要高達2x千兆工業以太網及獨立外設且希望大大縮短上市時間、降低開發工作量并降低風險的工業客戶。
結語
工業以太網已經成為現代工業革命的關鍵部分。當我們談論工業4.0、智能制造、物聯網(IoT)時,我們其實在描述的是工業以太網技術給這些概念帶來的現實可能性。據Global Market Insights的研究報告,到2032年,工業以太網市場規模就有望達到3500億美元。這樣的規模不僅表明了它在工業應用中的廣泛性,也反映了全球范圍內對這種技術的巨大需求。
瑞薩的千兆工業以太網SOM解決方案將為工業設備注入強大的網絡功能,為實時通信提供穩健的支持,幫助工業客戶實現更高的生產效率、更低的運營成本,以及更高的市場競爭力。
免責聲明:本文為轉載文章,轉載此文目的在于傳遞更多信息,版權歸原作者所有。本文所用視頻、圖片、文字如涉及作品版權問題,請聯系小編進行處理。
推薦閱讀:




