【導讀】CAN總線由其高可靠和實時性被廣泛應用于新能源汽車、軌道交通、醫療、工程機械等行業,但是由于大部分行業工作環境都比較惡劣,所以提高總線抗干擾能力是目前行業用戶最為關注的方向。
常見CAN總線干擾現象
如下為一條流水線有兩路CAN總線,一條總線有22個控制節點,每當啟動工作時就會出現嚴重的失控狀態,流水線都是通過電機驅動的。在使用CANScope測試發現,在未啟動電機情況下,幀統計結果顯示100%成功率,如圖1所示。

圖1 正常工作幀統計
此時CAN波形圖如圖2所示。

圖2 正常波形
然而當電機啟動之后,CAN總線質量急劇下滑,使用CANScope幀統計結果顯示成功率僅僅為16.33%,如圖3所示。

圖3 干擾時幀統計
此時的CAN波形圖如圖4所示,可見干擾導致波形嚴重畸變。

圖4 干擾時波形
干擾導致幀錯誤增加,重發頻繁,正確數據不能及時到達。所以如何解決干擾帶來的困擾呢,下面就為大家介紹CAN總線抗干擾的六大解決方案。
一、增加CAN接口電氣隔離
干擾不但影響信號,更嚴重的會導致板子死機或者燒毀,所以接口和電源的隔離是抗干擾的第一步。隔離的主要目的是:避免地回流燒毀電路板和限制干擾的幅度。未隔離時,兩個節點的地電位不一致,導致有回流電流,產生共模信號,CAN的抗共模干擾能力是-12~7V,超過這個差值則出現錯誤,如果共模差超過±36V,燒毀收發器或者電路板。
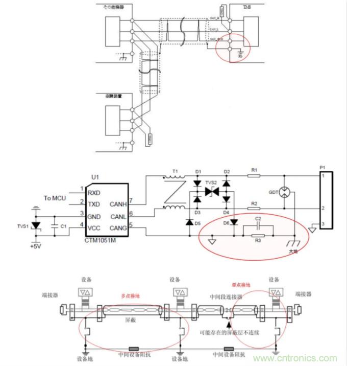
傳統用戶都采用分立器件自己搭建隔離電路的方式,如今大家更青睞使用隔離收發器做防護隔離。如圖所示的CTM系列隔離收發器的總線隔離技術,與傳統分立器件方案相比,產品具備更高的集成度與可靠性,能夠有效提升總線通信防護等級,極大程度降低用戶的采購與生產成本,大幅縮短開發周期。增加CTM隔離模塊后,如圖5所示。隔絕了地回流,限制了干擾幅度。

圖5 CAN接口電氣隔離
二、共收發器的信號地
共CAN收發器的信號地,并且CAN使用三線制信號傳輸。可以有效抑制共模干擾。注意圖6中屏蔽層為近距離外殼等電勢的情況下的接線方法。

圖6 CAN信號共地
三、CAN線保證屏蔽效果與正確接地
帶屏蔽層的CAN線,可以良好地抵御電場的干擾,等于整個屏蔽層是一個等勢體,避免CAN導線受到干擾。如圖所示,為一個標準的屏蔽雙絞線,CANH和CANL通過鋁箔和無氧銅絲屏蔽網包裹。需要注意的是和與接插件的連接,在連接部分允許有短于25mm的電纜不用雙絞。

圖7 屏蔽雙絞線
使用屏蔽線后,在屏蔽層沒有良好接大地前,屏蔽線是不起作用的。所以我們要選擇一種接地方式。這里有三種外殼接地法:屏蔽層單點接地、屏蔽層分段屏蔽法、多點接地可以加快高頻干擾信號的泄放。在CAN的應用場合,由于距離一般都較遠,所以大部分采用屏蔽層單點接地的原則,在干線上找一點將屏蔽層用導線直接接地,該點應是所受干擾最小的點,同時該點位于網絡中心附近。

圖8 屏蔽層分段屏蔽法
四、提高CAN線雙絞程度
CAN總線為了提高抗干擾能力,采用CANH和CANL差分傳輸,達到效果就是遇到干擾后,可以“同上同下”,最后CANH-CANL的差分值保持不變。如圖9所示。

圖9 差分干擾示意
CANH和CANL要緊密地絞在一起,通常雙絞線只有33絞/米,而在強干擾場合,雙絞程度要到45-55絞/米才能達到較好的抗干擾效果。另外線纜的芯截面積要大于0.35~0.5mm²,CAN_H對CAN_L的線間電容小于75pF/m,如果采用屏蔽雙絞線,CAN_H(或CAN_L)對屏蔽層的電容小于110pF/m。可以更好地降低線纜阻抗,從而降低干擾時抖動電壓的幅度。
五、增加信號保護器
增加信號保護器,提高抗浪涌群脈沖等EMC能力。上面的隔離只是阻擋,如果干擾強度很高,比如達到2KV浪涌,隔離也會被破壞。所以要想達到更高的防護等級,必須增加防浪涌電路。如圖10所示,為ZLG致遠電子高速總線標準防浪涌保護電路。

圖10 信號保護電路
六、CAN轉光纖傳輸
增加CAN轉光纖轉換器。解決超強干擾(比如遠程激光與電磁脈沖發射裝置)與雷擊問題,光纖是一種無法被電磁干擾的傳輸介質,如圖11所示,為使用ZLG致遠電子的CANHub-AF1S1和CANHub-AF2S2組合的光纖主干網絡。

圖11 光纖傳輸
來源:ZLG致遠電子,原創:AE
免責聲明:本文為轉載文章,轉載此文目的在于傳遞更多信息,版權歸原作者所有。本文所用視頻、圖片、文字如涉及作品版權問題,請聯系小編進行處理。
推薦閱讀:



