【導讀】CAN與485都是工業通信中常用的現場總線,各位工程師對于總線隔離方案想必都極為熟悉,但可能會遇到總線采用了隔離方案依舊通訊異常的情況,本文將帶您一起探討總線隔離后該如何接地?
前言
為保證總線網絡的通訊穩定性,通訊接口通常會做隔離,隔離的主要目的:
安規考慮:保護設備及人身安全,隔開潛在的高壓危險;
提高通信的穩定性:消除地電勢差的影響;
提高器件的可靠性:消除地環路影響;
低耦合:提高系統間的兼容性。
目前實現總線隔離有兩種方案:采用分立元器件搭建或采用集成模塊。
隔離接地的原理
總線增加隔離固然可以保證總線穩定可靠地通信,但是帶隔離通信接口的設備,在復雜的環境或安裝狀態下,接口會表現出完全不同的ESD特性,了解ESD對接口的影響機理,才能有針對性地增加保護器件,提升隔離接口的ESD能力。下面以帶有隔離CAN或RS-485通信接口為例,對常見的設備狀態下,ESD的作用機理進行分析,并提出相應的改善措施。
1、總線側懸空
此狀態下,設備控制側有接入保護地(PE),總線側參考地懸空,與PE無任何連接,如下圖1。

接下來進行分析:
假設控制側均做了足夠的保護措施,當控制側接口受到靜電放電時,能量通過控制側保護器泄放至PE,對隔離通信接口基本無影響,如下面圖2。
當總線接口受到靜電放電時,由于總線側懸空,能量只能通過隔離柵的等效電容Ciso進行泄放,由于Ciso非常小,僅有幾皮法至十幾皮法,Ciso被迅速充電,兩端電壓Viso會非常高,幾乎等同于放電電壓,電壓全部施加在隔離接口模塊的隔離柵,若電壓超出了隔離柵的電壓承受范圍,則會導致內部隔離柵損壞,如下面圖3。
注意:對于一般的隔離接口模塊,隔離柵可承受的靜電放電電壓只有4kV,對于更高等級的6kV或8kV的靜電來說是非常脆弱的,極易出現損壞情況。


2、設備控制測懸空
此狀態下,設備控制側參考地懸空,與PE無任何連接,總線側有接入保護地(PE),如下圖4。

接下來進行分析:
當總線側接口受到靜電放電時,靜電能量通過隔離接口模塊內部總線側器件泄放至PE,但若ESD能量超出了接口模塊內部總線側器件的ESD抗擾能力,總線接口則可能損壞,如下面圖5。
當控制側接口受到靜電放電時,由于控制側懸空,能量只能通過隔離柵的等效電容Ciso進行泄放,由于Ciso非常小,兩端電壓Viso會非常高,電壓全部施加在隔離接口模塊的隔離柵,若電壓超出了隔離柵的電壓承受范圍,則會導致內部隔離柵損壞,如下面圖6。


3、改善措施
針對上述兩種情況,隔離接口模塊需要得到有效的靜電保護,建議進行隔離接口設計時,增加Cp、Rp以及TVS,提高隔離接口的ESD抗擾能力。
電容Cp的作用:減輕隔離柵的壓力,為靜電能量提供一個低阻抗的路徑,靜電能量大部分通過此電容泄放,為達到良好效果,Cp容值應遠大于Ciso,建議取100pF~1000pF之間。
TVS管的作用:對于總線側的靜電,靜電能量會通過防護器件泄放,注意:其導通電壓必須小于隔離接口可承受的最大電壓,同時大于信號電壓;在通信速率高、或節點數較多時,也需要注意盡量選取等效電容小的器件,以免影響總線正常通信。

注意:若產品無安規要求,可與Cp并聯一個大阻值泄放電阻,如1M,以防靜電積累;若有安規要求,一般需要去除泄放電阻,同時選擇安規電容。
完善的總線接口保護電路
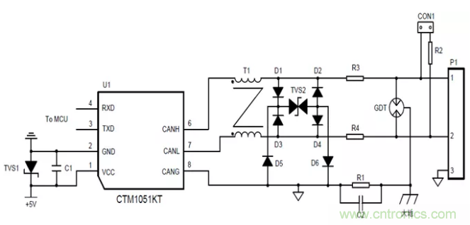
前面只是對ESD的作用機理進行了分析,但隨著工業產品對通信接口的EMC等級要求越來越高。許多應用要求滿足IEC61000-4-2靜電放電4級,IEC61000-4-5浪涌抗擾4級要求。一般的收發器ESD、浪涌的防護等級均比較低,如CTM1051M隔離CAN收發器的隔離耐壓為2500VDC,裸機情況下,ESD、浪涌等級均較低。所以有必要增加外圍電路,提高通信端口的EMC等級。

以CAN總線為例,上圖為完善的外圍推薦電路。其中GDT置于最前端,提供一級防護,當雷擊、浪涌產生時,GDT瞬間達到低阻狀態,為瞬時大電流提供泄放通道,將CAN_H、CAN_L間電壓鉗制在二十幾伏范圍內。實際取值可根據防護等級及器件成本綜合考慮進行調整,R3 與 R4 建議選用 PTC,D1~D6 建議選用快恢復二極管,參數表如下。

表1 推薦參數表
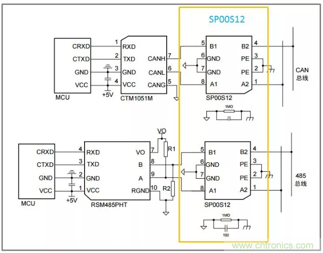
另一種方案則是采用ZLG的SP00S12浪涌保護模塊,可用于各種信號傳輸系統,抑制雷擊、浪涌、過壓等有害信號,對設備信號端口進行保護。搭配ZLG的全隔離CTM或SC系列的隔離CAN收發器,如下圖??蓸O大程度的提升產品的集成度,于此同時極大程度的縮小開發周期。

阻容回路接地的必要性
前面講述了總線隔離之后接地的原理以及推薦電路,想必大家已經很清楚了,在現場,很多客戶會提到總線隔離之后為什么需要阻容接地呢?這里給大家簡單描述一下:
1、電容:從EMS(電磁抗擾度)角度說,這個電容是在假設PE良好連接大地的前提下,降低可能存在的影響(以大地電平為參考的高頻干擾信號對電路的影響),是為了抑制電路和干擾源之間瞬態共模壓差的。其實GND直連PE是最好的,但是,直連可能不可操作或者不安全。從EMI(電磁干擾)角度說,如果有與PE相連的金屬外殼,有這個高頻路徑,也能夠避免高頻信號輻射出來。
2、1M電阻:這是對付ESD(靜電放電)測試用的。因為這種用電容連接PE和GND的系統(浮地系統),在做ESD測試的時候,打入被測電路的電荷無處釋放,會逐漸累積,抬升或降低GND相對PE的電平,累積到一定程度,超過了PE和電路之間的絕緣最薄弱處所能耐受的電壓范圍,GND和PE之間就會放電,幾個納秒間,在PCB上的產生數十到數百安培的電流,這足以讓任何電路因EMP(電磁脈沖)宕機,或者是讓PE與電路之間絕緣最薄弱處所在信號連接的器件損壞。但是有時候又不能直接連接PE和GND,那么就用一個1~2M的電阻去慢慢釋放這個電荷,以消除二者間的壓差。當然1~2M這個數值是根據ESD測試標準選擇的,因為IEC61000里面規定最高的重復次數只有10次/秒,如果你搞個1000次/秒的非標ESD放電,那么1~2M的電阻我覺得是不能釋放掉累積的電荷的。
文章轉載自公眾號:ZLG立功科技一致遠電子, 作者:AE



