【導讀】隨著電子系統內設備數量的逐漸增多,噪聲的干擾將越來越嚴重,噪聲是無處不在的,總與信號共存。公共阻抗耦合是產生噪聲的一個重要因素,公共阻抗耦合的噪聲對電路性能有很大的影響,如波形失真、放大器性能不好等都與公共阻抗耦合的噪聲有著密切的關系。
公共阻抗耦合是指噪聲源回路和受干擾回路之間存在著一個公共阻抗,噪聲電流通過這個公共阻抗所產生的噪聲電壓,傳導給受干擾的回路。通過公共阻抗耦合的方式所產生的噪聲,稱為公共阻抗耦合的噪聲。在數字電路中,由于信號的頻率較高,地線往往呈現較大的阻抗。這時,如果存在不同的電路共用一段地線,就可能出現公共阻抗耦合的問題。以下將用具體案例進行說明。
1.問題描述
某產品在測試RE時超標嚴重,由于該產品是全金屬屏蔽設計,因此其發射路徑很容易鎖定。主要包括輸入電源線、輸出負載線,RS485通信線。通過使用耦合夾分別對三個路徑的干擾量進行測試,最終確定RS485通信線輻射較大,頻譜測試結果如下:

2.原因分析
按照以往的經驗,通信線本身的輻射發射一般不會很高,出現最多的一般為耦合、地線串擾等原因。因此針對該PCB板布局及走線方式進行排查分析,如下圖:

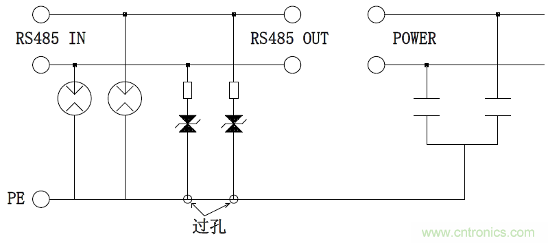
在該電路設計中RS485通訊口在PCB上只是一個轉接作用,按道理不應該引入噪聲。通過觀察PCB布局可以發現,RS485端口由電阻、氣體放電管、TVS管組成了一個浪涌、ESD防護電路,然后通過固定螺釘孔接PE(機殼)。同時發現接在該點PE的還有另外一路,即上方輔助電源Y電容的PE,因此輔助電源的噪聲可能通過浪涌防護電路竄入通信線導致輻射發射。
3.原理分析

從上圖中可以看清楚基本的連接情況,即輔助電源輸入線的Y電容所連接的PE線與TVS管、氣體放電管的PE相連接后最后才連接到PCB板的接地孔。實際上兩者存在著一段共地線,這就有發生共阻抗耦合的可能性。由于PE線走線較長,且在PE線連接中存在過孔等情況,因此上面的電路可以等效為如下情況:

其中Z1~Z3為PE線、過孔所產生的阻抗,Z4/Z5為氣體放電管、TVS管的等效阻抗。按照理想狀態,電源的噪聲應該沿著I1方向流入PE接地點,即I=I1;噪聲電流全部通過Y電容回流到PE。但是由于Z1~Z3的存在,產生共阻抗耦合,部分噪聲電流沿著I2~I4方向流動。而且在高頻狀態下氣體放電管、TVS管的阻抗也急劇下降,加劇了這種耦合。此時I2~I4不能忽略,這樣噪聲電流直接耦合到RS485通信線上,由于通信線都比較長,加劇了輻射發射,因此對RE的測試結果產生很大的影響。
4.結果驗證
驗證方法:通過在同一塊PCB中將TVS管、氣體放電管去掉,然后使用頻譜分析儀測試的噪聲如下,干擾包絡明顯消除。

綜合以上實際案例,消除公共阻抗耦合的途徑有兩個,一個是減小公共地線部分的阻抗,這樣公共地線上的電壓也隨之減小,從而控制公共阻抗耦合。另一個方法是通過適當的接地方式避免容易相互干擾的電路共用地線,一般要避免強電電路和弱電電路共用地線,數字電路和模擬電路共用地線。如前所述,減小地線阻抗的核心問題是減小地線的電感。這包括使用扁平導體做地線,用多條相距較遠的并聯導體作接地線。對于印刷線路板,在雙層板上布地線網格能夠有效地減小地線阻抗,在多層板中專門用一層做地線雖然具有很小的阻抗,但這會增加線路板的成本。通過適當接地方式避免公共阻抗的接地方法是并聯單點接地,。并聯接地的缺點是接地的導線過多。因此在實際中,沒有必要所有電路都并聯單點接地,對于相互干擾較少的電路,可以采用串聯單點接地。例如,可以將電路按照強信號,弱信號,模擬信號,數字信號等分類,然后在同類電路內部用串聯單點接地,不同類型的電路采用并聯單點接地。
本文轉載自韜略科技。
推薦閱讀:
磁粉芯在高性能EMI濾波器中的應用介紹






