【導讀】在5G通信、軍用雷達、測試測量等高性能領域,工程師們面臨著一個共同的挑戰:如何在簡化系統設計的同時,滿足多通道、寬帶寬、高動態性能的需求?傳統收發器依賴復雜的頻率轉換環節(如混頻器),不僅增加了器件數量和成本,還容易引入噪聲和失真。德州儀器(TI)推出的AFE7955多通道收發器,以直接射頻采樣架構為核心,打破了這一困境——它集成2個發射(TX)鏈、3個接收(RX)鏈,覆蓋600MHz至12GHz寬頻率范圍,無需額外頻率轉換級,同時實現了發射通道無雜散動態范圍(SFDR)>68dBc、接收通道噪聲密度-156dBFS/Hz的高動態性能。這款器件的出現,不僅簡化了高性能系統的設計流程,更成為5G、雷達等領域的“核心基石”。

一、核心功能解析:多通道收發器的“全能選手”
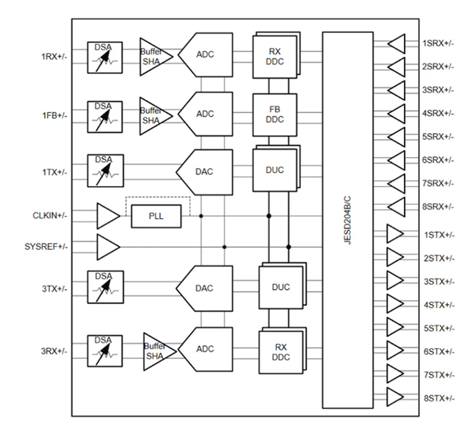
AFE7955的核心價值在于集成化的多通道收發能力,它將發射、接收的關鍵功能濃縮在一顆17mm×17mm FCBGA封裝的芯片中,覆蓋了從基帶到射頻的全鏈路處理:
發射(TX)鏈:包含2個獨立通道,支持插值(將基帶信號提升至更高采樣率)和數字上變頻(DUC) (將基帶信號轉換為射頻信號)功能,搭配12GSPS的數模轉換器(DAC),可實現1200MHz的信號帶寬(滿足5G大帶寬需求);每個TX鏈還配備40dB范圍的可變增益放大器(VGA) ,能靈活調整發射信號強度,適應不同傳輸距離和環境(如5G基站的遠近覆蓋)。
接收(RX)鏈:包含3個獨立通道,集成25dB范圍的數字步進衰減器(DSA) ,可實時調整接收信號強度,避免強信號過載(如雷達接收回波時的信號波動);3GSPS的模數轉換器(ADC)能高速捕捉射頻信號,保留更多細節(如測試測量中的微弱信號)。
接口與同步:采用JESD204B/C標準的SerDes接口(8個最高29.5Gbps的收發器),實現高速數據傳輸;支持子類1多器件同步,確保多個AFE7955芯片在相控陣雷達等多通道系統中時鐘同步(誤差小于1ns),提高波束形成精度。
二、技術創新:直接射頻采樣與性能的“平衡術”
AFE7955的“革命性”在于直接射頻采樣架構,它跳過了傳統收發器的“混頻-中頻采樣”環節,直接對射頻信號進行采樣,帶來三大優勢:
簡化系統設計:無需額外的混頻器、濾波器等器件,減少了PCB面積(如5G基站的射頻單元體積可縮小30%)和物料成本(BOM成本降低20%以上)。
提升信號純度:避免了混頻環節引入的雜散信號(如鏡像頻率),發射通道SFDR>68dBc(比傳統架構高5-10dBc),確保信號在傳輸過程中保持高純度(如5G信號的調制精度)。
靈活適配多頻段:覆蓋600MHz至12GHz頻率范圍,支持Sub-6GHz(5G主流頻段)、毫米波(5G未來頻段)、X波段(雷達常用頻段)等多個波段,無需更換器件即可適配不同應用。
此外,AFE7955優化了動態性能:接收通道噪聲密度低至-156dBFS/Hz(比傳統架構低8-12dB),能捕捉到微弱信號(如雷達的遠距離回波);多模式時鐘管理功能(支持內部PLL/VCO或外部時鐘),允許用戶根據系統需求選擇時鐘源(如5G基站采用外部時鐘同步,雷達采用內部PLL保持獨立)。
三、應用場景:從軍用雷達到5G,覆蓋高要求領域
AFE7955的高性能與靈活性,使其成為軍用雷達、5G通信、測試測量等領域的理想選擇:
軍用雷達系統:如X波段相控陣雷達,需要多通道同步(AFE7955的子類1同步功能)、高SFDR(避免雜散信號干擾)、寬帶寬(捕捉高速目標)。AFE7955的直接射頻采樣架構減少了雷達的器件數量(如每個通道的混頻器省去),提高了系統可靠性(減少故障點),同時高SFDR確保雷達能探測到遠距離的小目標(如無人機)。
5G通信基礎設施:支持Sub-6GHz和毫米波頻段,1200MHz帶寬滿足5G的大帶寬需求(如5G下行速率可達10Gbps)。直接射頻采樣架構減少了5G基站的射頻單元體積(如宏基站的射頻單元可從2U縮小至1U),降低了基站的功耗(減少了混頻器的能耗)。
測試測量設備:如向量信號分析儀(VSA),需要高分辨率(3GSPS ADC)、高動態范圍(-156dBFS/Hz噪聲密度)。AFE7955的高采樣率能捕捉到高速的射頻信號(如5G的毫米波信號),低噪聲密度能保留信號的細微變化(如調制誤差),提高測試測量的精度。
四、設計建議:讓AFE7955發揮最佳性能的關鍵
要充分發揮AFE7955的性能,設計時需注意以下幾點:
電源管理:AFE7955采用多電壓域設計(如核心電壓1.2V、IO電壓3.3V、SerDes電壓1.8V),需要分開供電(使用不同的LDO或開關電源),避免電壓干擾(如數字信號對模擬信號的影響)。
熱設計:AFE7955的結溫需控制在110°C以下(超過110°C會導致性能下降),需采用高效散熱設計(如在PCB上布置散熱片,或使用過孔將熱量傳導到PCB背面);對于高功耗場景(如12GSPS DAC滿負荷工作),可增加風扇輔助散熱。
PCB布局:SerDes走線需保持100Ω差分阻抗(使用微帶線或帶狀線),避免信號衰減(如SerDes信號在傳輸過程中損耗超過2dB會導致誤碼率上升);模擬部分(如TX/RX通道)與數字部分(如SerDes接口)需分開布局(間隔至少2mm),減少數字信號對模擬信號的干擾(如時鐘信號對接收通道的噪聲影響)。
性能圖

五、開發資源:快速上手的“工具包”
TI為AFE7955提供了豐富的開發資源,幫助工程師快速評估和設計:
AFE7955EVM開發套件:包含AFE7955芯片、電源電路、時鐘電路和SerDes接口,可測試發射通道的SFDR、接收通道的噪聲密度等性能指標(如用EVM測試TX通道的SFDR,可快速驗證設計是否符合要求)。
參考設計TIDA-01012:提供了電源管理、熱設計和PCB布局的參考(如電源電路的LDO選擇、散熱片的尺寸),工程師可以直接借鑒,減少設計時間(如參考設計中的PCB布局可縮短SerDes走線的長度)。
仿真模型:ADS器件模型包(包含AFE7955的DAC、ADC、SerDes等模型),允許工程師在ADS軟件中仿真系統性能(如仿真TX通道的信號鏈路,提前預測SFDR),減少調試時間(如避免實物調試中的反復修改)。
結語
AFE7955作為直接射頻采樣時代的多通道收發器,以其“簡化設計、高性能、多場景適配”的優勢,成為5G、軍用雷達、測試測量等領域的“核心器件”。它的出現,不僅降低了高性能系統的設計復雜度(如減少了混頻器等器件),還提高了系統的可靠性(減少了故障點)和性能(如更高的SFDR和更低的噪聲密度)。隨著5G、雷達等領域的不斷發展,AFE7955有望成為這些領域的“基石”,推動行業的進步——無論是5G基站的小型化,還是雷達的遠距離探測,AFE7955都將發揮重要作用。
推薦閱讀:
嵌入式RF測試革命:多域信號分析技術如何破解復雜系統驗證難題







