【導讀】在單相小功率光伏并網系統中,有隔離型和非隔離型兩種拓撲結構。隔離型有成本高、體積大等諸多缺點,因此非隔離型成為目前主流的拓撲結構,本文主要介紹非隔離型的全橋以及HERIC兩種較為常用的拓撲結構。
在單相小功率光伏并網系統中,有隔離型和非隔離型兩種拓撲結構。隔離型有成本高、體積大等諸多缺點,因此非隔離型成為目前主流的拓撲結構,本文主要介紹非隔離型的全橋以及HERIC兩種較為常用的拓撲結構。
在非隔離型光伏系統中,電網和光伏陣列之間存在直接的電氣連接。由于光伏陣列和接地外殼之間存在對地雜散電容,當并網逆變器功率器件動作時存在共模電壓,進而可能會有共模電流流過寄生電容。共模電流不僅會引起損耗的增加同時也會導致安全問題,國家標準對并網系統的共模電流有嚴格的限制。因此下面的討論從共模電壓開始。
共模電壓的產生以及定義
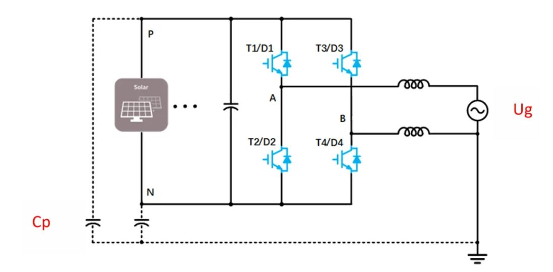
圖1為典型的全橋無變壓器拓撲結構圖,圖中Cp為光伏陣列對地寄生電容,根據共?;芈冯妷悍匠炭梢杂嬎愠龉材k妷海?/p>

上式中UA0為A點對直流母線0電位的電壓值。
流過寄生電容的共模電流:

Ug是工頻50Hz電網電壓,而UA0、UB0是高頻信號,因此在工程上共模電壓可以簡化為:

為抑制共模電流,通常采用的方法是維持共模電壓不變。

圖1.全橋結構以及共模電壓分析
全橋拓撲結構
全橋結構通常采用單極性和雙極性兩種調制方式,由于采用的控制策略不同,共模電壓也不同。首先看單極性調制方式,其控制原理圖如圖2所示,在電流的正半周期,S4一直保持開通的,S1,S2互補導通;而在電流的負半周期,S3一直開通,S1,S2互補導通。下面以正半周期為例分析其共模電壓。
當S1,S4開通時,如a所示,電流從PV-S1-L1-L2-S4-PV,共模電壓為Ucm=Udc/2;當S1關斷,S2,S4開通時,處于續流狀態,如b所示電流從L1-L2-S4-D2,共模電壓為Ucm=0,??梢钥闯鲈趩螛O性調制中,共模電壓在0和Udc/2之間變化,在系統運行過程中會產生共模電流。

圖2.單極性調制共模電壓分析
對于雙極性調制而言,4個功率開關都是高頻開關,橋臂對角S1/S4以及S2/S3分別互補導通。當S1,S4導通時,共模電壓計算和單極性調制一樣,Ucm=Udc/2。當S1/S4關斷S2/S3開通,處于續流狀態時電流的路徑為L1-L2-D3-D2-L1,此時共模電壓為Ucm=Udc/2。因此可以看出在雙極性調制中,共模電壓保持恒定,共模電流得到了有效抑制。
但是雙極性調制中,4個功率開關都采用高頻調制,其損耗比單極性調制大,另外一方面雙極性調制中輸出交流端電壓在Udc和-Udc之間變化,而單極性調制中輸出端電壓在0到Udc或者0到-Udc之間變化,因此為減小電流紋波如果采用雙極性調制就需要更大的濾波器。
HERIC拓撲結構
由于上述全橋結構都有一些應用上的缺陷,科學家提出著名的HERIC電路,從電路結構上增加了4個功率器件T5/D5,T6/D6。由于電流在正半軸和負半軸工作對稱,這里只分析正半軸工況。在電流為正時,T6保持開通,當T1/T4同步開通時,電流流過T1-L1-L2-T4-T1,在T1,T4關斷后,續流回路通過T6,D5,而不通過直流母線。在整個運行過程中共模電壓保持不變Ucm=Udc/2。因此HREIC電路不僅可以抑制共模電流而且電流紋波小、效率高,成為無變壓器單相光伏并網系統的主要拓撲結構。

圖3.HERIC拓撲圖
最后用圖表簡單小結一下這三種結構的優缺點,可以看出HERIC集合了兩者的優點,在小功率太能應用中得到廣泛應用。
(作者:楊勇,來源:英飛凌工業半導體)
免責聲明:本文為轉載文章,轉載此文目的在于傳遞更多信息,版權歸原作者所有。本文所用視頻、圖片、文字如涉及作品版權問題,請聯系小編進行處理。
推薦閱讀:
“固本強基”成效顯著,元器件、設備企業積極報名第104屆中國電子展



