【導讀】創建具有多部天線的移動設備涉及到一個極具挑戰性的平衡過程。如果考慮到移動設備設計人員面對的所有因素,那么所需要考量的層面則過于繁雜。首先,移動設備帶有分別用于蜂窩網絡(低、中、高頻段)、Wi-Fi、藍牙?、超寬帶等多個頻段的天線;除 RF 的單一范圍外,他們還必須應對更豐富功能和更小、更時尚設計間的權衡。
創建具有多部天線的移動設備涉及到一個極具挑戰性的平衡過程。如果考慮到移動設備設計人員面對的所有因素,那么所需要考量的層面則過于繁雜。首先,移動設備帶有分別用于蜂窩網絡(低、中、高頻段)、Wi-Fi、藍牙?、超寬帶等多個頻段的天線;除 RF 的單一范圍外,他們還必須應對更豐富功能和更小、更時尚設計間的權衡。

圖 1:中、高 Wi-Fi 頻段 Qorvo 天線調諧器
使用 Qorvo 天線調諧器有助于優化這些頻段中每個頻段的天線性能;然而,增加調諧器確實要以犧牲天線效率為代價。因此,在設計中必須注意保證足夠的天線效率及性能;這樣做需要優化 PC 板的布局。Qorvo 提供了豐富的天線調諧組件選擇,為廣泛的應用帶來最佳性能。策略性地安排 Qorvo 天線調諧器的位置,是為了充分利用其出色的 RF 性能特性來調諧中高頻段頻譜,并獲得高效率。
如圖 2 所示,兩塊帶有天線和天線調諧元件的 PC 板總共占用 195mm2 的面積。我們的目標是將該面積減少 35%,同時滿足峰值 RF 性能。下面,我們將解讀如何利用效率與性能間的權衡來實現這一目標。

圖 2:基線中高頻段與 Wi-Fi 天線 vs 占板面積縮減目標
中高頻段(MHB)天線本身便是一項艱巨的設計挑戰,而添加 Wi-Fi 2.4GHz 和 5GHz 天線使設計變得更加困難,此外還縮減了外形尺寸。因此,其歸根結底是要采用最佳的元件才能優化天線的 PC 板占板面積。
在圖 3 中,我們可以看到 MHB 和 Wi-Fi 天線的 PC 板布局設計。這一經優化的布局設計讓尺寸減少 35%,并實現同類最佳的 RF 信號范圍。下面,讓我們來分析一下移動設備設計師將如何同時獲得 35% 的尺寸縮減和卓越的智能手機 RF 范圍。

圖 3:中高頻段和 Wi-Fi 移動天線解決方案
如表 1 所示,每個調諧狀態覆蓋四個不同的蜂窩頻段。我們設計的天線具備 3 個 RF 分支;其針對每個調諧狀態覆蓋四個蜂窩頻段(MHB),以及 2.4GHz 和 5GHz 的 Wi-Fi 頻段。
需要注意的是,圖 3 所示的設計同時考慮了 MHB 和 Wi-Fi 頻段。其中 1、3、40 和 7 頻段以及 Wi-Fi 頻段均同時工作;各部天線在每個蜂窩和 Wi-Fi 切換狀態下也均能達到峰值性能,如下表所示。

表 1:MH 頻段和 Wi-Fi 經調諧后同時運行
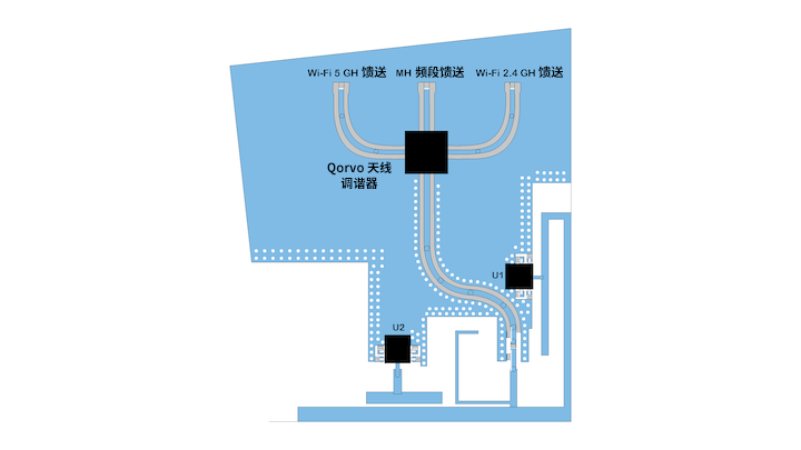
下面讓我們仔細看下 MHB 和 2.4GHz 部分。如圖 4 所示,Qorvo 天線調諧器用于 MH 和 2.4GHz Wi-Fi 調諧。調諧器與電路板的組合布局優化了蜂窩及 Wi-Fi 2.4GHz 頻段。

圖 4:MHB 和 2.4GHz 天線調諧器及設計
U1 連接至這一區域,以補償由 U2 調諧器引起的任何變化,從而保持 Wi-Fi 2.4GHz 頻段的諧振。事實上,天線的這兩個部分相互依存,二者共同工作以產生一個可調諧的諧振和兩個恒定諧振,同時保持兩個頻段的效率處于峰值狀態。
該天線結構的第三部分通過金屬導線連接操作——如圖中藍色虛線框所示。這是一個覆蓋 Wi-Fi 5GHz 頻段的單極天線(圖 5)。此 PC 板布局覆蓋了 Wi-Fi 5GHz 頻段的大帶寬(5150 至 5850MHz)。

圖 5:5GHz Wi-Fi 單極天線結構
為減少智能手機中天線區域的面積,我們使用了 Qorvo 天線復用器芯片組,以縮減成本及尺寸;見圖 6。天線復用器結合了每個天線饋送源的三個不同 RF 信號。這種方法還減少了智能手機的 RF 輻射面積,從而減輕了干擾;此外,它還將三個獨立的輻射器整合至一片很小的 PC 板區域。

圖 6:帶天線復用器的 MH、Wi-Fi 2.4GHz 和 5GHz 天線
使用天線復用器的主要優勢包括:
減少 PCB 尺寸
在所有所需頻段均實現很高的輻射效率
那么,尺寸的減少和性能的增強是否會提高峰值性能?答案是肯定的;請參見圖 7 —— Qorvo 天線調諧器和天線復用器帶來的尺寸縮減使效率得以提升。

圖 7:MHB 和 Wi-Fi 的效率測量結果
對擁有更多功能且更小、更時尚產品的需求,使得智能手機及其它移動設備的設計變得日趨復雜。工程師們時常糾結于如何在優化性能的同時達成這些指標;此外,他們還需要加速推進設計進程以滿足公司的上市時間要求。對此,Qorvo 將助您一臂之力。我們提供技術支持,以及全新或改進的下一代產品。借助天線調諧器和天線復用器,加上我們的 PC 板設計指導,Qorvo 可以幫助您構建滿足客戶需求的設計。
關于作者:Mojtaba Zamanifekri,高級天線設計工程師
Mojtaba 是移動通信系統的天線解決方案及 RF 系統的設計與建模專家。憑借在電磁學和 RF 系統領域的綜合知識,他幫助 Qorvo 應用團隊創建最先進的天線解決方案,以滿足旗艦智能手機當前和未來的需求。
(來源: Qorvo半導體微信公眾號,作者:Mojtaba Zamanifekri,高級天線設計工程師)
免責聲明:本文為轉載文章,轉載此文目的在于傳遞更多信息,版權歸原作者所有。本文所用視頻、圖片、文字如涉及作品版權問題,請聯系小編進行處理。
推薦閱讀:
開關電源的脈沖寬度調制(PWM)和脈沖頻率調制(PFM)的區別



