【導讀】在本實驗中,我們將介紹一種有源電路——運算放大器(op amp),其某些特性(高輸入電阻、低輸出電阻和大差分增益)使它成為近乎理想的放大器,并且是很多電路應用中的有用構建模塊。在本實驗中,你將了解有源電路的直流偏置,并探索若干基本功能運算放大器電路。我們還將利用此實驗繼續發展使用實驗室硬件的技能。
目標:
在本實驗中,我們將介紹一種有源電路——運算放大器(op amp),其某些特性(高輸入電阻、低輸出電阻和大差分增益)使它成為近乎理想的放大器,并且是很多電路應用中的有用構建模塊。在本實驗中,你將了解有源電路的直流偏置,并探索若干基本功能運算放大器電路。我們還將利用此實驗繼續發展使用實驗室硬件的技能。
材料:
● ADALM1000硬件模塊
● 無焊試驗板和跳線套件
● 一個1 kΩ電阻
● 三個4.7 kΩ電阻
● 兩個10 kΩ電阻
● 一個20 kΩ電阻
● 兩個AD8541 器件(CMOS軌到軌放大器)
● 兩個0.1 μΩ電容(徑向引線)
1.1 運算放大器基礎知識
第一步:連接直流電源
必須為運算放大器始終提供直流電源,因此在添加任何其他電路元件之前,最好配置這些連接。圖1顯示了無焊試驗板上的一種可能的電源配置。我們將兩根長軌用于正電源電壓和地,另一根用于可能需要的2.5 V中間電源連接。板上包括電源去耦電容,其連接在電源和地(GND)軌之間。現在詳細討論這些電容的用途還為時過早,只需知道它們用于降低電源線上的噪聲并避免寄生振蕩。在模擬電路設計中,務必在電路中每個運算放大器的電源引腳附近使用小型旁路電容,這被認為是良好實踐。

圖1.電源連接
將運算放大器插入試驗板,然后添加導線和電容,如圖1所示。為避免以后出現問題,可能需要在試驗板上貼一個小標簽,指示哪些電源軌對應5 V、2.5 V和地。導線應利用顏色加以區分:紅色為5 V,黑色為2.5 V,綠色為GND。這有助于保持連接的有序性。
接下來,在ADALM1000板和試驗板上的端子之間建立5 V電源和GND連接。使用跳線為電源軌供電。注意,電源GND端子將是電路接地基準。有了電源連接之后,可能需要使用DMM直接探測IC引腳,確保引腳7為5 V且引腳4為0 V(地)。
注意,使用電壓表測量電壓之前,必須將ADALM1000插入USB端口。
單位增益放大器(電壓跟隨器):
第一個運算放大器電路很簡單(如圖2所示)。這稱為單位增益緩沖器,有時也稱為電壓跟隨器,它由轉換函數VOUT = VIN定義。乍一看,它似乎是一個無用的器件,但正如我們稍后將展示的那樣,其有用之處在于高輸入電阻和低輸出電阻。

圖2.單位增益跟隨器
使用試驗板和ADALM1000電源,構建圖2所示的電路。請注意,此處未明確顯示電源連接。任何實際電路中都會進行這些連接(如上一步中所做的那樣),因此從這里開始,原理圖中沒必要顯示它們。使用跳線將輸入和輸出連接到波形發生器輸出CA-V和示波器輸入CB-H。
通道A電壓發生器設置為1.0 V最小值和4.0 V最大值(3 V p-p,以2.5 V為中心),使用500 Hz正弦波。配置示波器,使輸入信號跡線顯示為CA-V,輸出信號跡線顯示為CB-V。導出所產生的兩個波形圖,并將其包含在實驗報告中,注意波形參數(峰值和頻率的基波時間周期)。你的波形應當確認其為單位增益或電壓跟隨器電路的說明。
緩沖示例:
運算放大器的高輸入電阻(零輸入電流)意味著發生器上的負載非常小;也就是說,沒有從源電路汲取電流,因此任何內部電阻(戴維寧等效值)上都沒有電壓降。所以,在這種配置中,運算放大器的作用類似于緩沖器,屏蔽信號源免受系統其他部分帶來的負載效應。從負載電路的角度看,緩沖器將非理想電壓源轉換成近乎理想的電壓源。圖3給出了一個簡單的電路,我們可以用它來演示單位增益緩沖器的這個特性。這里,緩沖器插在分壓器電路和某一負載電阻(10 kΩ電阻)之間。

圖3.緩沖器示例
斷開電源并將電阻添加到電路中,如圖3所示(注意這里沒有更改運算放大器連接,我們只是相對于圖2翻轉了運算放大器符號以更好地安排導線)。
重新連接電源,并將波形發生器設置為500 Hz正弦波、0.5 V最小值和4.5 V最大值(4 V p-p,以2.5 V為中心)。同時觀察VIN CA-V和VOUT CB-H,并在實驗報告中記錄幅度。使用示波器輸入CB-H還能測量運算放大器引腳3上的信號幅度。
圖形實例如圖4所示。

圖4.緩沖器曲線
移除10 kΩ負載,代之以1 kΩ電阻。記錄幅度。現在移動引腳3和2.5 V之間的1 kΩ負載,使其與4.7 kΩ電阻并聯。記錄輸出幅度如何變化。你能預測新的輸出幅度嗎?
簡單放大器配置
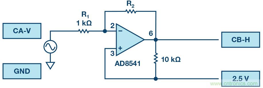
反相放大器:
圖5所示為常規反相放大器配置,輸出端有10 kΩ負載電阻。

圖5.反相放大器配置
現在使用R2 = 4.7kΩ組裝圖5所示的反相放大器電路。組裝新電路之前,請記住斷開電源。根據需要切割和彎曲電阻引線,使其平放在電路板表面,并為每個連接使用最短的跳線(如圖1所示)。記住,試驗板有很大的靈活性。例如,電阻R2的引線不一定要將運算放大器從引腳2橋接到引腳6;你可以使用中間節點和跳線來繞過該器件。
重新連接電源并觀察電流消耗,確保沒有意外短路。現在將波形發生器調整為500 Hz正弦波,設置為2.1 V最小值和2.9 V最大值(0.8 V p-p,以2.5 V為中心),并再次在示波器上顯示輸入和輸出。測量和記錄此電路的電壓增益,并與課堂上討論的原理進行比較。導出輸入/輸出波形圖,并將其包含在實驗報告中。
圖形實例如圖6所示。

圖6.反相放大器曲線
趁此機會說一下電路調試。在課堂中的某個時候,你可能無法讓電路工作。這并不意外,沒有人是完美的。但是,你不應簡單地認為電路不工作必定意味著器件或實驗儀器有故障。這基本上不是事實,99%的電路問題都是簡單的接線或電源錯誤。即便是經驗豐富的工程師也會不時出錯,因此,學會如何調試電路問題是學習過程中非常重要的一部分。為你診斷錯誤不是助教的責任,如果你以這種方式依賴其他人,那么你就錯過了實驗的一個關鍵點,你將不大可能在以后的課程中取得成功。除非你的運算放大器冒煙,電阻上出現了棕色燒傷痕跡,或者電容發生爆炸,否則你的元器件很可能沒問題。事實上,大多數器件在發生重大損傷之前都能容忍一定程度的濫用。當事情不妙時,最好的辦法就是斷開電源并尋找一個簡單的解釋,而不要急著責怪器件或設備。在這方面,DMM可是一件十分有價值的調試工具。
輸出飽和:
現在將圖5中的反饋電阻R2從4.7 kΩ更改為10 kΩ。現在的增益是多少?將輸入信號的幅度緩慢增加至2 V,仍然以2.5 V為中心,并將波形導出到實驗室筆記本電腦中。任何運算放大器的輸出電壓最終都會受電源電壓的限制,而在很多情況下,由于電路中存在內部電壓降,實際限制要遠小于電源電壓。根據你的以上測量結果量化AD8541的內部壓降。如果你有時間,可嘗試用OP97或OP27放大器替換AD8541,并比較它能產生的最小和最大輸出電壓。
求和放大器電路:
圖7所示電路是一個帶有四個輸入的基本反相放大器,稱為求和放大器。圖7的配置與你在教科書中看到的略有不同,因為ADALM1000只提供單個正電源電壓。放大器的同相(+)輸入連接到2.5 V,即電源電壓的一半,而不是接地。這就改變了求和放大器方程式。輸入電阻上出現的輸入電壓現在是相對于2.5 V(即所謂共模電平)進行測量。它們應減去2.5 V,因此0 VIN變為-2.5 V,+3.3 VIN變為+0.8 V。輸出電壓也應相對于+2.5 V電平來測量。為使常規方程式正確,輸出電壓也將減去2.5 V共模電平。另一種思路是考慮所有輸入均為2.5 V(或懸空)的情況。任何輸入電阻中都沒有電流流動(其兩端的電壓為0 V),因此反饋電阻中也沒有電流流過(其電壓為0 V)。輸出電壓將為2.5 V。
此電路使用四個數字輸出PIO 0、PIO 1、PIO 2和PIO 3作為輸入電壓源。每個數字輸出具有接近0 V的低輸出電壓或接近3.3 V的高輸出電壓。使用疊加(并校正2.5 V共模電平),我們可以證明VOUT是VPIO0、VPIO1、VPIO2和VPIO3的線性和,其中每個都有自己獨特的增益或比例系數(由1 kΩ反饋電阻除以各自電阻所得的比值設定)。
PIO 0值最高,輸出變化最小(最低有效位),PIO 3值最低,輸出變化最大(最高有效位)。請注意,PIO 3電阻由兩個4.7 kΩ電阻并聯而成。

圖7.求和放大器配置
斷開電源后,修改反相放大器電路,如圖7所示。重新連接電源,然后使用數字輸出控件填寫以下兩個表格。在第一個表格中,記錄每個數字輸出的低電壓和高電壓。在高阻模式下使用CB-H示波器輸入來完成此任務。在第二個表格中,記錄PIO 0、PIO 1、PIO 2、PIO 3的所有16種1和0組合的輸出電壓。你還應確認,當所有四位懸空或處于高阻(X)狀態時,輸出電壓確實為2.5 V。
表1.低電壓和高電壓

表2.輸出電壓

使用電阻值計算每個輸入組合的預期輸出電壓,并與測量值進行比較。
同相放大器:
同相放大器配置如圖8所示。與單位增益緩沖器一樣,此電路具有(通常)較好的高輸入電阻特性,因此它可用于緩沖增益大于1的非理想信號源。

圖8.具有增益的同相放大器
組裝圖8所示的同相放大器電路。組裝新電路之前,請記得關閉電源。從R2 =1 kΩ開始。
施加一個500 Hz正弦波,CA-V設置為2.0 V最小值和3.0 V最大值(1 V p-p,以2.5 V為中心),并在示波器上顯示輸入和輸出波形。測量此電路的電壓增益,并與課堂上討論的原理進行比較。導出波形圖并將其包含在實驗報告中。
圖形實例如圖9所示。

圖9.同相放大器曲線
將反饋電阻(R2)從1 kΩ增加到約4.7 kΩ。記住,你可能需要降低輸入的幅度以防止輸出飽和(削波)。現在的增益是多少?
增加反饋電阻,直到削波開始——也就是說,直到輸出信號的峰值因為輸出飽和而開始變平。記錄這種情況發生時的電阻。現在將反饋電阻增加到100 kΩ。在你的筆記本中描述并繪制波形。此時的理論增益是多少?考慮此增益,輸入信號必須小到什么程度才能使輸出電平始終低于5 V?嘗試將波形發生器調整為此值。描述所實現的輸出。
最后一步強調高增益放大器的重要考慮因素。對于小輸入電平,高增益必然意味著大輸出。有時候,這可能導致意外飽和,原因是對某些低電平噪聲或干擾進行了放大,例如對拾取自電力線的雜散60 Hz信號的放大。放大器會放大輸入端的任何信號......無論你是否需要!
運算放大器用作比較器
將運算放大器配置為比較器,便可利用運算放大器的高固有增益和輸出飽和效應,如圖10所示。這本質上是一個二元狀態決策電路:如果“+”端子上的電壓大于“–”端子上的電壓,VIN > VREF,則輸出變為高電平(在其最大值時飽和)。相反,如果 VIN < VREF,則輸出變為低電平。電路比較兩個輸入端的電壓,根據相對值產生輸出。與之前的所有電路不同,輸入和輸出之間沒有反饋;對于這種情況,我們說電路是開環運行的。

圖10.運算放大器用作比較器
比較器的使用方式不同,在以后的部分中我們會看到它的實際應用。在這里,我們將以常見配置使用比較器,生成具有可變脈沖寬度的方波。首先斷開電源并組裝電路。在反相輸入VREF上使用固定的2.5 V輸出作為直流電源。
同樣,在同相輸入端配置波形發生器CA-V:500 Hz頻率、2 V最小值和3 V最大值的三角波(以2.5 V為中心)。重新連接電源后,導出輸入和輸出波形。
圖形實例如圖11所示。

圖11.運放比較器曲線
現在通過增大(正移位)或減小(負移位)最小值和最大值來緩慢移動三角波的中心,并觀察輸出發生的情況。你能予以解釋嗎?
對正弦波和鋸齒波輸入波形重復上述步驟,并在實驗報告中記錄你的觀察結果。
問題:
壓擺率:如何測量和計算單位增益緩沖器配置的壓擺率?將其與OP97數據手冊中列出的值進行比較。
求和電路:使用疊加導出圖8電路的預期傳遞特性。根據VIN0、VIN1、VIN2和VIN3求出輸出電壓。將理想關系的預測與你的數據進行比較。
比較器:如果VREF的極性反轉會發生什么?
以上問題可在學子專區博客上找到答案。
作者簡介:Doug Mercer [doug.mercer@analog.com]于1977年畢業于倫斯勒理工學院(RPI),獲電子工程學士學位。自1977年加入ADI公司以來,他直接或間接貢獻了30多款數據轉換器產品,并擁有13項專利。他于1995年被任命為ADI研究員。2009年,他從全職工作轉型,并繼續以名譽研究員身份擔任ADI顧問,為“主動學習計劃”撰稿。2016年,他被任命為RPI ECSE系的駐校工程師。
Antoniu Miclaus [antoniu.miclaus@analog.com]現為ADI公司的系統應用工程師,從事ADI教學項目工作,同時為實驗室電路®和QA流程管理開發嵌入式軟件。他于2017年2月在羅馬尼亞Cluj-Napoca加盟ADI公司。他目前是貝碧思鮑耶大學軟件工程碩士項目的理學碩士生,擁有克盧日-納波卡科技大學電子與電信工程學士學位。
推薦閱讀:





