【導讀】生活水平不斷提高,視頻的安全衛生問題逐漸得到重視。很多農產品和易腐視頻都會冷藏、冷凍起來,這就要求對冷庫溫度進行實時監測,以保證貯藏品的質量。本文介紹的就是ZigBee無線終端溫度測試系統。
系統硬件電路設計
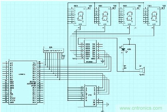
單個冷庫溫度無線監測系統的下位機主要是由單片機與溫度傳感器、無線射頻收發器、鍵盤電路、顯示電路、時鐘電路等構成,上位機由單片機與無線射頻收發器構成。下面將主要介紹上述幾個模塊的電路設計。上位機與下位機的單片機AT89C51的最小系統均如圖所示,圖中外接晶體以及電容C2、C3構成并聯諧振電路,它們起穩定振蕩頻率、快速起振的作用,其值均為30PF左右,晶振頻率選6MHZ。外接復位信號采用的是上電復位和手動復位的結合。

圖1:單片機最小系統

圖2:DS18B20與下位機單片機接口電路圖
XBee Pro模塊自帶軟件包,可以直接實現點對點的無線通訊,但需要提前將XBee Pro模塊進行匹配,才能實現數據的無線通訊功能。因為單片機管腳電壓為5V,而XBee Pro模塊的管腳電壓為3.3V,故若將兩模塊連接需使用光電隔離。其中上位機與下位機分別都有XBee Pro模塊與單片機的連接,設計采用的是獨立式鍵盤,以查詢方式工作。直接用I/O口線構成單個按鍵電路,每個按鍵占用一條I/O口線,每個按鍵的工作狀態相互不會產生影響,其接口電路如圖。

圖3:模塊與單片機硬件電路圖

圖4:獨立鍵盤電路圖

圖5:顯示電路
DSl337是一種超小型的串行實時時鐘芯片,除了具有其他時鐘芯片所具有的記錄秒、分、時、星期、日、月、年,鬧鐘,可編程方波輸出外,最大的特點是體積小,連線少,性能良好。下位機單片機AT89C51與串行時鐘DS1337的硬件連接。

圖6:下位機單片機連接圖

圖7:電平轉換電路
相關閱讀:
智能家居市場ZigBee/WiFi/藍牙三足鼎立,誰能稱霸?
論智能家庭的物聯網連接—ZigBee技術
十問十答,通透了解ZigBee技術



