中心議題:
- 頻段和功能的增加需要手機天線體積更緊湊,同時最大程度的降低功耗
- 手機天線存在失調問題會增大系統的功耗
- 可調匹配網絡使射頻前端適應天線的阻抗變化從而消除由此帶來的功耗損失
- 射頻-微機電系統與普通的變容二極管相比是構成可調匹配網絡的更好選擇
解決方案:
- 當天線的阻抗發生變化時,可通過改變變容二極管的電容量強制阻抗匹配發生變化
- 目前使用的變容二極管基于四種不同的技術,射頻-微機電系統是其中之一
- 射頻-微機電系統在線性和電能穩定性方面具有優勢,調諧范圍更大,幾乎可以用于各種場合
越來越多的新型手機將集成更多的頻帶和操作模式,同時最大程度地降低電能消耗。這是保證手機能夠滿足所有移動通信標準的重要方式。舉例來說,截至2008年年中,W-CDMA系統使用的頻帶有11個,其中5個頻帶也被GSM使用(表1)。

表1:當前手機的使用頻帶
表中所列頻帶分別在歐洲、亞洲和美國的不同地區被使用。手機將這些頻帶組合就對應的可以在相應的地區被使用。然而將這些頻段和操作模式組合需要復雜的射頻前端,因為每個頻帶都需要使用特殊的硬件。這意味著元件的數量以及對電路板空間的要求增加了,射頻前端的功率損耗也增加了。同時,手機集成了越來越多的功能,如照相機、MP3播放器、收音機和電視調諧器。由于手機的體積越來越小,話機中的天線也必須更緊湊。
天線失調
目前,手機中用的最多的是作為諧振電路的平面天線。其缺點是其近場對外部效應如電話用戶的影響過度敏感。這會極大地改變天線電阻值,對發送和接收質量會產生強烈的影響。電話的各種特色,如翻蓋或滑蓋手機、活動鍵盤和顯示屏,使天線的性能更加復雜,因為各種共地負載也會影響其電阻值。
比如用戶將手放在天線的發射區域,將會降低其共振頻率,并因此使天線失調。因此,目前開發的先進的天線,即使在最惡劣的條件下,其輸入電阻也不會超過3.5:1的電壓駐波比(VSWR)。這相當于約1.6 dB的損耗或天線反射功率的30%。如果考慮到大量的雙工器和相應的開關,電能會在整個前端(包括天線)區域耗散,因此將大大縮短電池的待機時間。
固定和可調匹配網絡
固定匹配網絡之前用在射頻前端和天線之間,只匹配精確定義的天線電阻,現在也用于補償天線電阻的小幅變化。另外,固定匹配不能補償大的電阻變化,例如,天線電阻的有功電阻的變化系數達到4或電抗從3增加至50Ω。可調匹配網絡是這一問題的解決方案之一,這類網絡具有電阻可調的優勢。另外,如果使用了反饋控制器,整個系統能夠對天線的所有電阻變化起適應性反應。這種適應性調諧裝置由4個功能單元組成(圖1)。

圖1:適應性匹配網絡的功能單元(圖中文字:適應性匹配網絡能夠連續校正天線電阻)
功能原理:探測器首先測量傳輸的射頻信號。此結果通過一種算法實時計算天線的適應性匹配電路是否需要變化和需要哪些變化,并將信息傳送至DC/DC轉換器。該驅動器確定執行器(變容二極管)所需的電壓,并通過改變變容二極管的電容量強制阻抗匹配發生變化。該過程不斷重復直至達到需要的阻抗,如50Ω。該過程所需的四個功能單元都可以集成在一個射頻模塊中。
目前使用的變容二極管基于四種不同的技術:BST(鈦酸鍶鋇)、CMOS、半導體變容二極管和射頻-微機電系統。
射頻-微機電系統技術的優勢
射頻-微機電系統與普通的變容二極管技術相比有許多優勢,尤其是在線性和電能穩定性方面,以及更大的調諧范圍,使該技術幾乎可以用于各種場合。
愛普科斯使用靜電可變電容性射頻-微機電系統開關(圖3)。使用直流電壓可在“開”和“關”之間切換移動板(頂電極)的狀態。在關閉狀態下,頂電極與電介質層接觸和底電極產生數皮法的電容。相反,在開啟狀態下,電容量極低,僅千分之幾皮法。因此,射頻-微機電系統開關在“高電容”和“低電容”之間切換。這兩種狀態之間的關系稱為開關比。

圖2:射頻-微機電系統的工作模式(圖中文字:頂電極和底電極之間的距離可臨時設置,從而改變電容值及阻抗值)
單個電容性射頻-微機電系統開關在1 GHz的條件下品質因數Q為250(圖3)。該值明顯超過其它技術的結果3至5倍。

圖3:射頻-微機電系統的Q曲線(圖中文字:射頻-微機電系統得品質因數Q為250,超過其它技術3至5倍)
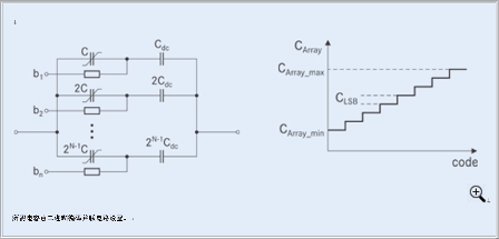
為實現可開關電容陣列,需要將幾個開關并聯(見圖4)。通常,開關過程采用二進制編碼。使用5個開關可允許32個電容值。憑借單個微機電系統元件的大開關比,可取得大的調諧比。

圖4:射頻-微機電系統陣列的原理(圖中文字:所需電容由二進制編碼并聯電路設置)
總體調諧比約為10:1。使用BST或基于半導體的變容二極管(例如使用具有超陡峭摻雜剖面的元件)無法獲得如此高的數值。
首個原型成功通過測試
一個試樣用來檢查天線適應性匹配電路的功能(圖5)。它由如圖2所示、集成在單個模塊中的功能單元組成。

圖5:射頻-微機電系統試樣(圖中文字:完整的適應性匹配網絡在單個模塊中實現)
一個簡單的串聯LC匹配網絡補償天線阻抗虛部的變化。二進制的5位射頻-微機電系統陣列作此用途。高壓驅動器生成微機電系統偏置電壓,而失諧信息由匹配輸入阻抗的相位產生。反饋回路使匹配輸入阻抗達到所需數值。如例所示,控制算法則通過硬件執行:可將算法編入微控制器以增加靈活性。
圖6顯示的是由用戶引起的平面反向F天線(PIFA)的變化。

圖6:天線的阻抗變化(圖中文字:各種用戶動作產生與理想值不同的各種天線阻抗值)
選擇適當的天線可允許只改變輸入阻抗的虛部(無功)分量,從而使實部(電阻性)分量保持近似不變。與用戶的相互作用使天線的電感性更強,從而改變共振頻率。調諧比約為10:1的串聯電容性射頻-微機電系統陣列能夠補償這一強烈的電感響應,因此可以修正天線阻抗。
圖7顯示的是修正的天線阻抗(藍色)。不使用適應性天線匹配,阻抗將會具有極強的電感性(紅色)。在此圖中,不匹配天線的阻抗在50 Ω至50 * (1+j) Ω之間變化,相應的VSWR分別為1:1或2.6:1。如果是后者,20%的能量已被反射或轉化為熱量。此功率消耗會極大地縮短電池的使用壽命。

圖7:與射頻-微機電系統的阻抗匹配(圖中文字:使用可調匹配網絡可使天線阻抗保持在理想范圍內。(藍色線))
使用適應性天線匹配單元可將VSWR值補償至約1.2:1,相應的反射能量約為1%。
表2總結了測量的性能。目前適應性調諧電路的總能量消耗約為4.4 mW,但是將來可降低到低于1 mW。

表2:射頻-微機電系統模塊的性能
下一步是設計用于未來天線匹配模塊的平臺。第一個版本將由微控制器控制,從而保證適應性天線匹配模塊在標準手機內獨立運行。調諧網絡將會更加復雜,從而獲得更大的調諧區域,并允許更多不同類型的天線運行。功率消耗和空間要求也會降到最低。





