【導讀】在當前新能源汽車產業迅猛發展的大潮中,中國汽車芯片的國產化進程顯得尤為迫切和重要。隨著國家對自主可控技術的高度重視和支持,電機預驅技術正經歷著一場深刻的變革。從早期依賴分立元件和繼電器的控制方式,到現在向高度集成化的IC解決方案轉型,這一轉變不僅響應了市場對更高性能、更低成本、更小尺寸、更高安全性和更多元化功能的需求,同時也符合國家推動產業鏈自主可控、提升關鍵核心技術的政策導向。
摘要
在當前新能源汽車產業迅猛發展的大潮中,中國汽車芯片的國產化進程顯得尤為迫切和重要。隨著國家對自主可控技術的高度重視和支持,電機預驅技術正經歷著一場深刻的變革。從早期依賴分立元件和繼電器的控制方式,到現在向高度集成化的IC解決方案轉型,這一轉變不僅響應了市場對更高性能、更低成本、更小尺寸、更高安全性和更多元化功能的需求,同時也符合國家推動產業鏈自主可控、提升關鍵核心技術的政策導向。
上海類比半導體技術有限公司(以下簡稱“類比半導體”或“類比”)作為國內領先的模擬及數模混合芯片設計商,成功設計并生產了DR7808預驅芯片,不僅在技術層面實現了重大突破,更在實際應用中展現出卓越的性能和可靠性。DR7808預驅芯片以其優化的集成度和增強的功能性,能夠輕松應對當前汽車電子系統設計面臨的挑戰,同時高效滿足客戶在多樣化應用場景下的具體需求。
一、八半橋電機驅動DR7808:應對電機驅動的前沿挑戰
在新能源汽車領域,隨著車輛電氣化程度的加深,電機預驅技術面臨著前所未有的挑戰。傳統電機控制方法,如分立元件與繼電器的組合,逐漸顯露出局限性,無法滿足行業對高性能、成本效率、尺寸緊湊性、安全性和多功能性的新需求。在此背景下,類比半導體推出了DR7808八半橋電機驅動芯片,旨在解決行業痛點,推動技術進步。
與國際競品相比,DR7808不僅全面覆蓋了基礎功能,更在支持4路PWM信號輸入、過流保護閾值的精細化調節、高低邊驅動模式的智能切換、上下管握手邏輯的強化以及離線診斷與在線電流檢測等多個方面進行了深度優化和增強。這些創新設計,不僅滿足了客戶對靈活設計應用的追求,同時也確保了系統運行的穩定性和安全性。
表1 DR7808與國際主流競品參數對照表
表2 DR7808的產品參數與硬件框架
二、DR7808性能特點與技術創新
2.1 PWM4功能與應用:四路PWM驅動,覆蓋更多應用場景
對于座椅記憶功能及其他需要協調四個電機同步工作的應用,DR7808的EN_PWM4引腳展現出了其獨特的優勢。通過巧妙地設置CSA_OC_SH寄存器中的HB6_PWM4_EN位,EN_PWM4可以轉換成為第四個PWM輸入,專門用于驅動HB6橋臂。這一設計突破了行業界限,顯著區別于最大僅支持三個PWM通道的競品,為多電機同步控制開辟了新的可能性。
如下示意圖,我們簡單概述了PWM正向控制與反向控制的配置流程及信號流向。通過將EN_PWM4引腳映射至HB6,HB6內的HS和LS可根據HB6_MODE寄存器的設定轉換為有源MOSFET,進而實現PWM驅動下的正向與反向操作。當HB6由EN_PWM4信號驅動時,外部MOSFET的充電與放電過程受到精細化管理,而這一過程的靜態電流則由ST_ICHG寄存器中的HB6ICHGST位精準調控。
值得注意的是,EN_PWM4引腳在默認狀態下擔任芯片使能的角色。一旦HB6_PWM4_EN位被激活,即使EN_PWM4引腳被拉低,芯片也不會隨即進入禁用狀態。正常應用下,可通過SPI配置重新HB6_PWM4_EN為低來復位EN_PWM4引腳為芯片使能。同時VDD電源下電或是看門狗超時,HB6_PWM4_EN將被復位,EN_PWM4引腳將重新承擔起使能職責。隨后,當EN_PWM4引腳再次被斷言為低電平時,芯片將執行重置操作。為了確保系統的穩定性和可靠性,一個推薦的軟件實踐是在喂狗前連續讀取0x00寄存器三次,若讀取數據三次完全一致,則視為喂狗成功;相反,若未能滿足這一條件,則需將EN_PWM4引腳設置為高電平狀態,以防后續看門狗超時引發的意外重置。
圖1 正向PWM操作示例
圖2 反向PWM操作示例
2.2 柵極驅動與過流保護:精細調節與成本優化
DR7808芯片在柵極驅動電流調節與過流保護方面展現出卓越的性能。其過流保護門限覆蓋了從0.075V至2V的寬泛范圍,提供16檔精細調節,這一設計顯著優于競品0.15V至2V的8檔位調節范圍,使DR7808得以在小電流應用領域展現出色的適應性和安全性。
不僅如此,DR7808每個柵極驅動器能夠通過32個檔位精確控制1.0mA至約100mA的電流變化,這一特性直接挑戰了傳統做法中通過在門級驅動回路中串接不同阻值電阻來改變邊沿斜率,以減小MOS開啟瞬間電流尖峰的做法。DR7808的這一創新設計無需額外電阻,減少了外圍組件數量,從而降低了成本,簡化了設計流程,同時也使得調試工作變得更加便捷。
DR7808芯片在柵極驅動器設計上實現了對有源MOSFET和續流MOSFET的充電與放電電流的精密控制,具體配置步驟如下:
1.初始化配置:首先,通過設置GENCTRL1寄存器中的REG_BANK位,確定即將訪問的控制寄存器組。
2.有源MOSFET電流控制:
充電電流:利用PWM_ICHG_ACT寄存器(當REG_BANK=0時),精確設定有源MOSFET的充電電流。
放電電流:通過PWM_IDCHG_ACT寄存器(同樣在REG_BANK=0時),配置有源MOSFET的放電電流。
3.續流MOSFET電流控制:借助PWM_ICHG_FW寄存器(在REG_BANK=1時),同時配置續流MOSFET的充電和放電電流,確保其在PWM操作下的性能最優。
圖3 PWM操作時可配置的放電電流
圖4 PWM操作時可配置的充電電流
2.3 高級檢測與保護機制:確保H橋驅動的穩定與安全
2.3.1 上下管死區控制與保護優化
在H橋功率驅動應用中,上下管的死區控制是確保系統穩定性和安全性的關鍵環節。傳統方法依賴于MCU算法計算死區時間,采用軟件方式進行控制,然而在極端條件下,這種做法的可靠性備受質疑。例如,死區時間設置不當、Cgd對柵極電壓的耦合效應、極限占空比等因素都可能導致上下管同時導通,引發系統故障。
針對這一挑戰,類比半導體在DR7808芯片中引入了一系列創新技術,包括動態死區監控、柵極Hardoff抗耦合、PWM占空比補償和極限占空比補償,以解決傳統方法的不足。用戶只需簡單設置相關參數,芯片內置的握手檢測機制便會通過電壓邏輯判斷,當上橋MOS開啟時,自動對下橋MOS實施內部Hardoff電流強下拉,確保在任意死區配置下,上下橋MOS絕不會同時開啟,從而實現系統運行的穩定與可靠。
2.3.2 豐富診斷保護機制示例
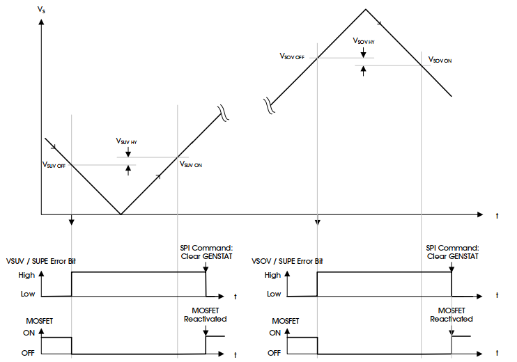
DR7808芯片配備了全面的診斷與保護機制,以應對各類潛在故障。以下以供電電壓VM異常為例,展示芯片的響應流程:
當供電電壓VM從正常值12V驟降至4.5V時,芯片立即觸發欠壓保護機制。
在數據格式中,0x08的Global status Byte(GEF)值表明SUPE位被置1,芯片檢測到Power error,并自動上傳故障標志。
同時,General Status Register將提供更詳盡的故障信息,確保故障狀態的及時上報與處理。
圖5 VM過壓欠壓下的輸出行為
圖6 VM欠壓時的GEF數據捕獲及上傳
2.4 Off-brake保護機制:守護電機與系統安全
在特定工作場景下,如工廠裝配線上的尾門自動調整或座椅折疊過程,若電池未能及時為控制板供電,電機在運動中產生的反向電動勢(Back EMF)可能逆向流入電源端,對周邊電路元件構成威脅,尤其是對敏感的TVS(瞬態電壓抑制器)和MOSFET造成潛在傷害。為應對這一挑戰,DR7808芯片集成了off-brake保護功能,有效地化解了這一風險。
當DR7808芯片處于passive模式時,其內置傳感器持續監測供電電壓VS。一旦檢測到VS電壓超過安全閾值32.5V,芯片即刻響應,自動啟動LS4至LS1的MOSFET,迫使電機迅速進入剎車狀態。這一動作迅速削減了反向電動勢,避免了電機的非計劃旋轉,同時保護了系統免受高電壓沖擊。
隨后,系統將自動監控VS電壓的下降趨勢,直至其穩定降至30V以下。此時,off-brake機制自動解除,LS4至LS1的MOSFET隨之關閉,恢復正常操作狀態。這一連貫的off-brake保護過程確保了VS電壓始終保持在安全范圍內,有效防止了TVS和MOSFET因過壓而損壞,維護了整個系統的穩定性和安全性。
圖7 off-brake保護機制波形
2.5 離線診斷機制:精密檢測與故障排查
DR7808芯片通過離線狀態診斷功能,能夠精準實現輸出端對電源短路、對地短路以及負載開路的檢測,這一機制在設計上獨具匠心,為每個MOSFET的柵極驅動器提供了上拉電流(典型值為500μA),并在驅動器激活狀態(BD_PASS=0)時,于SHx引腳處提供下拉電流(典型值為1000μA),確保了診斷過程的穩定與精確。
2.5.1 診斷步驟與原理
MOSFET對地短路檢測:設置BD_PASS=0,HBx_MODE為00b或11b,并激活HBxIDIAG=0,同時開啟內部上拉電流,將SHx電壓拉至接近VDRAIN。待一定時間后,通過讀取HBxVOUT寄存器,若其值為0b,則表明MOSFET存在對地短路現象。
MOSFET對電池短路檢測:同樣將BD_PASS設為0,HBx_MODE配置為00b或11b,但此時HBxIDIAG應設為1,以啟用內部下拉電流,將SHx電壓拉至接近SL。隨后,讀取HBxVOUT寄存器,若讀得值為1b,則說明MOSFET與電池相連,存在短路狀況。
空載檢測:此步驟涉及HBx與HBy之間的電機連接檢測。首先,將BD_PASS設為0,HBx_MODE與HBy_MODE均配置為00b或11b,HBxIDIAG設為0以激活HBx通道的上拉電流,同時HBy通道的HBxIDIAG設為1以啟用下拉電流。等待一段時間后,讀取HBxVOUT和HByVOUT寄存器。若電機正常連接,SHx與Shy均會被下拉至SL,此時HBxVOUT與HByVOUT讀數均為0b;若電機斷開,SHx將被上拉至VDRAIN,而Shy則下拉至SL,HBxVOUT讀數為1b,HByVOUT讀數為0b。
值得注意的是,上述離線檢測功能的有效發揮,需滿足橋驅動程序處于活動狀態(即BD_PASS=0),并且相應半橋處于斷開模式(HBxMODE=00b或11b)的前提條件。每個柵極的下拉電流驅動器由HBIDIAG寄存器中的控制位HBxIDIAG激活,這一精細控制確保了診斷過程的準確執行。在微控制器執行離線狀態診斷時,為確保檢測的準確性,相關半橋的VDSOV閾值橋接器需通過軟件配置,設置為2V的標稱值。這一配置步驟是實現離線診斷功能的關鍵,確保了檢測過程中的信號穩定與結果的可靠性。
通過以上精心設計的配置步驟,微控制器能夠準確獲取HBxVOUT的狀態,從而高效、可靠地完成離線診斷任務,為設計者提供了強大而實用的故障排查工具,增強了DR7808芯片在復雜應用場景下的適應能力和系統維護的便利性。
2.6 精準電流檢測:實時監測與優化
DR7808芯片內部集成了兩個高精度CSA電流檢測運放,其在offset精度上展現出色表現,誤差僅約1mV,這一特性顯著優于國際大廠競品。芯片設計的靈活性體現在其支持多種電流檢測方式,既可在電源端串聯檢流電阻,亦可在接地端使用分流電阻,甚至在電機內部串聯分流電阻進行檢測,其中電機端檢測的獨特優勢在于能夠實時監測雙向電流,確保了電機運行狀態的全面掌握。
為避免PWM信號引起電流檢測運放輸入端的高共模電壓擺動,建議將PWM信號應用于未連接分流電阻的半橋端。這一布局方式可有效減少信號干擾,確保電流檢測的準確性與穩定性。如圖8所示,展示了PWM與分流電阻在電機中的典型應用布局,直觀地呈現了這一優化連接策略。
圖8 PWM和分流電阻應用在電機示意圖
在某些應用場景下,PWM信號不可避免地需要應用于分流電阻所在的半橋。此時,為消除高共模電壓跳變導致的CSA輸出電壓毛刺,應通過設置CSAx_SH_EN寄存器(x=1,2)啟用CSA PWM抑制功能。同時,CSAx_SEL寄存器的配置需指向需采樣的半橋,確保在PWM切換期間,CSA輸出保持采樣狀態,有效避免電壓毛刺的產生。采樣與保持時間由tcp與tblank決定,這一機制進一步提升了電流檢測的精度與可靠性。
三、DR7808:拓展應用的無限可能
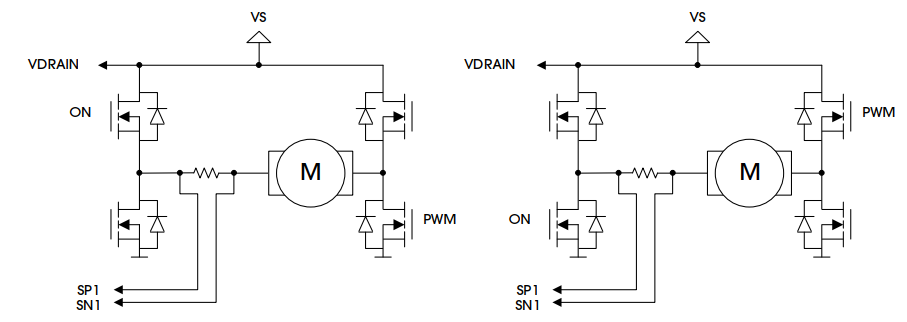
DR7808芯片憑借其8個獨立可控的半橋設計,展現出了卓越的靈活性與拓展性。每個半橋的上下管均可獨立控制,意味著單顆芯片即可支持高達4個H橋配置,或靈活配置為8路高邊驅動或低邊驅動。這一設計突破了傳統方案的局限,為設計人員提供了前所未有的自由度,尤其是在功能域場景中,能夠滿足大量高邊或低邊驅動的需求。
傳統應用中,大量高邊驅動通常依賴于分立器件,如達林頓管和繼電器的組合。然而,這些方案存在明顯的缺點,包括器件面積大、機械開關壽命短、噪聲問題以及高壓觸點粘連風險,加之需要額外電路實現保護功能,增加了設計的復雜性和成本。相比之下,DR7808的高度集成化設計展現出顯著優勢,不僅提供了單芯片8路高邊或低邊驅動的能力,還內建了豐富的保護機制,涵蓋過流、過壓、欠壓和過溫等多重防護,配合SPI通信故障診斷上傳機制,為系統級功能安全奠定了堅實的基礎。
在高低邊應用中,DR7808的設計團隊特別針對不同場景進行了優化,當用于高邊應用時,可以省略低邊MOS的使用,反之亦然。這一設計上的考量不僅簡化了電路布局,還大幅降低了物料成本,提升了系統的整體性價比。在擁有大量高低邊設計需求的場景下,DR7808相比國際競品展現出更加明顯的優勢,無論是成本控制還是性能表現,均能脫穎而出。
圖9 DR7808設計及應用場景
四、總結
類比半導體的電驅產品系列,以其與市面上通用產品BOM的無縫兼容性,不僅簡化了軟件設計流程,還確保了硬件設計的簡潔高效,為行業樹立了全新的設計標準。在性能層面,我們超越了市場上的競爭對手,不僅在關鍵指標上領跑,更深入挖掘客戶需求,引入了一系列創新功能,直擊行業痛點,重塑電機驅動領域的技術格局。
作為類比半導體電驅產品線的杰出代表,DR7808八半橋預驅芯片憑借其卓越的電流精度、強化的握手邏輯、出色的穩定性和可靠性,完美貼合了市場對多電機控制日益增長的需求。在汽車工業邁向智能化與中央集成化的大趨勢下,DR7808以其獨特的優勢,不僅為客戶提供了一站式解決方案,包括GUI軟件和C語言底層驅動在內的完整技術服務,更助力客戶產品在全球競爭中脫穎而出,為智能出行時代注入強勁動力。
我們誠摯邀請行業伙伴共同探索電驅技術的無限可能,類比半導體承諾以專業、創新的態度,與您一同迎接挑戰,把握機遇,共創智能出行的美好未來。熱烈歡迎來電洽談合作,讓我們攜手書寫電驅領域的嶄新篇章,引領行業邁向更高成就。
(來源:類比半導體)
免責聲明:本文為轉載文章,轉載此文目的在于傳遞更多信息,版權歸原作者所有。本文所用視頻、圖片、文字如涉及作品版權問題,請聯系小編進行處理。
推薦閱讀:
2024全數會從深圳出發,引領全球數字經濟產業新風向標,預約免費門票!





