【導讀】本文將探討實際的開關電源產生的噪聲。首先,使用同步整流型降壓DC/DC轉換器的等效電路來了解一下開關電流的路徑。
本文將探討實際的開關電源產生的噪聲。
開關電源產生的噪聲
首先,使用同步整流型降壓DC/DC轉換器的等效電路來了解一下開關電流的路徑。

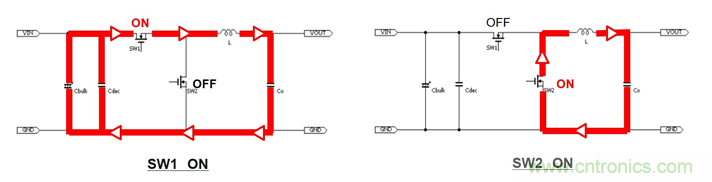
SW1為高邊開關,SW2為低邊開關。SW1導通(SW2為OFF)時,電流路徑是從輸入電容器到SW1、再經由電感L到輸出電容器。SW2導通(SW1為OFF)時,電流路徑是從SW2經由L再到輸出電容器。下圖表示這些電流路徑的差分,每當開關ON/OFF時,紅色線路的電流都會急劇變化。該環路的電流變化非常劇烈,所以會因PCB板布線電感而在環路內會產生高頻振鈴。

圖中表示構成電源電路的外置部件、實裝多層電路板的寄生分量及振鈴的關系。

紅色部分標出的是上圖所表示的電流在急劇變化的環路中的寄生分量。布線中存在布線電感,通常每1mm有1nH左右的電感。另外,電容器中存在等效串聯電感ESL,MOSFET的各引腳間存在寄生電容。因此,如紅框內的圖例所示,開關節點將產生100MHz~300MHz的振鈴。所產生的電流及電壓,可通過兩個公式求得。
此振鈴會作為高頻開關噪聲帶來各種影響。雖然有采取相應的措施,但由于無法從電源IC處去除安裝電路板的寄生分量,因此只能通過PCB板布局設計及采用去藕電容來解決。關于PCB板布局,在DC/DC轉換器的“PCB板布局”部分有詳細介紹,請參考。

關于差模噪聲和共模噪聲,請點擊這里了解詳情;關于串擾,在這里有詳細介紹。關于共模濾波器,將在后續章節進行介紹。
(來源:ROHM,作者:ROHM)
免責聲明:本文為轉載文章,轉載此文目的在于傳遞更多信息,版權歸原作者所有。本文所用視頻、圖片、文字如涉及作品版權問題,請電話或者郵箱聯系小編進行侵刪。




