【導讀】LTC3892是一款通用控制器,廣泛應用于汽車和工業應用領域。該控制器的主要優點是能夠通過調節開關 MOSFET的柵極電壓降低功耗,并且在關斷時具有極低的靜態電流,僅為 3.6 μA。
高電壓LTC3892系列控制器縮減了 DC/DC 轉換器成本和尺寸
LTC3892是一款通用控制器,廣泛應用于汽車和工業應用領域。該控制器的主要優點是能夠通過調節開關 MOSFET的柵極電壓降低功耗,并且在關斷時具有極低的靜態電流,僅為 3.6 μA。
這是一款具有 4.5 V 至 60 V 輸入/輸出電壓范圍的高電壓系列控制器。它對工業客戶非常有吸引力,因其能在 48V 輸入電源軌應用中采用成本更低的緊湊降壓型轉換器替代昂貴、笨重的變壓器。高電壓控制器通過免除外部瞬態和過壓保護電路簡化了整體設計,從而顯著降低了 12 V 和 24 V 輸入軌應用中汽車電子設備的成本。
電路說明和功能
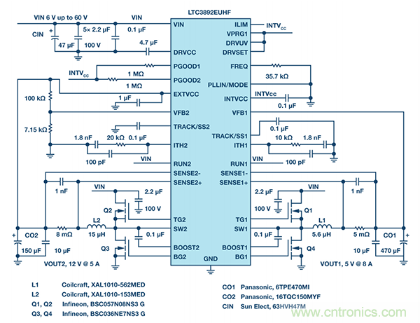
圖 1 示出了一款雙輸出降壓型轉換器,VOUT1 為 5 V/8 A,VOUT2為 12 V/5 A。該轉換器采用了 LTC3892,此控制器可提供 32 引腳 QFN 封裝,并擁有以下功能:電流檢測電壓范圍可通過 ILIM引腳設置、VPRG1引腳能夠在無需使用外部電阻分壓器的情況下將輸出電壓設定為 3.3 V 或 5.0 V、PGOOD引腳用于指示兩個輸出的電源良好。LTC3892 還通過在發生過壓時接通底端 MOSFET為兩個通道提供輸出過壓保護。此芯片通過實施折返電流限制提供針對短路情況的保護。

圖 1. LTC3892 應用于一款雙輸出 DC/DC 轉換器 (VOUT1 為 5 V/8 A,VOUT2 為 12 V/5 A) 時的電原理圖。
第一個通道的功率鏈路包括 MOSFET Q1、Q4、電感器 L1 和一個基于 CO1 的輸出濾波器。第二個通道的功率鏈路包括 MOSFET Q2、Q3、電感器 L2 和一個基于 CO2 的輸出濾波器。MOSFET 不是邏輯電平器件,引腳 DRVUV 和 DRVSET 連接至 INTVCC,以提供一個 10 V 柵極驅動電壓。引腳 VPRG1 連接至 INTVCC,以在第一個通道上選擇 5 V 輸出電壓。圖 2 示出了轉換器的效率。DC1998A 用于測試。

圖 2. 雙輸出 DC/DC 轉換器的效率曲線。
圖 3 示出一款單輸出、雙相降壓型轉換器。該轉換器采用了LTC3892-2,這是一款擁有32引腳QFN封裝的控制器,具有與LTC3892類似的功能。但是兩個保護電路被禁用:沒有過壓保護,也沒有由短路禁止電路提供的保護。該芯片可用于高功率電池充電器應用,此類應用不會用到也不需要這些保護功能。

圖 3. LTC3892-2 應用于一款單輸出 DC/DC 轉換器 (VOUT 為 12 V/30 A) 時的電原理圖。
LTC3892-2的另一個優點是它能夠在與外部時鐘同步的同時支持脈沖跳躍操作模式。這提高了輕負載運行時的效率。
如需將雙輸出控制器轉換為單輸出,則將一個通道的 ITH、FB 和RUN 引腳連接至第二個通道的對應引腳。通過設定從 DRVSET 引腳引出的電阻器 RG 將 DRVCC 的柵極電壓選擇為 9 V,可以最大限度降低柵極損耗。圖 4 示出了單輸出轉換器的效率。DC2493A用于評估。

圖 4. 單輸出 DC/DC 轉換器的效率曲線。
該系列的最后一款 IC 是 LTC3892-1。這款芯片的引腳數目較少,采用 28 引腳 TSSOP 封裝,不具備 PGOOD 功能,而且沒有可選的電流限制,但是它提供了過流和過壓保護。
結論
LTC3892 系列控制器可以在高輸入/輸出電壓、高功率應用中成功使用。LTC3892 和 LTC3892-1 具備設計全功能型 DC/DC 轉換器所需的各種保護特性。LTC3892-2 是高功率充電器應用的理想選擇。
免責聲明:本文為轉載文章,轉載此文目的在于傳遞更多信息,版權歸原作者所有。本文所用視頻、圖片、文字如涉及作品版權問題,請電話或者郵箱聯系小編進行侵刪。



