【導讀】為了應對氣候變化,降低出行壓力,國家出臺了一系列的政策,包括實施了”國六“的排放標準,外界把”國六“排放稱作” 史上最嚴“排放標準。事實上,自從“國六”標準推行以來,很多車主表示,尾氣排放是減少了一半,但汽車動力也明顯比以前減少了,甚至油耗都增加了。汽車減排降油耗勢在必行。為實現這一目標,其中一種方式就是采用混合動力,即在汽油或柴油車輛的傳動鏈中添加一個由第二個電池驅動的電動機。

傳統的電子化采用一個高壓電池,電壓通常在300~400 V之間的,耦合至高性能電動機。這些“全混合動力”汽車可顯著提高燃油效率,但也會大大增加成本和車身重量。而“插電式”混合動力汽車,即電池通過交流電源插座充電,也具有類似的缺點。
一種替代方案是“輕度混合動力汽車”(MHEV),它采用48 V小型電池驅動電動機,既可以實現更快的加速和更大的低端扭矩,同時仍能提高燃油經濟性,并且只會適度提高成本和復雜度。輕度混合動力系統的優勢備受廣大消費者的青睞,據IHS Markit分析師預測,到2025年,48 V輕度混合動力汽車將占據混合動力汽車銷量中的近50%。48 V系統的成本更低,因此也對汽車制造商極具吸引力。
增加了48 V鋰離子電池意味著MHEV為雙電壓汽車,這也造成了其獨有的設計挑戰,主要在如何在管理電池充放電循環的同時維持系統效率。在本文中,我們將討論這些挑戰,并探討使用汽車功率模塊以及基于寬禁帶技術的新型寬帶隙晶體管能為功率轉換器帶來哪些益處。
48 V架構
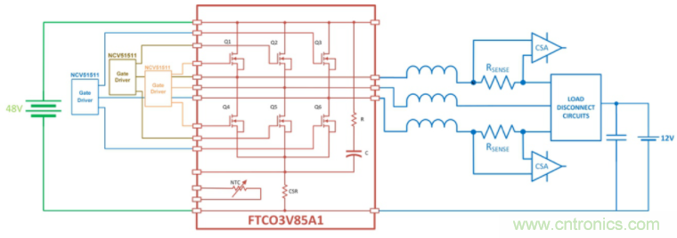
最基本的混合動力系統(參見下方圖片)包括電池、集成起動發電機 (ISG) 、48 V至12 V轉換器以及1個或多個48 V負載,就如一個穩定系統。由于48 V輕度混合動力系統保留了12 V電池和多個12 V負載,所以這些系統將在可預見的未來繼續采用雙電壓架構。

48 V輕度混合動力系統
ISG負責車輛的動力供應、車輛啟動以及制動期間的能源回收。
除了沒有12 V交流發電機,系統的12 V電池部分保持原樣。由于ICE中沒有12 V電源發電機,因此需要使用雙向轉換器實現48 V系統與12 V系統之間的電源轉換。
MHEV雙向轉換器工
該雙向轉換器具有多種工作模式。在車輛啟動期間,ISG由48 V鋰離子電池供電。如果48 V電池電量不足或無法提供足夠的電力(例如,由于低溫),轉換器將在升壓模式下工作,利用12 V電池提供額外的啟動電流。通常情況下,發動機啟動/停止功能將被禁止,直至所有系統均達到正常的工作溫度,此時車輛將開始正常重新啟動。
當車輛達到正常溫度并正在行駛,但無需額外加速時,轉換器將在降壓模式下工作,以便使用48 V電池為12 V電池充電,并為12 V負載供電。當需要額外電力時,轉換器將再次切換至升壓模式,以便為ICE提供補充電力,降低燃油消耗和整體排放量。
轉換器拓撲結構
48 V至12 V轉換器通常具有(1~3) kW的寬功率范圍。為了在此范圍內保持高能效,多級交錯式降壓-升壓轉換器是最受歡迎的選擇。
降壓拓撲結構提供壓降,在本例中為48 V至12 V的壓降,而升壓拓撲結構提供相反的功率轉換。同步拓撲結構在2種模式下使電源開關在大部分時間內保持全開狀態,從而提高轉換器的總體效率。
多相交錯式設計并聯連接幾個相同的轉換器相位(單相示例參見下方圖片“雙向轉換器-單項”),以此充當單個高功率轉換器。在重載情況下,所有相位都工作,但在輕載期間,可使用電池斷路開關關閉一些負載,從而降低損耗,提高效率。每個相位都會產生相位角略有不同的輸出電流,從而減少了輸出電容的紋波。使用交錯式轉換器,而非單個大型轉換器,意味著每個相位的電流都更小,從而減少電源開關、導體和電感上的應力(參見下方圖片“配置中的多相降壓 - 升壓轉換器")。

雙向轉換器 - 單相

交錯式配置中的多相降壓 - 升壓轉換器
此類轉換器中的主要模塊包括電源斷路開關、降壓-升壓半橋、電流感測級、主電感和負載斷路開關。
同步降壓-升壓轉換器實際上是將兩個開關電路合并成單級電路。電源開關控制主能量轉換元件(電感)中的電流流動。電感電流是需要控制的主要變量,因為它對確保出色的系統精度至關重要。
電感電流的方向決定了電源電流方向,從而決定了接收電流的電池。系統控制器通過生成適當的開關模式來確定電流方向(參見下方圖片)。

基本的降壓-升壓轉換
轉換器設計
表1中概述了所需的主要電路元件。電源斷路級和負載斷路級都可使用分立式MOSFET或集成式MOSFET功率模塊。這些級的主要用途就是通過使用背靠背開關配置,將每個交錯級的輸入和輸出分別與其他級以及48 V(源)和12 V(負載)電池隔離開來。由于這些MOSFET均在浮動電壓電勢下工作,每個器件均由具有高壓側驅動功能的柵極驅動器控制。MOSFET可能需要保持更長時間的導電性,因此必須能夠100%及時導電。
表1 適用于雙電壓MHEV系統的降壓-升壓轉換器主要功能模塊

降壓-升壓級是轉換器的核心,包含兩個采用半橋配置且連接至功率電感的MOSFET器件。這些MOSFET必須由可單獨封裝或聯合封裝至雙驅動器IC中的高壓側和低壓側柵極驅動器控制。或者,可使用小型汽車功率模塊 (APM) (參見下方圖片)實現該級。

基于汽車功率模塊的設計
安森美半導體的這款集成式功率模塊采用符合AEC要求的小型封裝,具有低熱阻、低內部電阻和更高的EMI性能。該實現中未使用電源斷路電路;對于個別的相位隔離,可以使用負載斷路電路。
主功率電感存儲每個轉換器相位的能量,并將傳輸至任一電池。轉換器控制器負責控制兩個確定電流方向的主開關。為了使該級正常運行,必須準確地測量電流,以適當地調整主電感電流。最好使用基于分流電阻的電流感應放大器,因為其誤差極低。
通過使用高精度分流電阻,我們可以測量非常小的差分電壓,通常為幾十或幾百mV,而分流電壓本身可以在0~48 V對地電壓之間變化。這種巨大的差異意味著,放大器必須放大較小的差分信號,并提供較高的共模電壓抑制比,同時能夠耐受高達80 V的瞬變電壓。因此,必須小心地選擇3個放大器規格:
● 共模電壓范圍(越寬越好);
● 輸入失調電壓(越小越好);
● 共模抑制比(越高越好)。
在傳統的運算放大器中,輸入端電壓限制在供電軌電壓±0.6 V的范圍內,因此大大限制了共模電壓范圍。近年來,專用的電流感應放大器提供了更大的共模電壓范圍,高達80 V。它們還提供高精度、低至10 µV的失調電壓,能支持準確度高且快速的電流監控系統。
使用寬禁帶的轉換器設計
隨著汽車應用對尺寸和效率的要求不斷提高,寬禁帶 (WBG) 器件(如安森美半導體的產品)成為標準硅器件的替代品。寬禁帶器件可以提高效率并縮小尺寸,同時降低系統總成本。
由于寬禁帶器件可以顯著降低開關損耗,因此使用寬禁帶的降壓轉換器可實現數倍于典型硅功率晶體管的轉換速度,從而最大限度地減少了頻率范圍內可能影響AM無線電接收的電磁干擾。此外,寬禁帶晶體管不存在反向恢復損耗,因此不會在硬開關轉換期間出現大電流尖峰和功率損耗。
總結
隨著大量新型輕度混合動力汽車的普及,越來越多的汽車配備了48 V電池子系統,從而需要使用48 V至12 V轉換器。雖然可以使用許多不同的轉換器拓撲結構,但雙向交錯式同步降壓/升壓轉換器由于其簡單高效性而成為使用最廣泛的結構。
該拓撲結構也可以設計為多個交錯式相位,從而能夠在較大的工作范圍內實現高效率。這一點非常重要,因為12 V車輛負載會隨著時間推移出現非常大的變化,即使轉換器需要能夠在最大負載條件下工作,但它卻很少長時間保持在此負載條件下。當負載較輕時,轉換器將關閉不必要的交錯式相位,以降低損耗,保持高效。
作者:John Grabowski,安森美半導體電源方案部門 首席應用和市場工程師
免責聲明:本文為轉載文章,轉載此文目的在于傳遞更多信息,版權歸原作者所有。本文所用視頻、圖片、文字如涉及作品版權問題,請聯系小編進行處理。
推薦閱讀:



