【導讀】對于電工來說,接觸器是最常見的電器元件了,可以說無處不在。如電動機的點動、自鎖控制。
我們先來看接觸器的外形和構(gòu)成,如下圖

如上圖所示,接觸器共有六個主觸點,1,3,5為主觸點進線孔,2,4,6為主觸點出線孔,A1,A2為接觸器線圈的兩個接線端子,在接觸器的主觸點的稍下方。也有的接觸器A2有兩個接點,我們在運用的時候隨便接哪一個都行。線圈接線不分零火。
這里特別要注意的是,不管是什么接觸器,都要注意他們的線圈電壓,如下圖

每一件接觸器在線圈接線端子地方都會有這樣的標識,還請各位一定要注意,接錯了這個線圈就廢了。。
當線圈得電時吸合,主觸點和輔助觸點吸合,當線圈斷電時斷開,主觸點和輔助觸點斷開,這是我理解的接觸器的工作方式。
來看一下接觸器在電路中是怎樣表示的,下圖為接觸器主觸點在電路圖中的表示

常開觸點如下

常閉觸點如下

線圈如下

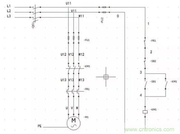
接下來我們看一下是怎么應用的,先看一下一個帶有過載保護的接觸器自鎖控制的電路

接著看看是怎么運行的
合上電源開關(guān)QS1,三相電源經(jīng)過保險FU1來到接觸器km的輸入端1,3,5,然后通過接觸器的輸出端2,4,6,來到熱繼電器的主觸點輸入端再從熱繼電器的輸出端輸送到電機,完成的是主電路,如果要實際接線的話,可以按照上圖中線號的標注來接線,這樣不會迷糊。
控制回路:合上開關(guān)后,控制電源L2流經(jīng)fu2直接來到接觸器km的線圈。另外一條控制線L1,經(jīng)過保險fu2來到熱繼電器的常閉輸入點,然后從熱繼電器的常閉輸出點來到停止按鈕SB2的輸入點,然后從SB2的輸出點分兩條,一條進啟動按鈕SB1的輸入點,一條進接觸器輔助觸點常開點的輸入端,最后從啟動按鈕的輸出端和接觸器輔助觸點常開點的輸出端并一條線接到接觸器的線圈,跟控制線L2形成回路。
簡單說一下它的控制原理:啟動時按下啟動按鈕SB1,接觸器的線圈得電吸合并帶動其主觸點和輔助觸點同時吸合,電動機運轉(zhuǎn)。松開SB1,由于常開點閉合接通了通往線圈的電源,所以線圈依然吸合,并形成自鎖,電動機依然運轉(zhuǎn),這就是接觸器的自鎖線路。停機時只要按下停止按鈕SB2,即可切斷接觸器線圈的電源,接觸器線圈斷電釋放,斷開通往電動機的三相電源,電動機停止運轉(zhuǎn)。
接觸器互鎖的電動機正反轉(zhuǎn)控制線路圖如下

正反轉(zhuǎn)的控制回路只是在KM1的正轉(zhuǎn)回路上增加了一個KM2的常閉輔助觸點,同時也在KM2的反轉(zhuǎn)回路上增加了一個KM1的常閉輔助觸點,這就是所謂的互鎖電路
要想讓電機正反轉(zhuǎn),就要調(diào)換三相電源對電動機三相繞組的控制,才能完成,所以要注意看一下主回路的接線,請仔細看一下上圖中兩個接觸器接線有哪些不同。


