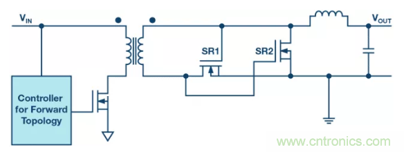
【導讀】在大多數降壓調節器的典型應用中,使用有源開關而非肖特基二極管是標準做法。這樣能大大提高轉換效率,尤其是產生低輸出電壓時。在需要電流隔離的應用中,也可使用同步整流來提高轉換效率。圖1所示為副邊同步整流的正激轉換器。
如何提高隔離式電源的效率?
在大多數降壓調節器的典型應用中,使用有源開關而非肖特基二極管是標準做法。這樣能大大提高轉換效率,尤其是產生低輸出電壓時。在需要電流隔離的應用中,也可使用同步整流來提高轉換效率。圖1所示為副邊同步整流的正激轉換器。

圖1. 正激轉換器的自驅動同步整流
驅動開關進行同步整流可以通過不同方式實現——
一
一種簡單的方法,涉及到跨越變壓器副邊繞組來驅動。如圖1所示。本例中,輸入電壓范圍可能不是非常寬。使用最小輸入電壓時,SR1和SR2的柵極需要有足夠的電壓,以便開關能夠可靠地導通。為確保MOSFET SR1和MOSFET SR2的柵極電壓不超過其最大額定電壓,最大輸入電壓不能過高。
在所有帶同步整流的電源中,電路中可能會產生負電流。例如,若電路輸出端電容在電路通電之前便已預充電,則電流可能會從輸出側流向輸入側。負電流可能會提高MOSFET SR1和MOSFET SR2的電壓,致使其受損。務必小心保護開關,避免受此類事件影響。
二
圖2顯示一種利用LT3900實現同步整流的方法。此控制器驅動正激拓撲中的同步整流開關SR1和SR2。

圖2. 帶專用驅動器IC的正激轉換器的同步整流。
這種設想很有效。但是,LTC3900需要防止負電流流過外部開關。首先,器件需要快速檢測負電流;然后,SR1和SR2開關需要迅速斷開。為防止在啟動期間或可能的突發模式中發生電路受損,這樣的做法很有必要。
三
圖3顯示了一種采用新型ADP1074的非常優雅的電路設計。輸出電壓信息通過反饋引腳檢測。為防范某些情況下(例如輸出電壓已預充電時)負電流流過SR1和SR2開關的風險,同步整流未激活。兩個開關的體二極管執行整流。這樣便可防止開關受損。利用ADP1074內置的i Coupler®技術,可實現無負電流流動的安全操作。

圖3. 通過與ADP1074完全集成實現正激拓撲的同步整流。
這3個“秘方”有沒有幫到您呢?歡迎在下方留言,給出您的觀點哦
ADP1074
● 電流模式控制器,實現有源鉗位正激式拓撲
● 集成 5 kV(寬體 SOIC 封裝)或 3.0 kV(LGA 封裝)電介質額定絕緣電壓,采用 ADI 公司的 iCoupler 專利技術
● 寬電源電壓范圍
● 原邊 VIN:高達 60 V
● 副邊 VDD2:高達 36 V
● 用于電源開關和有源鉗位復位開關的集成 1A 原邊 MOSFET 驅動器
● 用于同步整流的集成 1A 副邊 MOSFET 驅動器
● 集成誤差放大器和 < 1% 精密基準電壓
● 可編程斜率補償
● 可編程頻率范圍:50 kHz 至 600 kHz(典型值)
● 頻率同步
● 可編程最大占空比限值
● 可編程軟啟動
● 從預充電負載開始平穩啟動
● 可編程死區
● 使用 MODE 引腳的省電輕負載模式
● 短路、輸出過壓和過溫保護等保護功能
● 逐周期輸入過流保護
● 具有遲滯特性的精密使能 UVLO
● 用于系統標記的 PGOOD 引腳
● 副邊跟蹤功能
● 遠程(副邊)關斷/復位功能
● 安全和法規認證(申請中)
● DIN V VDE V 0884-10 (VDE V 0884-10):2006-12
● VIORM = 849 V 峰值
● VIORM = 560 V 峰值(適用于 LGA 封裝)
● 1 分鐘 5000 V rms,符合 UL 1577 標準
● UL 認證:
● CSA 元件驗收通知 5A
● VDE 合格證書
● CQC 認證符合 GB4943.1-2011
● 提供 24 引腳 SOIC_W 和 24 引腳 LGA 封裝


