【導讀】功率變換器中的功率磁性元件的作用起到磁能的傳遞和儲能作用,是必不可少的元件。特點是體積大、重量大、損耗大、對電路性能影響大。并且具有一定的挑戰性,就是對變換器功率密度影響很大,成為發展瓶頸。
功率變換器中的功率磁性元件的作用起到磁能的傳遞和儲能作用,是必不可少的元件。特點是體積大、重量大、損耗大、對電路性能影響大。并且具有一定的挑戰性,就是對變換器功率密度影響很大,成為發展瓶頸。
功率變換器中的功率磁性元件

作用:起到磁能的傳遞和儲能作用,是必不可少的元件。
特點:體積大、重量大、損耗大、對電路性能影響大。
挑戰:對變換器功率密度影響很大,成為發展瓶頸。
功率變換器技術與磁性元件
拓撲:正激、反激、推挽、全橋移相、LLC等,磁集成,磁耦合;
控制:控制芯片+控制電路,變壓器環節+濾波器環節;
封裝:PCB繞組、繞組+同步MOS、超薄磁元件;
元件:有源器件、電容、磁性元件(設計+定制);
仿真:電路模型、器件模型(IC、MOS、Diode、Cap、磁性元件);
電磁兼容:布板、EMI濾波器、分布參數、近場耦合;
制造:自動化,磁性元件(人工制作);
品質:磁性元件測試,失效分析。
磁性元件的模型

變壓器模型

電感器模型

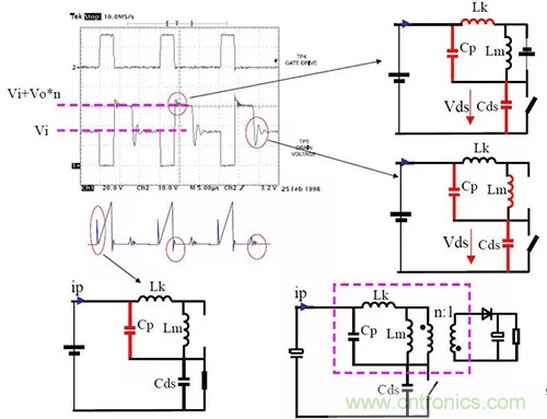
反激變換器實際工作波形

DCM下波形與變壓器參數

CCM下波形與變壓器參數

電感分布電容EPC對損耗的影響

變壓器中的磁場/渦流場分布特性

銅箔導體的渦流損耗特性

降低變壓器的繞組損耗--基本結構考慮

不同繞組結構的磁場和電流密度分布

繞組的分布電容EPC

電感繞組分布電容的形成機理
電感繞組不同繞法對分布電容的影響

分布電容計算的基本方法

線圈分布電容的近似理論計算

多層線圈的分布電容

帶屏蔽層的繞組分布電容

分段繞組的分布電容特性

變壓器內部的電荷分布情況與分布電容

有屏蔽層變壓器內部的電荷分布情況

變壓器副邊電荷的抵消設計

結論
磁性元件技術對功率變換器是十分重要的;磁性元件的分布參數對電路性能(效率,功率密度和可靠性)具有重要的影響;從磁性元件內部的磁場、電場和渦流場層次,可以更深入完整地理解磁性元件的各項參數。




