【導讀】 在過去的幾年間,無線充電市場蓬勃發展,無線充電標準趨于整合,并且不斷有新的供應商和新產品涌現。與此同時,一些技術的發展也取得了令人振奮的成果,下面就與大家一起討論無線充電技術現在的發展情況以及未來的展望。
在過去的幾年間,無線充電市場蓬勃發展,無線充電標準趨于整合,并且不斷有新的供應商和新產品涌現。與此同時,一些技術的發展也取得了令人振奮的成果,下面就與大家一起討論無線充電技術現在的發展情況以及未來的展望。

圖1:感應式無線充電廣泛應用于消費電子產品,但是需要發射和接收線圈精確對齊才能工作
無線充電也稱為無線電力傳輸(WPT),在一些消費級可穿戴產品中可謂是風靡一時,比如智能手機、智能手表和健康手環等,但是這個創意本身已經存在一個多世紀的時間了。著名的發明家Nikola Tesla早在1891年就展示過兩個燈泡之間的WPT效應。無線充電對工業和汽車行業的業者也頗有吸引力,因為不用直接的接觸,所以就不會產生火花而引起爆炸,并且無線充電系統還可以單獨密封起來,免受工業溶劑、灰塵以及腐蝕氣體的影響。
20世紀90年代消費者才開始廣泛使用諸如電動牙刷和電動剃須刀之類的小型家用電器。在過去的10年時間里,隨著WPT的標準化以及便攜式和可穿戴電子產品的興起,這類需求正不斷增加。
兩種技術的故事
無線充電系統遵循近場充電(NFC)準則:發射線圈會生成一個震蕩磁場空間,通過電磁感應向附近的接收線圈傳輸能量。典型配置就是固定的充電站或者充電座中包含發射電路和初級線圈,而被充電的設備則包含接收器和次級線圈。
發射線圈(初級線圈)生成的磁場只有一小部分的磁通量可以穿透接收線圈(次級線圈)并傳輸能量:這兩個線圈本質上構成一個變壓器,傳輸效率是兩個線圈的耦合系數(K)與質量因子(Q)的函數。
發射器與接收器之間的金屬物體會吸收能量,降低效率甚至造成發熱構成安全隱患,因此異物檢測(FOD)技術也已經被集成到目前的無線充電系統中。
WPT開發人員正在致力于研究兩種技術:感應充電使用兩個相鄰的緊密耦合線圈;共振充電則是使兩個線圈都達到諧振頻率產生共振效應。盡管這兩種技術都采用感應耦合,但所謂“感應充電”通常是指緊密耦合的充電方式。
感應充電概述
感應充電方式是低功耗便攜式設備和可穿戴設備的理想選擇,但可能不適合一些大型產品,所以我們先討論感應充電,最后再討論諧振充電。
感應充電的效率很高,但是對線圈的失調非常敏感。電力的傳輸與距離的平方成反比關系,隨著距離的增加電力傳輸效率會迅速下降。為了提高效率,用戶使用的產品中兩個線圈的距離一般都會保持在7mm以內,如果用戶移動了接收設備,系統就會檢測到充電效率的下降而終止電力傳輸。
圖2顯示了使用兩個Rohm器件的感應式無線充電系統的架構圖,稍后將對此展開討論。在大多數應用中,無線充電系統還包含另兩個模塊:一個是為發射器充電的交流/直流電源,一個是接收器后面的鋰離子電池充電器。

圖2:感應充電系統架構圖
目前有兩個相互競爭的感應充電標準:無線充電聯盟(WPC)推出的Qi標準和AirFuel聯盟支持的AirFuel感應充電標準,兩者的工作頻率分別在100-200KHz和100-350KHz,它們的整體效率都超過了70%。
很多制造商的產品都同時支持這兩種標準,比如三星的Galaxy S6和S7智能手機同時支持Qi和AirFuel無線充電標準。
無論是Qi還是AirFuel無線充電系統都是通過發射線圈將電力傳送給接收線圈,但是都由接收端來控制充電的總量。接收端通過改變初級線圈的負載實現與發射端的通信,Qi標準規定2kbps的數據傳輸速率以及雙相位編碼。AirFuel標準則定義了六種不同的通信符號,每個AirFuel無線充電系統接收端都有唯一的六字節ID識別碼,這個識別ID是在系統啟動時由接收端傳送給發射端。
無線充電系統比有線充電系統提供的電力要少的多,因此可能需要更長的充電時間,但是制造商正在積極解決這個問題,比如提高功率水平。2015年推出的WPC v1.2版本規范明確最大支持的功率可達15W,而早期的版本只支持5W。
無線發射器
在工作期間,發射器大部分時間都保持在低功耗的“短暫睡眠”( snooze)模式,每隔一定的時間都會激活檢查是否有接收器需要充電。檢測到次級線圈存在后,發射器會對接收器進行身份驗證,然后開始進行電力傳輸。如果驗證失敗,發射器會重新進入睡眠狀態。在電力傳輸的整個過程中,接收端會通過預定義的通信數據包保持對電力傳輸的完全掌控,這些數據包處理的功能包括識別、身份驗證、所需的電量和錯誤檢測等。

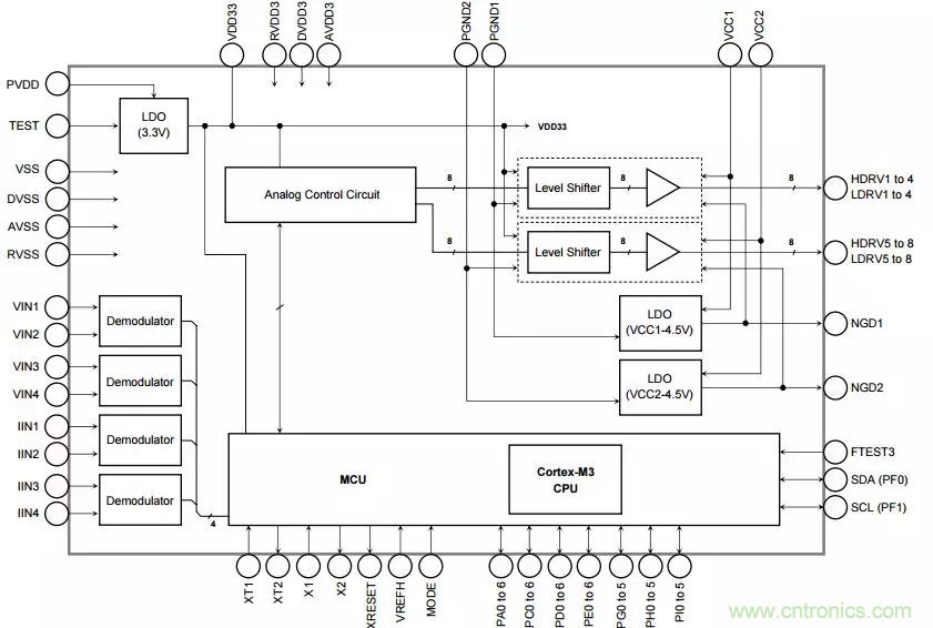
圖3:兼容Qi的TB6865無線發射器包括模擬、數字和電源模塊
圖3所示為東芝公司推出的TB6865AFG,它是一款兼容Qi標準的無線發射器。TB6865也是一款復雜的片上系統(SoC)器件,集成了32位ARM Cortex-M3處理器內核和128KB的閃存空間,以及用于實現驅動電源線圈的全橋逆變器的預驅動。其他模塊包括三個低壓差 (LDO) 線性穩壓器和四個用于解碼接收器命令的解調器。
無線接收器
與無線發射器類似,無線接收器也是一款復雜的SoC器件,比如羅姆半導體公司(ROHM)推出的BD57015GWL集成了全面同步的整流電路、低阻抗的場效應晶體管(FET)、用于處理Qi和AirFuel通信的數據包控制器和通過調幅實現與發射器通信的開漏輸出驅動器。此器件提供可調節的電壓輸出,同時符合Qi中等功率標準和AirFuel標準。另外羅姆公司還推出了與之匹配的發射器BD57020MWV,它遵守Qi中低功率的無線傳輸規范。
發射和接收線圈
為了保證不同廠家器件之間的互操作性,Qi標準還定義了詳細的發射器充電線圈要求。這個規范定義了線圈的電磁特性、幾何形狀和材料。比如A11線圈規范定義的是單層圓形線圈,在鐵氧體底座上安裝10圈電線,線圈的輸入工作電壓為5V,電感為6.3μh,最大直流阻抗 (DCR)為60m?。
A6版本規范則定義了三個線圈,通過增大可用充電面積降低了對線圈不對齊的敏感性;由于每個線圈需要一個獨立的驅動器,因此這種方案的物料(BOM)成本比較高。
發射和接收線圈通常都是采用特殊的利茲線纜(Litz wire)制成,它使用多種絕緣線纏繞成多種形狀,將接觸面影響最小化,降低效率損失。兩個線圈的尺寸應該相近以實現最大程度的能量耦合。比如TDK推出的無線充電線圈兼容Qi標準,適用于移動設備,采用專用的柔性薄金屬磁片制成,厚度僅為0.52毫米,輸出電流為0.5到0.6A。

圖4:Wurth Elektronik公司提供的各種無線充電線圈
圖4展示的是各種形式的無線充電線圈,符合A6規范的線圈如圖左側所示。
接收線圈必須非常輕薄才能適合便攜和可穿戴設備,但是仍然需要足夠堅固才能承受劇烈的振動和沖擊。因為每個智能手機、健康手環等電子設備都是不同的,所以接收線圈一般都是定制的。
在標準化產品中,Vishay/Dale的IWAS系列線圈是首款商用的接收線圈,符合Qi標準規范,可用于5V或7V電壓充電。比如IWAS-3827EC-50線圈能夠處理高達10W的功率,整個線圈有15圈,電感10.7μH,電阻抗183m?,安裝在高導磁屏蔽層上,尺寸大約38x26x1mm。
發射器與接收器模塊
多家制造商提供的模塊都包含線圈和發射器或者接收器,圖5展示的是TDK公司推出的WTM505090發射器模塊,它包含發射器PCB板卡(集成了前面介紹的東芝TB6865AFG器件)以及發射線圈。

圖5:WTM505090發射器模塊包含線圈和發射器,它符合WPC1.1規范,采用東芝TB6865無線發射器
WPT開發工具
目前有多款開發套件和工具可幫助設計人員進行無線充電設計。IDT公司提供的WP3W-RK參考套件最高支持3W的無線充電功率。該套件包含發射器和接收器以及三個不同尺寸的線圈來適應不同的功率級別,提供交鑰匙型參考設計、模塊布局、BOM等,可幫助快速進行原型設計。
(作者:Paul Pickering 貿澤電子)



