【導讀】LED 燈作為一種新型節能和無污染光源,由于其特有的發光照明特性,在現代照明應用中發揮著革命性的作用。作為LED 照明產業鏈中最為核心的部件之一,LED 驅動電源的驅動控制技術所存在的可靠性低、成本高等典型問題一直制約著LED 照明的發展。對于多路LED 驅動電源技術的開發與可靠性研究是當前業界的一個重要課題。
1、LED 驅動現狀分析
國內外通用LED 照明的一個顯著特點是,光源通常由數量較大的多顆LED 芯片構成,LED自身的特性決定了LED適合恒流驅動,這一點已得到國內外專家學者的共識。LED驅動方式主要是單路恒壓輸出(光源內置恒流源)、單路恒流輸出、單路恒壓源配置多路DC/ DC 恒流輸出等方案。
1.1 單輸出恒流驅動
將LED光源作為單組負載由單輸出電源進行驅動是最簡單的LED驅動控制方式。構成LED 光源的多顆LED 有多種連接方式。下圖1所示的是所有的LED負載串聯的連接方式,單輸出電源為恒流源特性驅動LED 燈。由于光源串聯,因此不存在均流問題,但當LED串聯數量較大時,光源電壓將增高,過高的光源電壓要求燈具整體符合安全標準的絕緣成本增高,燈具散熱器和絕緣要求越高,熱阻也越大,散熱效果變差對LED 燈壽命會產生影響。

作為改進,如下圖2所示的LED燈為網格狀排列結構,這種結構可避免光源的電壓過高,當并聯LED數量較大時,單顆燈開路,對整個LED燈的影響較小,但這種單顆LED直接并聯的方式,LED的電流均衡性差,造成LED光源可靠性降低;同時其中一個LED 短路,與之并聯的LED 都將熄滅。

如下圖3 所示的結構,LED串聯后再相互并聯,在沒有LED失效的情況下,該結構均流特性好于圖2所示的網格狀結構,但如果部分LED發生短路故障時,會造成多串LED 間嚴重的電流不均衡。

以上分析可見,單輸出恒流驅動,應用中有一定的局限性,尤其是LED 光源并聯的聯接方式對光源的使用壽命和可靠性將產生較大影響。
1.2 多輸出恒流驅動
如下圖4 所示的電路結構,每組LED 負載由獨立恒流源特性的驅動控制方式是一種較理想的方案,這一方面解決了多路輸出間的電流不均衡問題,另一方面也克服了前述單輸出恒流驅動的缺點,但該方案的驅動效率相對較低。

目前較普遍采用的LED 多路驅動方案如下圖5所示,在單輸出恒壓源的輸出端口,配置若干級非隔離DC/ DC 變換器,每路LED負載由單獨的DC/DC變換器實現恒流驅動控制。該方案存在的缺點是,DC/ DC 變換器電路較為復雜,成本相對偏高,可靠性偏低;每增加一級DC/ DC 變換器,驅動效率相應降低,且易伴生電磁干擾(EMI);不同類型光源的每路LED 負載的電壓、電流及功率存在差異,通用DC/ DC 變換器的設計很難標準化,給產業化帶來很大不便。

2、新型多路LED 驅動電源關鍵技術研究
研究認為,LED 在利用電容實現多路恒流驅動的情況下,同時參與電路諧振,改變變換器特性,更容易實現LED 整體的穩定性和可靠性,同時在成本上可以得到大幅度的降低。提出三種新技術方案:
2.1 兩級變換實現LED 多路驅動
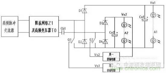
如下圖6 所示主電路采用了兩級變換實現對LED的多路驅動,電路包含高頻脈沖交流源、阻抗網絡Z1 和高頻變壓器T0、高頻諧振電容Cb1、雙路整流濾波電路和LED 負載。阻抗網絡Z1 的輸入為高頻脈沖交流源,輸出接高頻變壓器T0原邊,變壓器副邊的一端串聯諧振電容Cb1,另一端并聯兩路整流濾波電路;二極管D1、D4 和二極管D2、D3 分別組成的兩個獨立的半波整流電路,以及濾波電容Co1、Co2 相應組成兩路整流濾波電路;濾波電容Co1 和Co2 分別并聯在兩路LED 負載兩端,兩路獨立的半波整流電路分別給兩路LED 負載提供電源。諧振電容Cb1 一方面與阻抗網絡Z1 組成了高頻諧振網絡,參與主電路諧振,另一方面,當兩路LED 負載出現壓降不平衡時,還可通過Cb1 來平衡兩路LED 的壓差,使兩路LED 負載工作電流平均值相等。

如下圖7 所示電路為高頻諧振網絡的實現方式。阻抗網絡包括諧振電感Lr、Lm 和高頻變壓器原邊諧振電容C0,諧振電感Lm 與高頻變壓器T0 原邊并聯,該并聯環節與諧振電感Lr 和諧振電容C0 串聯,Cb1 為變壓器副邊諧振電容。諧振電感Lr 和Lm 可以是外置的獨立電感,Lr 也可以是高頻變壓器T0 的漏電感,而Lm 則也可以是T0 的勵磁電感。由于諧振電容Cb1 參與主電路的諧振變換,改變了增益曲線,其等效折算到變壓器原邊的取值和原邊諧振電容C0 可比,加快了變換器的響應速度,避免由于大容量電容引起在起機等動態條件下輸出過沖。

2.2 新型正反激電路實現LED 多路驅動
前述技術方案中,高頻脈沖交流源必須是正負對稱的方波電壓脈沖,以保證諧振電容Cb1 在兩路負載不平衡時起到較好的均流作用,這樣要求前級電路必須是雙開關管的橋式電路。作為技術的進一步突破,開發了一種新型的正反激電路多路輸出驅動拓撲,如圖8 所示,變壓器原邊采用了單開關管S1,在變壓器副邊的一個整流回路中串聯高頻電感L1。當原邊開關管S1 導通時,變壓器Ta1 儲能,副邊通過電容Cb1,二極管D3,電感L1,負載A1,二極管D2 構成電流回路,變壓器工作在正激狀態;當原邊開關管S1 關斷時,變壓器Ta1 釋放能量,副邊通過二極管D1,負載A2,二極管D4,電容Cb1 構成另一個電流回路,變壓器工作在反激狀態。在正激回路中,諧振電容Cb1、高頻電感L1 諧振,從而使得二極管D2、D3 工作在零電流開關狀態,減小二極管的反向恢復損耗,提高效率。當兩路負載出現壓降不平衡時,電容Cb1 仍然能起到平衡負載電流的作用。

2.3 PFC 電路備份
在中大功率應用場合,作為前級有源PFC 電路,BOOST升壓電路是最常用的拓撲。
由于PFC 電路通過整流電路直接與電網相連,因此電網里的浪涌或是雷擊等因素容易造成PFC 電路故障。當PFC 電路故障時,容易造成后級負載不能正常工作,可分為以下兩種情況:第一種情況,后級負載因PFC 電路的故障而斷電造成不能工作;第二種情況,雖PFC 電路故障但仍能提供電流通路時,由于PFC 電路故障使得其輸出電壓不再穩定,而是跟隨電網的波動而變化,造成負載上的電壓紋波過大,造成負載的工作性能差,比如效率降低。
如何保證PFC 電路損壞后,還能保證后級電路正常工作,是該技術解決的主要問題。如下圖9,在PFC電路的輸出串聯一個PFC備份電路,當PFC電路正常工作時,PFC 電路用來實現功率因數校正功能,PFC 備份電路僅用于提供電流通路;當PFC 電路故障時,PFC 電路僅用于提供電流通路,PFC 備份電路用來穩定輸出電壓。這樣PFC 電路和PFC 備份電路可以有條件地交替工作,保證驅動系統的可靠性。

3、關鍵技術創新點
從LED 照明的可靠性及成本來看,多路驅動的模塊化LED 燈具將成為未來LED 照明的趨勢。目前國內外各研究機構和生產企業進行多路LED驅動電源技術開發,主要是基于新型正反激組合變換器LED 驅動電源研究,采用電壓型變頻控制,三級變換器電路均工作在臨界模式,此技術可以提高驅動電源的可靠性,但是電路復雜,成本較高。本研究項目關鍵技術主要創新點在于:
(1)突破傳統三級變換實現LED 的多路驅動思路,采用兩級變換實現對LED 的多路驅動。利用諧振電容參與主電路的諧振變換特性,改善了變換器的動態響應速度,減小變換器起機等動態條件下對LED 負載的沖擊電流,提高驅動的可靠性。同時利用諧振電容實現對多路輸出負載電流的均衡,實現了多路輸出間高精度的均流特性,具有成本低、體積小、效率高等特點。新型的電路拓撲,解決了多路驅動電路開路及短路保護問題,任何一路損壞保證其它路輸出正常,最大限度保證了電路的可靠性。同時保護電路對LED 負載沒有任何沖擊電流,進一步提高電路的可靠性,降低成本。
(2)提出新型的單開關正反激多路輸出電路,主電路原邊只有一個開關管即可以實現變壓器副邊多路輸出的均流控制,進一步降低了電路成本;由于主變壓器實現雙向利用,減小變壓器體積,提高效率;副邊的均流電容不僅實現了多路輸出的均流控制,同時和均流電感形成諧振回路,從而實現副邊整流二極管的零電流開關狀態,降低二極管反向恢復損耗,減少電磁干擾,進一步提高效率。
(3)提出PFC 電路的備份思路,前級PFC 電路做了PFC 備份電路,有效解決了現有技術中當PFC 電路故障時易造成后繼電路不能正常工作的問題,且保證了后級負載的工作性能不會受PFC電路故障的影響,進一步保證驅動系統的可靠性。
4、結語
本文研究的多路LED 驅動電源關鍵技術,采用兩級變換實現LED 多路驅動,通過單開關正反激多路輸出電路,只用一個開關管實現多輸出均流,采用PFC 電路備份,已完成專利申請,產品主要技術指標:1.多路輸出效率:>0. 92(室溫下);2.多路輸出均流度:≤5%(室溫下);3.功率因數:>0. 98(室溫下,在輸入電壓為110Vac 時) 4.防水等級:IP67; 5.環境溫度:-30 ~70℃。
本文轉載自電源研發精英圈公眾號。
推薦閱讀:




