【導讀】電源想要更好的工作就必須添加必要的外圍電路,這些外圍電路都是為了實現不同的功能,例如輸出特殊的電壓、實現額外的保護特性、獲得更大的輸出功率,本文就詳細講述了各種電源外圍單路,希望初學者能夠學以致用。
1.1一、正負輸出接成單路輸出

1.2二、兩個電源的輸出串聯增大輸出電壓

輸出串聯在要求輸出不常用的電壓時比較方便。如:需要輸出一個17V的電源,找一個5V和一個12V輸出的串聯即可。
1.3三、輸出并聯,增大輸出電流或冗余應用
注意:電源的并聯有專門的技術解決方案,除非有特別的說明支持輸出并聯,一般而言,電源的輸出不能直接并聯。

[page]
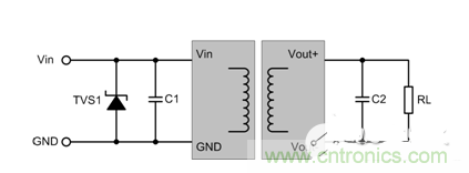
1.4四、防輸入反接

還有一種常見的防反接方案是用TVS,輸入反接時,輸入的電源通過TVS短路,能量不輸入到后級電源里。

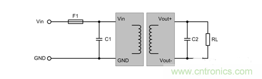
1.5五、防輸出短路或過流
最簡單的做法是在輸入端或輸出端串聯一個自恢復保險絲,但自恢復保險絲的精度不高,過流保護的效果可能不如意。


1.6五、輸入過壓/欠壓保護
對于輸入端帶開關機控制的電源來說,關掉電源可以承受更高的輸入過電壓,輸入欠壓時,也能保護不會因過流損壞。如下圖,通過簡單的431基準檢測電路,可精確設置過壓或欠壓保護值,保護電源在輸入電壓異常情況下不損壞。

技術詳解:三種實用的UC3842/3的外圍電路
電路攻略:機械手視覺系統外圍電路設計
高能效,簡潔外圍電路的LED驅動電源方案


