【導讀】開關(guān)穩(wěn)壓電源的電路設計方法不只一種,這里為大家介紹一種自激反饋開關(guān)穩(wěn)壓電源電路設計,該開關(guān)穩(wěn)壓電源電路設計有別于其他的普通開關(guān)電源設計,到底有什么好的優(yōu)點呢?請看下文詳細的自激反饋開關(guān)穩(wěn)壓電源電路設計。
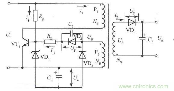
自激反饋開關(guān)穩(wěn)壓電源基本原理如圖所示。當加上輸入電壓時,電流經(jīng)Rg流向開關(guān)管VTl的基極,使VTl導通,此時變壓器副邊的二極管反向偏置,無電流流過,于是VTl集電極電流和變壓器繞組Np中流動的電流相等。由于是從零啟動,因此基極電流不大就能使VTl導通。




