[導讀]開關電源電路中的噪聲活躍節點是電路中的共模噪聲源。要降低開關電源的傳導干擾水平,實際上是減小共模電流強度、增大噪聲源的對地阻抗。本文以一款反激式開關電源為例,闡述了其傳導共模干擾的產生、傳播機理。根據噪聲活躍節點平衡的思想,提出了一種新的變壓器EMC設計方法。
隨著功率半導體器件技術的發展,開關電源高功率體積比和高效率的特性使得其在現代軍事、工業和商業等各級別的儀器設備中 得到廣泛應用,并且隨著時鐘頻率的不斷提高,設備的電磁兼容性(EMC)問題引起人們的廣泛關注。EMC設計已成為開關電源開發設計中必不可少的重要環節。
傳導電磁干擾(EMI)噪聲的抑制必須在產品開發初期就加以考慮。通常情況下,加裝電源線濾波器是抑制傳導EMI的必要措施[1]。但是,僅僅依靠電源輸入端的濾波器來抑制干擾往往會導致濾波器中元件的電感量增加和電容量增大。而電感量的增加使體積增加;電容量的增大受到漏電流安全標準的限制。電路中的其他部分如果設計恰當也可以完成與濾波器相似的工作。本文提出了變壓器的噪聲活躍節點相位干燥繞法,這種設計方法不僅能減少電源線濾波器的體積,還能降低成本。
反激式開關電源的共模傳導干擾
電子設備的傳導噪聲干擾指的是:設備在與供電電網連接工作時以噪聲電流的形式通過電源線傳導到公共電網環境中去的電磁干擾。傳導干擾分為共模干擾與差模干擾 兩種。共模干擾電流在零線與相線上的相位相等;差模干擾電流在零線與相線上的相位相反。差模干擾對總體傳導干擾的貢獻較小,且主要集中在噪聲頻譜低頻端, 較容易抑制;共模干擾對傳導干擾的貢獻較大,且主要處在噪聲頻譜的中頻和高頻頻段。對共模傳導干擾的抑制是電子設備傳導EMC設計中的難點,也是最主要的 任務。
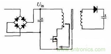
反激式開關電源的電路中存在一些電壓劇變的節點。和電路中其他電勢相對穩定的節點不同,這些節點的電壓包含高強度的高頻成分[2]。 這些電壓變化十分活躍的節點稱為噪聲活躍節點。噪聲活躍節點是開關電源電路中的共模傳導干擾源,它作用于電路中的對地雜散電容就產生共模噪聲電流ICM 。而電路中對EMI影響較大的對地雜散電容有:功率開關管的漏極對地的寄生電容Cde,變壓器的主邊繞組對副邊繞組的寄生電容Cpa;變壓器的副邊回路對地的寄生電容Cae, 變壓器主、副邊繞組對磁芯的寄生電容Cpc、Cac 以及變壓器磁芯對地的寄生電容Cce這些寄生電容在電路中的分布如圖1所示。

圖1、共模噪聲電流在電路中的耦合途徑
圖1中的共模電流ICM在電路中的耦合途徑主要有3條:從噪聲源—— 功率開關管的d極通過Cde耦合到地;從噪聲源通過Cpa耦合到變壓器次級電路,再通過Cae 耦合到地;從變壓器的前、次級線圈通過Cpc、Cac 耦合到變壓器磁芯,再通過Cce 耦合到地。這3種電流是構成共模噪聲電流(圖1中的黑色箭頭所示)的主要因素。共模電流通過電源線輸入端的地線回流,從而被LISN取樣測量得到。
[page]
隔離變壓器的EMC設計
共模噪聲的耦合除了通過場效應管d極對地這條途徑外,開關管d極的噪聲電壓通過變壓器的寄生電容將噪聲電流耦合到變壓器副邊繞組所在的回路,再通過次級回路對地的寄生電容耦合到地也是共模電流產生的途徑。因此設法減小從變壓器主邊繞組傳遞到副邊繞組間的共模電流是一種有效的EMC設計方法。傳統的變壓器 EMC設計方法是在兩繞組間添加隔離層[3],如圖2所示。

圖2、變壓器隔離層對噪聲電流的影響
金屬隔離層直接連接地線的設計會增大共模噪聲電流,使EMC性能變差。隔離層應該是電路中電位穩定的節點,比如將圖2中的隔離層連接到電路前級的負極就是一個很好的接法。這樣的連接能把原本流向大地的共模電流有效分流,從而大大降低電源線的傳導噪聲發射水平。
在電路中,噪聲電壓活躍節點并不是單一的。以本文分析的電路為例:除功率開關管的d極外,變壓器前級繞組的另一端Uin 也是一個噪聲電壓活躍節點,而且節點電壓的變化方向與場管的d極電壓情況相反。所以變壓器次級繞組的兩端是相位相反的噪聲電壓活躍節點。圖3所示的是采用節點相位平衡法后,變壓器骨架上的線圈分布情況。

圖3、噪聲電流在變壓器內部的耦合情況
變壓器骨架最內層是前級繞組線圈的一半,與功率開關管的d極相連;中間層的線圈是次級繞組;最外層是前級繞組的另一半,與節點Uin相連。由于噪聲電流主要通過前后級線圈層之間的寄生電容耦合,把前、后級線圈方向相反的噪聲活躍節點成對地繞在內外層相對位置就能使大部分的噪聲電流相互抵消,大大降低了最終耦合到次級的噪聲電流的強度。
本文討論的電路中還存在前級電路和次級電路的輔助電源,它們也是由繞在變壓器上的獨立線圈提供能量的。這兩級輔助線圈的存在給噪聲電流的傳播提供了額外的途 徑。輔助線圈是為了控制電路的供電設計的。盡管控制電路本身的功率很小,但它們的存在卻增大了電路對地的寄生電容,從而分擔了一部分把共模噪聲從活躍節點 耦合到地的工作。然而把這些繞組夾在前級線圈和次級線圈的繞組中間就能增大前后級繞組的距離,從而它們的層間寄生電容就減小了,噪聲電流就能相應減小。因 此,變壓器繞制的最終方法應如圖4所示。從內到外的線圈繞組依次是:前級繞組的一半、輔助繞組的一半、后級繞組、輔助繞組的另一半和前級繞組的另一半。
解決方案的實驗驗證
變壓器改進繞法對開關電源的傳導EMC性能提高的有效性可以通過實驗得到驗證。
實驗按照文獻[4]中的電壓法進行。頻段范圍為0.15~30 MHz;頻譜分析儀的檢波方式為準峰值檢波;測量帶寬為9 kHz;頻譜橫軸(頻率)取對數形式;噪聲信號的單位為dBμV[5]。

圖4、變壓器改進繞法細節
圖5為變壓器設計改進前后實驗樣品的傳導噪聲頻譜對比。

圖5、變壓器設計改進前后的噪聲頻譜
圖5中的上下兩條平行折線分別為國際無線電干擾特別委員會(簡稱CISPR)頒布的CISPR22標準中b級要求的準峰值檢波限值和平均值檢波限值;而曲線 為開關電源的傳導噪聲頻譜。從實驗結果可以看出:與傳統方法相比,新方法有著更出色的對共模噪聲電流的抑制能力,尤其在中頻1~5MHz的頻段。在較低頻 段,電源線上的傳導干擾主要是差模電流引起的;而在中高頻段,共模電流起主要作用。而本文提出的方法對共模電流的抑制較強,實驗和理論是相符合的。在10 MHz以上的頻段,主要由電路中的其他寄生參數決定EMC性能,與變壓器關系不大。
結束語
開關電源電路中的噪聲活躍節點是電路中的共模噪聲源。要降低開關電源的傳導干擾水平,實際上是減小共模電流強度、增大噪聲源的對地阻抗。在傳統的隔離式EMC設計中,隔離層連接到電路中電位穩定的節點上(如:變壓器前級的負極)要比直接連到地線對EMI干擾的抑制更有效。
開關電源電路中的噪聲活躍節點通常都是成對存在的,這些成對節點之間的相位相反,利用這一特點活躍節點相位平衡繞法對EMI抑制的有效性高于傳統的隔離式設計。由于不需要添加隔離金屬層,變壓器的體積與成本都能被有效減小或降低。





