【導讀】一位工程師整理的常見電源電路學習和查詢資料,整理了常見電源電路,包括各種穩壓電路、各種整流電路、各種濾波電路,非常清楚明了哦!
穩壓電路(穩壓管并聯穩壓電路、串聯型穩壓電路、開關型穩壓電路、集成化穩壓電路)、整流電路(半波整流、全波整流、全波橋式整流、倍壓整流)、濾波電路(電容濾波、電感濾波、L C 濾波、RC 濾波)。
一:穩壓電路
交流電網電壓的波動和負載電流的變化都會使整流電源的輸出電壓和電流隨之變動,因此要求較高的電子電路必須使用穩壓電源。
(1)穩壓管并聯穩壓電路
用一個穩壓管和負載并聯的電路是最簡單的穩壓電路,見下圖 (a)。圖中 R 是限流電阻。這個電路的輸出電流很小,它的輸出電壓等于穩壓管的穩定電壓值 V Z 。

(2)串聯型穩壓電路
有放大和負反饋作用的串聯型穩壓電路是最常用的穩壓電路。它的電路和框圖見上圖 (b)、(c)。它是從取樣電路( R3 、 R4 )中檢測出輸出電壓的變動,與基準電壓( V Z )比較并經放大器( VT2 )放大后加到調整管( VT1 )上,使調整管兩端的電壓隨著變化。如果輸出電壓下降,就使調整管管壓降也降低,于是輸出電壓被提升;如果輸出電壓上升,就使調整管管壓降也上升,于是輸出電壓被壓低,結果就使輸出電壓基本不變。在這個電路的基礎上發展成很多變型電路或增加一些輔助電路,如用復合管作調整管,輸出電壓可調的電路,用運算放 大器作比較放大的電路,以及增加輔助電源和過流保護電路等。
(3)開關型穩壓電路
開關穩壓電源從原理上分有很多種。它的基本原理框圖見上圖(d)。圖中電感 L 和電容 C 是儲能和濾波元件,二極管 VD 是調整管在關斷狀態時為 L 、 C 濾波器提供電流通路的續流二極管。開關穩壓電源的開關頻率都很高,一般為幾~幾十千赫,所以電感器的體積不很大,輸出電壓中的高次諧波也不多。
它的基本工作原理是 : 從取樣電路( R3 、 R4 )中檢測出取樣電壓經比較放大后去控制一個矩形波發生器。矩形波發生器的輸出脈沖是控制調整管( VT )的導通和截止時間的。如果輸出電壓 U 0 因為電網電壓或負載電流的變動而降低,就會使矩形波發生器的輸出脈沖變寬,于是調整管導通時間增大,使 L 、 C 儲能電路得到更多的能量,結果是使輸出電壓 U 0 被提升,達到了穩定輸出電壓的目的。
(4)集成化穩壓電路
上圖(e)是一個三端穩壓器電路。圖中 C 是主濾波電容, C1 、 C2 是消除寄生振蕩的電容 ,VD 是為防止輸入短路燒壞集成塊而使用的保護二極管。
二、整流電路
整流電路是利用半導體二極管的單向導電性能把交流電變成單向脈動直流電的電路。
(1)半波整流
半波整流電路只需一個二極管,見下圖(a)。在交流電正半周時 VD 導通,負半周時 VD 截止,負載 R 上得到的是脈動的直流電

(2)全波整流
全波整流要用兩個二極管,而且要求變壓器有帶中心抽頭的兩個圈數相同的次級線圈,見上圖(b)。負載 R L 上得到的是脈動的全波整流電流,輸出電壓比半波整流電路高。
(3)全波橋式整流
用 4 個二極管組成的橋式整流電路可以使用只有單個次級線圈的變壓器,見上圖( c )。負載上的電流波形和輸出電壓值與全波整流電路相同。
(4)倍壓整流
用多個二極管和 電容器可以獲得較高的直流電壓。上圖(d)是一個二倍壓整流電路。當 U2 為負半周時 VD1 導通, C1 被充電, C1 上最高電壓可接近 1.4U2 ;當 U2 正半周時 VD2 導通, C1 上的電壓和 U2 疊加在一起對 C2 充電,使 C2 上電壓接近 2.8U2 ,是 C1 上電壓的 2 倍,所以叫倍壓整流電路。
三、濾波電路
整流后得到的是脈動直流電,如果加上濾波電路濾除脈動直流電中的交流成分,就可得到平滑的直流電。
(1)電容濾波
把電容器和負載并聯,如下圖(a),正半周時電容被充電,負半周時電容放電,就可使負載上得到平滑的直流電。

(2)電感濾波
把電感和負載串聯起來,如上圖(b),也能濾除脈動電流中的交流成分。
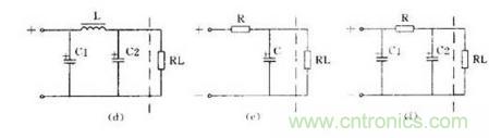
(3) L 、 C 濾波
用 1 個電感和 1 個電容組成的濾波電路因為象一個倒寫的字母“ L ”,被稱為 L 型,見上圖(c)。用 1 個電感和 2 個電容的濾波電路因為象字母“ π ”,被稱為 π 型,見上圖(d),這是濾波效果較好的電路。
(4) RC 濾波
電感器的成本高、體積大,所以在電流不太大的電子電路中常用電阻器取代電感器而組成 RC 濾波電路。同樣,它也有 L 型,見上圖(e); π 型,見上圖(f)。





