中心議題:
- 液晶顯示電源管理的電路設計方案
- 液晶顯示電源管理軟件流程及顯示效果分析
解決方案:
- 驅動電壓產生電路
- 時序控制電路
- 溫度補償電路
- 對比度調節電路
本文介紹了一新型液晶顯示電源管理的電路設計,該電路用硬件有效控制液晶顯示上、下電時序,且具有極低的靜態功耗、良好的溫度補償和軟、硬件調節液晶顯示對比度的功能。
1 引 言
要實現液晶顯示器顯示須具備以下4 個單元:控制器(Controller) 、電源管理單元(PMU) 、驅動電路(Driver) 、液晶顯示器件(LCD) 。對于分辨率較小的液晶顯示器件,如128×64、128×32等模塊都具有控制器、電源管理單元、驅動器于一體的芯片。但對于高分辨率的液晶顯示器(如320×240 ,640×480) 需要單獨的控制器、電源管理單元、驅動器。本文給出了一種高分辨率液晶顯示器電源管理電路的設計方案。
2 電路設計方案
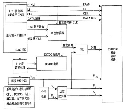
實現液晶顯示須具備4個單元,其框圖如圖1所示。本文給出的電源管理電路設計方案具有驅動電壓產生、時序控制、溫度補償和對比度調節的功能,其框圖如圖2所示。

圖1 液晶顯示系統4個單元框圖
2. 1 驅動電壓產生電路
液晶顯示不僅需要邏輯電源,而且要有驅動電源。驅動電源因驅動芯片的不同而異,本文以日本日立公司HT66130/ HT66137為例。該系列芯片是驅動高分辨率液晶顯示器的芯片,所需驅動電壓為VLCD 、V0 、VM3種。由于占空比達1/240 ,VLCD電壓達15V以上,我們選用美信公司的DC/DC器件MAX1606產生15.9V的VLCD電壓,經電阻分壓得到V0 和VM ,V0 和VM再經運算放大器提供給HT66130和HT6613,如圖2所示。

圖2 液晶顯示電源管理框圖
[page]
2. 2 時序控制電路
所有液晶顯示器對于上電、下電時序都有嚴格要求。如果上電、下電時序不符合要求,則不能正常顯示,常常會出現亂碼、鎖存、殘留顯示等現象。以日本日立公司驅動芯片HT66130/HT66137驅動320×240液晶顯示屏為例,對上電、下電時序的要求如圖3所示,一般液晶顯示驅動芯片要求也大致如此。
通常液晶顯示器的電源管理電路是依靠CPU用軟件來控制信號的時序,以保證液晶顯示器件對上電、下電時序的要求。這就占用更多的通用輸入、輸出口(GPIO),而且對于上電瞬間軟件尚未運行起來,只能依靠CPU的GPIO的默認狀態來控制。目前智能手機等雙CPU系統更不易依靠軟件來實現控制。本文設計的電路僅需一個GPIO(即顯示使能信號DISP) ,就可以控制上、下電時序及驅動電源的開關,而且對DISP無任何時序要求。

圖3 日立公司HT66130/HT66137時序圖
對上電時序,一般必須有一幀頻初始化時間后,才可置顯示使能信號為高電平。傳統做法是依靠CPU的GPIO口延時來控制。本文設計的電路利用D型觸發器,并以幀頻信號(FRAME)為時鐘輸入,以顯示使能信號(DISP)為D輸入并控制CLEAR端,Q端輸出控制整個驅動電路的開關。這樣既可以實現DISP輸入的時序控制,又可以用DISP控制整個驅動電源電路的開關。由于DISP可關掉驅動電路,所以可以實現待命狀態驅動電路功耗很小,僅有觸發器和門電路的靜態電流。為了滿足驅動電壓穩定后DISP信號輸入,我們采用與門控制DISP與驅動電壓輸入來實現DISP輸出。
下電時,必須嚴格遵循顯示使能信號、驅動電源、顯示時鐘/ 數據信號、邏輯電源的時序。為滿足下電時序要求,一般也是利用CPU的GPIO來控制。該設計利用D觸發器及與門可實現DISP置低提前于驅動電壓。采用DISP信號控制電源電路,當DISP置低時,HT66130/HT66137驅動芯片的驅動電源完全關掉,無須另外的GPIO口來控制。測試表明電路運行正常,能有效地控制上電、下電的時序,無亂碼、鎖存、殘留顯示等現象。而且在待命狀態驅動電路功耗很小,僅為0.2 mW(包括電路與液晶顯示器件)。
2. 3 溫度補償電路
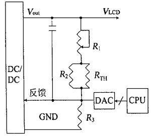
為保證液晶顯示能在較寬的溫度范圍正常工作,溫度補償電路十分必要。所用液晶屏的驅動電壓與溫度特性如圖4 實線所示。由此利用熱敏電阻的溫度特性及電阻的串并關系,優化出了電路設計,具體電路如圖5。R1=638 kΩ,R2=110 kΩ,R3=62 kΩ,RTH的特性如表1。用R1、R2 、R3 、RTH和DC/DC(MAX1606)輸出電壓的計算公式:

進行了模擬計算,結果如表1,由表1所得曲線如圖4。表1和圖4表明電路輸出和液晶屏的要求吻合,電路能夠保證液晶在-20~70°C 范圍內正常顯示。而且高、低溫測試結果證實,在-20~70 °C范圍內對比度正常。
[page]


圖4 液晶屏溫度補償曲線
2. 4 對比度調節電路
液晶顯示器對比度的調節可分為硬件調節和軟件調節。圖5的電路具有軟、硬件調節功能。其中R1是可調電阻,可調節VLCD的電壓,從而液晶顯示器的對比度得到調節;電路中還可利用CPU與數模轉換器(DAC)相結合來控制DC/DC的反饋端的電壓,從而實現軟件調節液晶顯示器的對比度。

圖5 溫度補償/ 對比度調節電路
[page]
3 軟件流程圖及顯示效果圖
液晶顯示器啟動、關閉的測試流程圖如圖6。其中LCD控制器的初始化最為重要,須依照液晶顯示模塊的要求配置CPU的寄存器和延時時間。

圖6 液晶顯示軟件流程圖
4 結 論
實際測試表明電路運行正常,能有效地控制上電、下電的時序;待命狀態驅動電路功耗僅為0.2mW;溫度補償特性良好;軟、硬件都能調節液晶顯示對比度。



