中心議題:
- 反饋控制電流源的原理
- 電流檢測電路的具體電路設計實現
解決方案:
- 電流檢測電路中的反饋網絡設計
電流檢測電路是電流模式控制所必需的,通過檢測功率開關管上的電流,然后輸出一個電流感應信號與斜坡補償信號進行疊加并轉換成一個電壓信號,再與誤差放大器的輸出進行比較,從而實現電流模式開關轉換器電流內環的控制。其實現方法有很多種,常見的有兩種,一種是與功率管串聯一個電阻Rsen,另一種是與功率管并聯一個并聯檢測管復制比例電流,并聯檢測管復制比例電流的檢測方法,又有兩種主要的實現結構,一種是采用運放的結構,另一種是利用反饋的方式。如果采用運放, 顯然會增加電路的復雜性,而且也會增加功耗。本文根據具有反饋控制電流源的原理來設計電流檢測電路中的反饋網絡。
1 反饋控制電流源的原理
電路原理圖及電流源動態特性曲線如圖1( a)、( b)所示。根據電流源的特性曲線, 偏置電路中各相關元件的電流特性只有線性與非線性電流源相結合才可能有唯一的交點(原點除外), 這樣才能保證偏置電路有唯一穩定的工作點。

圖1 具有反饋控制的電流源的原理圖
設電阻上的壓降為VR, M3 管的過驅動電壓為△, 由M3、M4 電流相等的條件, 得到:

由此解出:

其中, VR = VGS3 - V GS4, 因此VGS的壓差決定了電阻上所形成的微電流, 即輸出電流I0 滿足的非線性關系為:

由此解出的輸出電流已與電源電壓無關。
[page]
2 電流檢測電路的具體電路設計實現
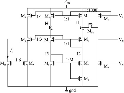
根據前面的分析, 可以看出, R 固定時, 當圖1所示的電路可以提供唯一的偏置偏流。但是在電流檢測電路中, 由于電感電流一直在變, 很顯然, 固定的電阻不再適用, 將圖1 的改進電路運用到電流檢測電路中, 如圖2所示, 圖中電阻用工作在線性區的MOS管MR 代替。

圖2 改進型具有反饋控制電流源的電流檢測電路
工作在線性區的MOS 管, 其導通電阻rON可由下式得出:

可以看出, rON與V GS - VTH成反比, 因此電阻值會隨著VGS的變化而變化, 這樣不同的電阻值形成的非線性電流源與電流鏡結合, 就會有不同的穩定工作點。因此, 在整個工作中, 對于一直變化的電感電流, 偏置電路是通過改變電阻值而達到不同的動態穩定狀態。
為了達到電路檢測的精確度, 本文用帶反饋控制、電阻值可變的電流源來代替復雜的運放。
圖2所示電流檢測電路中, MP、MN 為功率管,M1 與M4、M2 與M5 的W/L相同, VP 為MP 的控制信號, MPS用作開關, 其W/L比較大, 具有低導通電阻。在電流模DC /DC 轉換器中, 反饋控制環路只需檢測MP 功率管導通時的電流, 因此, 為降低功耗, 可控制電流檢測電路只在MP 功率管導通時工作, 即只檢測電感充電階段的電流, 而在MP 功率管截止時, 電流檢測電路不工作, 進而有效地減小了功率損耗。
當VP 為低電平時, MP 導通, MPS作開關也導通,并且可以看作近似短路, 進而流過MPS的電流也可以忽略, 因此MP、M1 的VDS近似相同, 流過MP 的電流被鏡像復制至M1。MP 與M1 的W/L成比例, 且比例系數較大, 因此檢測到的電流與MP 中的電流成比例, 同時遠小于MP 中的電流。
下面分析VB 與VA 的關系。假設在某個時刻,VB 的電位高于VA, 則VDS4 < VDS1, M4 中的電流I4 小于M1 中的電流I1, 而VDS5 > VDS2, 要求I5 > I2, 這使得在同一支路中I4 I5, 顯然不太可能, 所以VB 會與VA 相同, 且保持相同的動態變化。因此, M1 中的電流被再次鏡像至M4, 而且, 由于反饋控制電流源的作用, VA 處的任何微小變化都會強迫VB 也有相同的變化, 保證了電流檢測的精度。
根據系統設計要求, 電流檢測的比例應該為K = 1 000:1, 電路圖中給出了各級電流復制的比例,由于電流檢測電路采用帶反饋控制、電阻值可變的電流源結構, 可以得到VA 等于VB, 又由于設置M1,M4, 和M7 的寬長比相等, 根據MOS 電流公式可以得到:

檢測精度和速度是電流檢測電路兩個重要的指標。由于每個檢測周期的開始階段, 電流檢測電路處于啟動狀態, 所以Is 都有一段啟動時間。這個時間主要由電路中M9、M10管的寄生電容決定, 當兩管的寬度和長度比較小時, 啟動時間很短, 相反, 啟動時間會變長。為了保證電流檢測的精度, M9、M10兩管的L 不能太小, 現取1 um。
[page]
3 仿真結果
通過仔細調整MP 管和M1 管的參數, 設置為MP 管的寬長比為5 000 um /1 um, M1 管的寬長比為5 um /1um。其他管子的參數參見電路圖上的比例復制標注。通過在在Cadence軟件中的spe tre仿真設計工具下, 采用CSMC 0. 5 m CMOS工藝在25℃進行仿真驗證。
下圖3給出電流檢測電路的仿真結果。

圖3 電流檢測電路的仿真波形
從輸出波形的測量可知, 當電感電流IL 最大值如A 點測得的479. 55 A 時, 檢測電流Is 最大值如B點測得的486. 81 A, 基本上滿足了:

故所設計的電流檢測電路能很好滿足設計要求。
4 結論
本文設計了一種適用電流模式的DC /DC 轉換器芯片的電流檢測電路, 通過利用有反饋控制電流源的原理來設計電流檢測電路中的反饋網絡。通過仿真驗證可知所設計的電路性能良好, 采樣精度達到1 000:1, 完全滿足系統設計要求。





