中心議題:
- 開關電源的共模和差模噪聲路徑模型
- 開關電源電路主要元件的高頻模型
- 開關電源共模和差模噪聲的電路模型
開關型變換器噪聲的干擾路徑為干擾源和被干擾設備提供了耦合條件,對其共模干擾和差模干擾的研究尤為重要。本文主要分析了電路主要元器件的高頻模型以及共模和差模噪聲的電路模型,為開關電源PCB 的EMC 優化設計提供有益的幫助。
開關電源的共模干擾和差模干擾對電路的影響是不同的,通常低頻時差模噪聲占主導地位,高頻時共模噪聲占主導地位,而且共模電流的輻射作用通常比差模電流的輻射作用要大得多,因此,區分電源中的差模干擾和共模干擾是很有必要的。
為了區分出差模干擾和共模干擾,我們首先需要對開關電源的基本耦合方式進行研究,在此基礎上我們才能建立差模噪聲電流和共模噪聲電流的電路路徑。開關電源的傳導耦合主要有:電路性傳導耦合、電容性耦合、電感性耦合以及這幾種耦合方式的混合。
1 共模和差模噪聲路徑模型
開關電源中由于高頻變壓器原副邊繞組之間存在的耦合電容CW、功率管與散熱器之間存在的雜散電容CK、功率管自身的寄生參數以及印制導線之間由于相互耦合而形成的互感、自感、互容、自容、阻抗等寄生參數而構成共模噪聲和差模噪聲通路,從而形成共模和差模傳導干擾。在對功率開關器件、變壓器以及印制導線的電阻、電感、電容的寄生參數模型進行分析的基礎上,可獲得變換器的噪聲電流路徑模型。
2 電路主要元器件的高頻模型
功率開關管的內部寄生電感、電容影響到電路的高頻性能,這些電容使得高頻干擾漏電流流向金屬基板,而且功率管與散熱器之間存在著一個雜散電容CK ,出于安全的原因,散熱器通常是接地的,這就提供了一條共模噪聲通路。
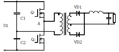
在PWM變換器工作時,伴隨著開關器件的工作,也相應產生了共模噪聲。如圖1 所示,對于半橋變換器,開關管Q1 的漏級電壓始終為U1,源級電位隨開關狀態的改變而在0 和U1/2 之間變化;Q2 的源極電位始終為0,漏極電位在0 和U1/2之間變化。為使開關管和散熱器能保持良好接觸,往往在開關管底部與散熱器之間加上絕緣墊片或者抹上導熱性能良好的絕緣硅膠。這使得A 點對地之間相當于存在一個并聯耦合電容CK。當開關管Q1、Q2 的狀態發生改變,使A 點電位發生變化時,就會在CK 上產生噪聲電流Ick,如圖2 所示。該電流由散熱器到達機殼,而機殼也即大地與主電源線存在耦合阻抗,形成圖2中虛線所示的共模噪聲通路。于是,共模噪聲電流在地與主電源線的耦合阻抗Z 上產生壓降,形成共模噪聲。

圖1 半橋變換器示意圖

圖2 開關管對地電容形成的共模電流回路[page]
隔離變壓器是一種廣泛使用的電源線干擾抑制措施。其基本作用是實現電路之間的電氣隔離,解決由地線環路帶來的設備間相互干擾。對于理想的變壓器,它只能傳送差模電流而不能傳送共模電流,這是因為對于共模電流,它在理想變壓器的兩個端子之間的電位相同,因此不能在繞組上產生磁場,也就不能夠有共模電流通路了,從而起到了抑制共模噪聲的作用。
而實際的隔離變壓器原邊和副邊之間有一個耦合電容CW,這個耦合電容是由于變壓器的繞組之間存在非電介質和物理間隙所產生的,它為共模電流提供了一個通路。
如圖2 所示,A 點是電路中電壓變化最強的區域,它也是產生噪聲的最強的區域。伴隨著電路的高頻開關工作,該點的高頻電壓通過變壓器初次級之間的分布電容Cps、電源線對地線的阻抗、變壓器次級印制線自身的阻抗、電感、電容等參數,而形成變壓器的共模噪聲路徑。
普通隔離變壓器對共模噪聲有一定的抑制作用,但因繞組間分布電容使它對共模干擾的抑制效果隨頻率升高而下降。普通隔離變壓器對共模干擾的抑制作用可用初次級間的分布電容和設備對地分布電容之比值來估算。通常初次級間的分布電容為幾百pF,設備對地分布電容為幾~ 幾十nF,因而共模干擾的衰減值在10~20 倍左右,即20~30dB。為了提高隔離變壓器對共模噪聲的抑制能力,關鍵是要耦合電容小,為此,可以在變壓器初次級間增設屏蔽層。屏蔽層對變壓器的能量傳輸無不良影響,但影響繞組間的耦合電容。帶屏蔽層的隔離變壓器除了能抑制共模干擾外,利用屏蔽層還可以抑制差模干擾,具體做法是將變壓器屏蔽層接至初級的中線端。對50Hz 工頻信號來說,由于初級與屏蔽層構成的容抗很高,故仍能通過變壓器效應傳遞到次級,而未被衰減。對頻率較高的差模干擾,由于初級與屏蔽層之間的容抗變小,使這部分干擾經由分布電容及屏蔽層與初級中線端的連線直接返回電網,而不進入次級回路。
因此,對變壓器的高頻建模非常重要,特別是變壓器的許多寄生參數,例如:漏感,原副邊之間的分布電容等,它們對共模EMI 電平的高低有著顯著的影響,必須加以考慮。實際中,可以使用阻抗測量設備對變壓器的主要參數進行測量,從而獲得這些參數并進行仿真分析。
半橋電路中的直流電解電容Cin有相應的串聯等效電感ESL 和串聯等效電阻,這兩個參數也影響到電路的高頻性能,一般情況下ESL 大約在幾十nH 左右。在實際分析中,無源元件,如電阻器、電感器和電容器的高頻等效寄生參數可用高頻阻抗分析儀測得,功率器件的高頻模型可以從電路仿真軟件的模型庫中得到。
另外一個對電路的高頻噪聲影響較大的因素是印制板上印制導線(帶狀線)的相互耦合,當一個高幅度的瞬變電流或快速上升的電壓出現在靠近載有信號的導體附近,就將產生干擾問題。印制導線的耦合情況通常用電路和導線的互容和互感來表征,容性耦合引發耦合電流,感性耦合引發耦合電壓。PCB 板層的參數、信號線的走線和相互之間的間距對這些參數都有影響。
建立印刷電路板走線高頻模型和提取走線間寄生參數的主要困難是決定印刷板線條單位長度的電容量和單位長度的電感量。通常有三種方法可以用來決定電感、電容矩陣元件:(1)有限差分法(FDM);(2)有限元法(FEM);(3)動量法(MOM)。
當單位長度矩陣被精確的決定以后,通過多導體傳輸線或部分元等效電路(PEE C)理論,就可以得到印刷電路板走線的高頻仿真模型。Cadence 軟件是一種強大的EDA 軟件,它的SpecctraQuest 工具可以對PCB 進行信號完整性和電磁兼容性分析,用它也可以對印刷電路板走線進行高頻建模,實現對給定結構的PCB 進行參數提取,并且生成任意形狀印制導線走線的電感、電容、電阻等寄生參數矩陣,然后利用PEEC 理論,就可以進行EMC 仿真分析。
3 共模和差模噪聲的電路模型
通常電路中的共模干擾和差模干擾是同時存在的,共模干擾存在于電源的任意一個相線與大地之間,差模干擾存在于相線與相線之間。法國Grenoble 電技術實驗室的Teuling、Schnaen 和Roudet 基于由MOSFET 構成的400W、開關頻率為100KHz 的斬波電路實驗模型的研究表明,低頻時差模干擾占主導地位;高頻時,共模干擾占主導地位,這說明開關電源的差模干擾和共模干擾對電路的影響程度是不同的;另一方面,線路寄生參數對差模干擾和共模干擾的影響也不同,由于線間阻抗與線———地阻抗不同,干擾經長距離傳輸后,差模分量的衰減要比共模大。因此,為了解決開關電源的傳導噪聲問題,需要首先區分共模和差模干擾,這就需要建立共模和差模噪聲路徑,然后對它們分別進行仿真和分析,這種方法便于我們找到電磁干擾問題的根源,便于問題的解決。
[page]
在工程上可以用電流探頭來判斷電源是共模還是差模占主導地位,探頭先單獨環繞每根導線,得出單根導線的感應值;然后再環繞兩根導線,探測其感應情況,如果感應值是增加的,則線路中的干擾電流是共模的,反之是差模的。在理論分析中,針對不同的系統,需要分別建立它們的共模和差模噪聲電流模型,在我們上述分析的基礎上,綜合考慮功率器件的高頻模型和印制導線相互耦合關系,我們得到了半橋QRC 變換器的共模和差模干擾電路模型,它示于圖3。圖中的LISN(Line ImpedenceStabilizing network) 是EMC 檢測規定的線性阻抗固定網絡。因為對于50Hz 工頻信號LISN 的電感表現為低阻抗,電容表現為高阻抗,所以對工頻信號LISN 基本不衰減,電源可以經LISN 輸送到半橋變換器中。而對于高頻噪聲,LISN 的電感表現為大阻抗,電容可以視為短路,所以LISN 阻止了高頻噪聲在待測設備和電網之間的傳送,因此,LISN 起到了為共模和差模干擾電流在所需測量的頻段(典型值為100KHz ~30MHz)提供一個固定的阻抗(50ohm)的作用。

圖3 半橋QR C 變換器的噪聲模型
在上圖中,共模噪聲電流分別從兩套LISN 出發,經過電路開關器件、變壓器、PCB 印制導線、副邊電路,又回到LISN 形成共模噪聲電流回路。差模噪聲電流則在兩套LISN、印制導線、開關器件、變壓器之間形成回路。共模噪聲和差模噪聲可以分別取自兩套LISN的電阻上電壓的之差的一半或之和的一半。
即:

所以:

用同樣的方法,可以很方便的得到其它拓撲的傳導干擾電路模型。




