中心議題 :
- 開機浪涌電流產生原因
- 浪涌電流的抑制
- NTC熱敏電阻的選型
解決方案:
- 使用熱敏電阻抑制浪涌電流的電源電路
隨著電子產品對可靠性要求的不斷提高和能源資源的日益緊縮,高可靠性和高效節能的電子產品將是未來電子產品發展的一個方向,因此在產品的電源設計上,必須要充分考慮其可靠性能和電源使用效率。
本文首先分析電子產品為什么會有開機浪涌,然后以典型的電源電路為例分析如何使用熱敏電阻抑制浪涌電流,最后介紹熱敏電阻在實際應用中應如何選型。
開機浪涌電流產生的原因
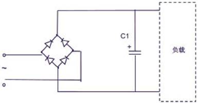
圖1是典型的電子產品電源部分簡化電路,C1是與負載并聯的濾波電容。在開機上電的瞬間,電容電壓不能突變,因此會產生一個很大的充電電流。根據一階電路零狀態響應模型所建立的一階線性非齊次方程可以求出其電流初始值相當于把濾波電容短路而得到的電流值。這個電流就是我們常說的輸入浪涌電流,它是在對濾波電容進行初始充電時產生的,其大小取決于啟動上電時輸入電壓的幅值以及由橋式整流器和電解電容其所形成的回路的總電阻。

圖1 電源示意圖
假設輸入電壓V1為220Vac,整個電網內阻(含整流橋和濾波電容)Rs=1Ω,若正好在電源輸入波形達到90度相位的時候開機,那么開機瞬間浪涌電流的峰值將達到I=220×1.414/1=311(A)。這個浪涌電流雖然時間很短,但如果不加以抑制,會減短輸入電容和整流橋的壽命,還可能造成輸入電源電壓的降低,讓使用同一輸入電源的其它動力設備瞬間掉電,對臨近設備的正常工作產生干擾。
浪涌電流的抑制
浪涌電流的抑制方法有很多,一般中小功率電源中采用電阻限流的辦法抑制開機浪涌電流。圖2是一個常見的110V/220V雙輸入電源示意圖,以此為例,我們分析一下如何使用NTC熱敏電阻進行浪涌電流的抑制。

圖2 110/220Vac雙輸入電源示意圖
NTC熱敏電阻,即負溫度系數熱敏電阻,其特性是電阻值隨著溫度的升高而呈非線性的下降。NTC在應用上一般分為測溫熱敏電阻和功率型熱敏電阻,用于抑制浪涌的NTC熱敏電阻指的就是功率型熱敏電阻器。
圖2中R1~R4為熱敏電阻浪涌抑制器通常放置的位置。對于同時兼容110Vac和220Vac輸入的雙電壓輸入產品,應該在R1和R2位置同時放兩個NTC熱敏電阻,這樣可使在110Vac輸入連接線連接時和220Vac輸入連接線斷開時的沖擊電流大小一致,也可單獨在R3或R4處放置一個NTC熱敏電阻。對于只有220Vac輸入的單電壓產品,只需在R3或R1位置放1個NTC熱敏電阻即可。
其工作原理如下:
在常溫下,NTC熱敏電阻具有較高的電阻值(一般選用5Ω或10Ω),即標稱零功率電阻值。參考圖1的例子,串接10ΩNTC時,開機浪涌電流為:I=220×1.414/(1+10)= 28(A),比未使用NTC熱敏電阻時的311A降低了10倍,有效的起到了抑制浪涌電流的作用。
開機后,由于NTC熱敏電阻迅速發熱、溫度升高,其電阻值會在毫秒級的時間內迅速下降到一個很小的級別,一般只有零點幾歐到幾歐的大小,相對于傳統的固定阻值限流電阻而言,這意味著電阻上的功耗因為阻值的下降隨之降低了幾十到上百倍,因此這種設計非常適合對轉換效率和節能有較高要求的產品,如開關電源。
斷電后,NTC熱敏電阻隨著自身的冷卻,電阻值會逐漸恢復到標稱零功率電阻值,恢復時間需要幾十秒到幾分鐘不等。下一次啟動時,又按上述過程循環。
[page]
改進型電源設計
上述使用NTC浪涌抑制器的電路與使用固定電阻的電路相比,已經具備了節能的特性。對于某些特殊的產品,如工業產品,有時客戶會提出如下要求:1、如何降低NTC的故障率以提高其使用壽命?2、如何將NTC的功耗降至最低?3、如何使串聯了NTC熱敏電阻的電源電路能適應循環開關的應用條件?
對于第1、2兩點,因為NTC熱敏電阻的主要作用是抑制浪涌,產品正常啟動后它所消耗的能量是我們不需要的,如果有一種可行的辦法能將NTC熱敏電阻從正常工作的電路中切斷,就可以滿足這種要求。
對于第3點,首先分析為什么使用了NTC熱敏電阻的產品不能頻繁開關。從電路工作原理的分析我們可以看到,在正常工作狀態下,是有一定電流通過NTC熱敏電阻的,這個工作電流足以使NTC的表面溫度達到100℃~200℃。當產品關斷時,NTC熱敏電阻必須要從高溫低阻狀態完全恢復到常溫高阻狀態才能達到與上一次同等的浪涌抑制效果。這個恢復時間與NTC熱敏電阻的耗散系數和熱容有關,工程上一般以冷卻時間常數作為參考。所謂冷卻時間常數,指的是在規定的介質中,NTC熱敏電阻自熱后冷卻到其溫升的63.2%所需要的時間(單位為秒)。冷卻時間常數并不是NTC熱敏電阻恢復到常態所需要的時間,但冷卻時間常數越大,所需要的恢復時間就越長,反之則越短。
在上述思路的指導下,產生了圖3的改進型電路。產品上電瞬間,NTC熱敏電阻將浪涌電流抑制到一個合適的水平,之后產品得電正常工作,此時繼電器線圈從負載電路得電后動作,將NTC熱敏電阻從工作電路中切去。這樣,NTC熱敏電阻僅在產品啟動時工作,而當產品正常工作時是不接入電路的。這樣既延長了NTC熱敏電阻的使用壽命,又保證其有充分的冷卻時間,能適用于需要頻繁開關的應用場合。

圖3 帶繼電器旁路電路的電源設計示意。
NTC熱敏電阻的選型
NTC熱敏電阻的選型要考慮以下幾個要點:
1.最大額定電壓和濾波電容值
濾波電容的大小決定了應該選用多大尺寸的NTC。對于某個尺寸的NTC熱敏電阻來說,允許接入的濾波電容的大小是有嚴格要求的,這個值也與最大額定電壓有關。在電源應用中,開機浪涌是因為電容充電產生的,因此通常用給定電壓值下的允許接入的電容量來評估NTC熱敏電阻承受浪涌電流的能力。對于某一個具體的NTC熱敏電阻來說,所能承受的最大能量已經確定了,根據一階電路中電阻的能量消耗公式E=1/2×CV2可以看出,其允許的接入的電容值與額定電壓的平方成反比。簡單來說,就是輸入電壓越大,允許接入的最大電容值就越小,反之亦然。
NTC熱敏電阻產品的規范一般定義了在220Vac下允許接入的最大電容值。假設某應用條件最大額定電壓是420Vac,濾波電容值為200μF,根據上述能量公式可以折算出在220Vac下的等效電容值應為200×4202/2202=729μF,這樣在選型時就必須選擇220Vac下允許接入電容值大于729μF的型號。
2.產品允許的最大啟動電流值和長期加載在NTC熱敏電阻上的工作電流
電子產品允許的最大啟動電流值決定了NTC熱敏電阻的阻值。假設電源額定輸入為220Vac,內阻為1Ω,允許的最大啟動電流為60A,那么選取的NTC在初始狀態下的最小阻值為Rmin=(220×1.414/60)-1=4.2(Ω)。至此,滿足條件的NTC熱敏電阻一般會有一個或多個,此時再按下面的方法進行選擇。
產品正常工作時,長期加載在NTC熱敏電阻上的電流應不大于規格書規定的電流。根據這個原則可以從阻值大于4.2Ω的多個電阻中挑選出一個適合的阻值。當然這指的是在常溫情況下。如果工作的環境溫度不是常溫,就需要按下文提到的原則來進行NTC熱敏電阻的降額設計。
3.NTC熱敏電阻的工作環境
由于NTC熱敏電阻受環境溫度影響較大,一般在產品規格書中只給出常溫下(25℃)的阻值,若產品應用條件不是在常溫下,或因產品本身設計或結構的原因,導致NTC熱敏電阻周圍環境溫度不是常溫的時候,必須先計算出NTC在初始狀態下的阻值才能進行以上步驟的選擇。
當環境溫度過高或過低時,必須根據廠家提供的降功耗曲線進行降額設計。將功耗曲線一般有兩種形式,如圖4所示。

圖4 降功耗曲線
對曲線a,允許的最大持續工作電流可用以下公式表示:


對曲線b,允許的最大持續工作電流可用以下公式表示:

事實上,不少生產廠家都對自己的產品定義了環境溫度類別,在實際應用中,應盡量使NTC熱敏電阻工作的環境溫度不超出廠家規定的上/下限溫度。同時,應注意不要使其工作在潮濕的環境中,因為過于潮濕的環境會加速NTC熱敏電阻的老化。
結論
通過以上分析可以看出,在電源設計中使用NTC熱敏電阻型浪涌抑制器,其抑制浪涌電流的能力與普通電阻相當,而在電阻上的功耗則可降低幾十到上百倍。對于需要頻繁開關的應用場合,電路中必須增加繼電器旁路電路以保證NTC熱敏電阻能完全冷卻恢復到初始狀態下的電阻。在產品選型上,要根據最大額定電壓和濾波電容值選定產品系列,根據產品允許的最大啟動電流值和長時間加載在NTC熱敏電阻上的工作電流來選擇NTC熱敏電阻的阻值,同時要考慮工作環境的溫度,適當進行降額設計。





