中心議題:
- TMS320LF2407的結構特點
- 系統結構
- 工作原理
1 引言
隨著工業和科學技術的發展,用戶對電能質量的要求越來越高。包括市電在內的所有原始電能可能滿足不了用戶的要求,必須經過處理后才能使用,逆變技術在這種處理中起到了重要的作用。傳統的逆變技術多為模擬控制或模擬與數字相結合的控制系統,其缺點為
1)控制電路的元器件比較多,體積龐大,結構復雜;
2)靈活性不夠,硬件電路一旦設計完成,控制策略就不能改變;
3)調試比較麻煩,由于元器件特性的差異,致使電源一致性差,且模擬器件的工作點漂移,會導致系統參數的漂移,從而給調試帶來不便。
因此,傳統的逆變器在許多場合已不適應新的要求。
隨著高速、廉價的數字信號處理器(DSP——Digital Signal Processor)的問世,于是便出現了數字電源(DPS—— Digital Power Supply)。其優點有
1)數字化更容易實現數字芯片的處理和控制,避免模擬信號傳遞的畸變、失真,減少雜散信號的干擾;
2)便于系統調試;
3)如果將網絡通迅和電源軟件調試技術相結合,可實現遠程遙感、遙測、遙調。
這些使得逆變電源數字化控制成為今后的發展趨勢。
本文采用TI公司專門為電機及電力電子領域設計的TMS320LF2407型DSP作為控制器,介紹數字化周波逆變器的硬件設計和軟件設計。
2 TMS320LF2407的結構特點
TMS320LF2407具有高速信號處理和數字化控制功能所必需的結構特點。將其優化的外設單元和高性能的DSP內核相結合,可以為各種類型電機提供高速和全變速的先進控制技術。其主要特點為
1)其系統運行主頻達30MHz,使得指令周期縮短到33ns,絕大部份指令均可在單周期內完成,提高了控制器的實時能力。
2)2個事件管理器模塊EVA和EVB,每個包括2個16位通用定時器;8個16位的脈寬調制(PWM)通道。它們能夠實現三相反相器控制;PWM的對稱和非對稱波形;當外部引腳PDPINTx出現低電平時快速關閉PWM通道;可編程的PWM死區控制以防止上下橋臂同時輸入觸發脈沖;16 通道A/D轉換器等功能。事件管理模塊適用于控制交流感應電機、無刷直流電機、開關磁阻電機、步進電機、多級電機和逆變器。
3)10位A/D轉換器最小轉換時間為500ns,可選擇由兩個事件管理器來觸發兩個8通道輸入A/D轉換器或一個16通道輸入的A/D轉換器。
4)高達40個可單獨編程或復用的通用輸入/輸出引腳(GPIO)。
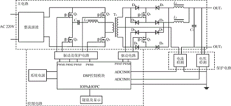
3 系統結構
本系統由主電路和控制電路兩部分組成,如圖1所示。主電路部分,采用移相式零電壓、零電流(PS-ZVZCS)全橋變換器和相控周波變換器 PCCYC(Phase ControlLED Cycle Converter)。跟其它變換器相比,相控周波變換器始終都可以工作在第一、三象限,與移相技術相結合,可以極大地提高高頻變壓器的工作效率。同時,采用高頻環進行逆變,因而無須采用工頻變壓器,使體積減小。全橋變換器部分,利用可飽和電感Lr和隔直電容Cr實現對環流的阻斷,可以在很寬的負載范圍內實現超前橋臂的ZVS和滯后橋臂的ZCS,減小了開關應力,降低了損耗,提高了工作效率。Lr和Cr的選擇可參考文獻[4]。控制部分,采用快速、高效的 DSP作為核心控制器,通過光耦隔離,并有IGBT自保護的專門驅動芯片EXB841來驅動主電路中的功率開關管。與采樣電路,保護電路配合,可對輸出實行實時控制,具有較快的動態響應速度和良好的輸出特性。
系統結構圖

圖1 系統結構圖
[page]
4 工作原理
Q1~Q4構成全橋,Q5、Q6組成周波變換器。開關管的驅動波形如圖2所示。
開關管的驅動波形

圖2 開關管的驅動波形
整個工作過程可分為4個階段,下面分別說明。
第一階段 Q1、Q4導通
當Q1、Q4(有相位差)導通,并讓Q5提前導通,直流側的能量便可傳輸到輸出端。此時諧振電感儲能,Q5軟開通,減少了開關損耗。如圖2中 ug5所示。
第二階段 諧振
由于電路隔直電容和諧振電感(包括變壓器中漏感)諧振,電感在第一階段所保存的能量得以釋放。當諧振電流到零時,關斷Q1。此階段Q2、Q4導通,Q5延遲一段時間再關斷。如圖2中ug5所示。
第三階段 Q2,Q3導通
在此階段,使Q6在Q2,Q3導通前提前導通。當Q2,Q3(Q1,Q2之間有死區)導通時,直流側的能量便可傳遞到輸出端,此時Q6為軟開通。如圖2中ug6所示。
第四階段 諧振
工作原理同第二階段類似,此時電流方向與第二階段相反,當電感上的能量釋放完畢,關斷Q6。此時一個周期便結束,開始下一個周期。
從圖1可以看出,無論變壓器副邊電壓極性如何,若Q5導通、Q6關斷,則輸出端OUT1為正,OUT2為負;若Q6導通,而Q5關斷,則 OUT2為正,而OUT1為負。所以,控制Q5,Q6的導通順序,即可控制輸出端的極性,并可獲得多種波形,例如交流、脈沖等波形均可實現。如要輸出正弦波的正半周時,PULS1控制Q1,Q4,PULS2控制Q2,Q3,并同時讓Q5,Q6相應地提前導通,便可輸出正弦波的正半周,如圖3所示。
輸出正弦波的正半周

(a) 驅動波形
輸出正弦波的正半周

(b) 輸出波形
圖3 輸出正弦波的正半周




