中心議題:
- 關鍵元器件的選擇
- 系統控制電路的實現
- 選擇額定電壓為3.3 V、工作電流為6 mA的超亮LED作為光源
- 采用性價比比較好的單晶硅太陽能電池
- 選用超級電容做為儲能元件
- 采用施密特觸發器的六反相器74HC14設計電路
引言
隨著經濟的發展和社會的進步,人們對能源提出了越來越高的要求,尋找新能源已成為當前人類面臨的迫切課題。由于太陽能發電具有火電、水電、核電所無法比擬的清潔性、安全性、資源的廣泛性和充足性,太陽能被認為是二十一世紀最重要的能源。太陽能的存儲是太陽能產品發展的關鍵,目前主要采用各種電池,但是電池的充電時間長、壽命短以及不環保一直是太陽能產品發展的瓶頸,而超級電容器作為一種充電快、壽命長、綠色環保型儲能元件,它給太陽能產品的發展帶來了新的活力。本文詳細介紹了一種超級電容器太陽能草坪燈的設計及實現方法。該草坪燈很好的結合了太陽能和超級電容器的優勢,它無需安裝其他電源,就可以主動發光,還能夠根據環境光線的強弱自動控制燈的開關,而且安裝方便、不用布線、工作穩定可靠、免維護、環保無污染、使用壽命長,可廣泛應用于廣場綠地、小區草坪等場所。
設計選擇
a. 光源的選擇
由于LED技術目前已經實現了關鍵性突破,同時性能價格比也有較大地提高。現在的LED壽命已可達到100 000h以上,而且工作電壓低,非常適合應用于太陽能草坪燈上。另外,LED由低壓直流供電,其光源控制成本低,可以調節明暗,并可頻繁開關,而且不會對LED的性能產生不良影響。因此,從可靠性、性價比、色溫和發光效率等幾個方面綜合考慮,設計時可選擇額定電壓為3.3 V、工作電流為6 mA的超亮LED作為光源。由于草坪燈不但要有裝飾作用,還要有一定的照明功能,故可選擇8個LED使用。
b. 太陽能電池的選擇
太陽能電池是依據半導體PN結的光伏效應原理把太陽光能轉化為電能的半導體器件,是超級電容器太陽能草坪燈的核心器件。太陽能電池性能的好壞直接決定著能量的轉換效率及輸出電壓的穩定性,同時也直接決定了超級電容器太陽能草坪燈的性能。因此,設計時應采用性價比比較好的單晶硅太陽能電池。
由于地球上各個地區的太陽年總輻射量與平均峰值日照時數不同,太陽能草坪燈的設計和燈的使用地理位置是有關系的,太陽能電池組件額定輸出功率和燈具的輸入功率之間的關系大約是2~4:1,具體比例要根據燈的每天工作時間以及對連續陰雨天的照明要求決定。本系統的太陽能電池的功率為3.3V×0.006×8=0.1584 W,假設每天工作12個小時,太陽能電池功的效率為40%,每天有效工作時間為5小時,則可選用3 W/6 V的太陽能電池。
[page]
c. 超級電容的選擇
由于太陽能電池的輸入能量極不穩定,同時草坪燈只是在周圍光線較弱時才發光,因而必需配置蓄電系統才能有效工作。現階段普遍采用鉛酸蓄電池、Ni-Cd蓄電池或Ni-H蓄電池,但采用蓄電池作為蓄電系統有許多缺陷:首先可充電型蓄電池的充電次數有限(小于1000次),使用壽命較短;其次,由于其化學結構的影響,它不能進行大電流充電;第三,蓄電池需要有防過充、防過放以及溫度補償等控制電路,而且控制電路比較復雜;第四,可充電型蓄電池主要利用化學反應來進行充放電,電池中的廢物會對環境產生污染,不屬于環保產品。
因此,本產品中選用超級電容做為儲能元件。該電容具有法拉級的超大電容量,超強的荷電保持能力,且漏電流非常小,8小時電壓下降率小于5%;無須特別的充電電路和控制放電電路,充電迅速,而且可以在僅高于其漏電流(典型值約為1 mA)的狀態下充電,因此,即使在陰天,太陽能電池也能對超級電容器充電;與蓄電池相比,其過充、過放都不對其壽命構成負面影響,可靠性高、使用壽命長(充放電循環壽命在10萬次以上);此外還具有優良的溫度性能,可在-40℃~75℃的環境溫度中正常使用;無污染,是一種綠色電源;可焊接,而且不存在象蓄電池那樣接觸不牢固等問題。
本太陽能草坪燈產品選用錦州凱美能源有限公司生產的6個2.5 V/150 F超級電容器組成的5.0V/225 F電容器模塊,其單只電容器產品的ESR(DC)只有20mΩ,直徑25 mm,高為48 mm。5 V/225 F超級電容器充電時間為(在充電電流為450mA的情況下):
![]()
式中:C-電容器額定容量;△U-電容器工作電壓變化;I-電容器充電電流;t-電容器充電時間。
超級電容器放電時間為:
![]()
式中:ESR為電容器的直流內阻。5 V/225 F超級電容器可從5 V放電到0.6 V。
系統控制電路的設計
a. 充電電路
本系統中的充電電路由防過壓和防反充電路構成,圖1所示為其充電電路,圖中的ZD1為5.6V穩壓二極管,當電池電壓高于5.6 V時,Q2導通,硅電池全部電流通過電阻Q2消耗掉,當硅電池電壓降到5.6 V以下時,Q2截至,硅電池給超級電容充電,并同時保護超級電容。

防止反充電控制電路可以保證在太陽能電池輸入電壓低于超級電容電壓時,超級電容不會反向對太陽能電池充電,以免造成不必要的能量損耗。反充電控制可由圖1中的二極管D1來完成,這個二極管選用肖特基二極管,因為肖特基二極管的導通壓降比普通二極管低。
[page]
b. 驅動LED穩壓電路
由于所選用的LED燈的額定電壓為3.3 V,而超級電容器的電壓為5.0 V,并且超級電容器在放電過程中電壓會不斷降低,因此需要有穩壓電路來驅動LED。
本文選用CMOS工藝制造且靜態電流極低的VFM開關型DC/DC升壓穩壓器,該芯片內部包括VFM控制電路、LX開關驅動晶體管、基準電壓單元、振蕩器、誤差比較放大器、電壓采樣電阻、LX開關保護電路等。芯片外部只需要一個電感、一個輸出電容和一個肖特基二極管就可以提供穩定的低噪聲輸出電壓。該穩壓器具有8μA的極低輸入電流、低紋波、低噪聲特性,效率可達到80%,并具有0.6 V的極低啟動電壓,輸出電壓精度可達±2.5%。該部分電路如圖2所示。

其中331C外圍的電感和二極管會影響轉換效率,此外,電容和電感也會影響輸出波紋。因此。設計時應選擇合適的電感、電容和肖特基二極管以獲得較高的轉換效率和較低的波紋和噪聲。根據331C的數據手冊,本設計選擇47μH且小于0.5 Ω的電感和47μF的低ESR的鉭電容。用于整流的二極管對DC-DC的效率影響很大,雖然普通的二極管也能夠使DC-DC電路工作正常,但是會降低DC-DC轉換器5%~10%的效率,所以D3采用正向導通電壓較低、反應時間較短的肖特基二極管lN5817。
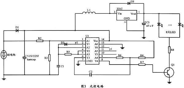
c. 光控電路
超級電容器太陽能草坪燈需要光控開關電路來控制LED的開關。以便在周圍環境光線變暗時點亮LED,并當光線變亮時關閉LED。有些光控開關電路采用光敏電阻來開關LED,也可以直接采用太陽能電池做光敏開關,因為太陽能電池特性比光敏電阻好。這部分電路如圖3所示。

圖3中,U1為帶施密特觸發器的六反相器74HC14,其中的多諧振蕩器由第二個反相器與R5和C1構成。這樣,在白天光線變亮時,太陽能電池電壓升高,74HC14的1腳為高電平,74HC14的2腳為低電平,8腳同樣輸出低電平,三極管Q1截至,LED關斷。而當光線變暗時,太陽能電池電壓降低到一定程度時,HC14的1腳為低電平,HC14的2腳為高電平,多諧振蕩器開始振蕩,并經過Y4輸出高、低電平,Q2時而導通時而截至,此時只要調節R6和C1的值,以把閃光頻率調節到人眼不能分辨即可,這樣做的最大好處是可以延長草坪燈工作時間。經實際測試,該電路可以每天連續工作10小時以上,完全可以達到用戶的使用需求。
結束語
本超級電容器太陽能草坪的設計采用了超級電容和集成的DC-DC芯片,因而整個電路設計簡單,可靠性高,屬于綠色環保產品。目前,此設計已經成功應用于實際產品之中。



