攝影愛好者在室內、夜間、陰影下或逆光的情況下進行攝影時,若要獲得滿意的拍攝效果,通常要用借助各種的輔助照明設施,這其中以電子閃光燈的性能最佳。而電子閃光燈的種類很多,從結構區分,主要有單體閃光燈和照相機內藏式閃光燈兩大類。從電路區分,主要有以下幾種常見電路。
電子閃光燈電路一:

最普通的閃光燈電路通常由DC—DC變換、儲能、充電顯示、觸發及閃光燈管組成。如圖l、圖2所示。市場上的卡片機和過去常用的低檔膠片傻瓜相機的內藏閃光燈一般都采用這類電路。圖1、圖2所示電路的工作原理是相同的。接通電開關后,由三極管和振蕩線圈、整流二極管構成的反擻式DC-DC變換電路將電池的低電壓變換成300V左右的直流脈動電壓,對儲能電容器充電,當電壓上升到額定電壓的百分之七十(約200V左右)時,VG點亮。這時即可按動快門按鈕,進行閃光攝影。快門動作時,同步觸發開關閉臺,觸發閃光燈管,儲能電容器通過閃光燈管放電閃光。
電子閃光燈電路二:

在圖一、圖二的電路中,當VG點亮之后,由于振蕩電路在工作,故耗電較大。若將圖一、圖二中的部分電路改為圖三、圖四所示,則可能大大降低VG點亮后的耗電。
[page]
電子閃光燈電路三:

在圖三所示的電路中,在儲能電容器C2所充電壓低于VG的啟輝電壓(一般為25o~27OV)時,VG不點亮,VT4因無基極偏流而截止,振蕩電路工作。當c2所充電壓太于VG 的啟輝電壓時,VG點亮,VT4導通,振蕩管VT3截止,此時電源所消耗的電流基本上由R4決定。當C2上的電壓降低時,VG熄滅,VT4截止,VT3又進入振蕩工作狀態。
電子閃光燈電路四:

圖四所示電路的工作原理與圖3類似。自動調光閃光燈電路采用自動調光的閃光燈,可根據被攝物體所受光照的強弱,自動確定燈閃時間的長短,來得到正確的閃光曝光量。
[page]
電子閃光燈電路五:

圖5所示為并聯控制式自動調光閃光燈電路電路中振蕩和主閃光燈管的觸發閃光與普通閃光燈相似。當主閃光燈管發光后,光敏管VD2 接收到被攝物體反射回來的光,使可控硅VS導通,于是C6儲存的電能經T3振蕩升壓,觸發旁路閃光燈泡,迅速將主電容器C2的電能泄放,使主閃光燈管停止發光,從而獲得正確的閃光曝光量。由于并聯控制式電路比較簡單,故應用廣泛。
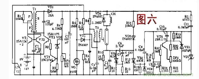
電子閃光燈電路六:

圖6所示電路的閃光指數可在一定范圍內連續可謂,其振蕩管由VT1,VT2并聯而成,從而改善了振蕩管的太電流工作條件。主電容器C3為恒壓充電。閃光指數的調節是通過電位器RP1來實現的。調節RP2,可改變VT5的發射極電位,該電位與C9上的積分電壓相比較,然后變成和閃光燈閃光時間相對應的脈沖信號,使可控硅VS2導通 于是C6儲存的電能反向加到VS1兩端,迫使VS1關端,閃光燈管停止閃爍。
[page]
電子閃光燈電路七:

圖7、圖8電路所示的是自動閃光燈,在圖7所示電路中,當被攝物的亮度較低時,光敏電阻R7的阻值增大,三極管VT1飽和導通,VT2截止,閃光振蕩電路開始工作。反之,由于VT3的基極被VT2飽和鉗制而不能振蕩。
電子閃光燈電路八:

圖8所示電路的特點是,在未攝影前.主電容器C3已充好電。攝影時,如果被攝物體的亮度較弱,則VTl截止.VS導通,隨著快門的開啟,同步開關s2接通,閃光燈閃亮。反之,VT1飽和導通,vs截止,閃光燈不閃亮。
目前,很多相機上設有延時自動斷電功能,一般是打開相機前蓋開關后,若在幾十秒鐘內沒有拍照,則相機(包括內藏閃光燈)自動斷電。此時按下拍攝按鈕,只需在拍攝按鈕按至中遺約停留一穢鐘,即可自行恢復通電。
[page]
電子閃光燈電路九:

在圖9所示白廿自動斷電閃光燈電路中,增加了一個延時電路。當電源開關S1接通后,比較器輸出低電平,VT1導通,閃光燈振蕩,主電容器C3充電。在VT1導通期間,若進行了拍攝,即手拍按鈕開關S2或自拍開關S3接通,則比較器持續保持低電平狀態。否則,隨著計時電容器C1的充電,當A點電位低于B點電位時,比較器輸出高電平,VT1截止,閃光燈停振。
更多閱讀:
電源設計技巧十例:相機閃光燈電容充電器設計
http://www.sz-bosch.com/power-art/80021217
LED閃光燈驅動在照相手機中的應用
http://www.sz-bosch.com/power-art/80015032
手機相機的LED閃光燈驅動電路設計
http://www.sz-bosch.com/opto-art/80014368


