中心議題:
- LED日光燈驅動的形式及特點
- LED日光燈電路設計
- LED日光燈電路的PSpice仿真
解決方案:
- 降壓電容選擇
- 輸出整流及濾波電路設計
- 輸出保護電路設計
目前小功率LED在使用時會對LED進行并聯、串聯,而使用過程中只要有一個LED 短路或開路,都將導致小片或整條LED熄滅,影響照明效果,因此研究簡單、廉價的驅動電路具有重要的意義。本文介紹了LED日光燈驅動的特點,設計了實用的電容降壓式LED日光燈驅動電路,著重分析了關鍵元件參數的選擇原則。采用PSp ice仿真軟件對設計的電路進行了可行性驗證,并在此基礎上制作了實物電路,用作12W T8標準LED日光燈電源。經實驗驗證,該電路穩定可靠,成本低,適用于多種小功率LED驅動。
1 日光燈電路設計
1. 1 LED日光燈驅動
目前小功率照明產品中,廣泛使用兩種驅動電路形式:恒流驅動和穩壓驅動。前者電路輸出的電流是恒定的,輸出電壓隨負載的變化而變化,且恒流驅動通常使用恒流IC,使用時對IC承受的最大電壓值要求較高,限制了LED 使用的數量。后者輸出電壓是固定的, 輸出電流隨負載(LED)數量的增減而變化。實驗證實,由于LED封裝中其正向壓降離散值較大,且LED亮度輸出與其電流成正比,LED 亮度一致性較差,但通過串加合適電阻可以使每串LED亮度平均,較適于低端照明市場。
1. 2 LED日光燈電路設計
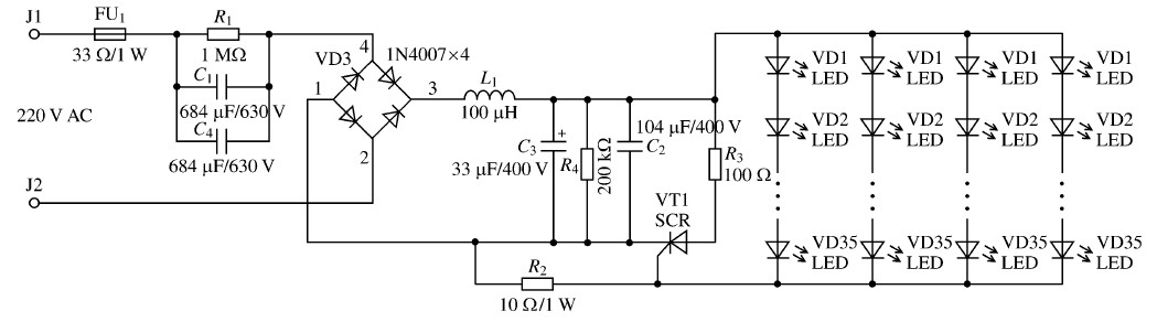
LED日光燈驅動電路原理圖如圖1所示。

圖1 LED日光燈驅動電路
該電路共驅動140只白光LED (小功率) ,采用35串4并的模式,采用電容降壓式驅動方式。其中, C1、C4 為并聯的兩個相同的電容,起降壓及限流作用; 4個1N4007組成的整流橋對輸入交流電壓進行整流;濾波電容C3 用于濾除整流輸出電壓中的交流成分,使電壓更為平滑; L1、C2 用于濾除輸出電壓中的高頻成分;電阻R4 為C3 提供放電回路;采用單向晶閘管SCR729210對電路進行保護, R3 為限流電阻。
1. 2. 1 降壓電容選擇
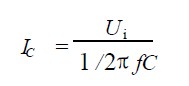
因為通過降壓電容C 向負載提供的電流IO實際上就是流過C 的充放電電流IC.當負載電流IO 小于C的充放電電流IC 時,多余的電流就會流過濾波電容C2。

式中:Ui ---輸入交流電壓有效值;f---交流信號頻率。
因此,對于負載所消耗的64 mA電流IO ,至少需要降壓電容值Cmin = 0. 928 μF.另外,為保證C可靠工作,其耐壓選擇應大于2倍的電源電壓,因此,選擇兩個684MF /630 V電容并聯工作。
1. 2. 2 輸出整流及濾波電路
根據有些文獻,整流橋上單個二極管所承受的電壓最大值URM = √2Ui (Ui 為輸入電壓的有效值)= 318. 4 V, 因此,選用常用的整流二極管1N4007 (URM = 1000 V,IF = 1 A)。
為使輸出端得到平滑的負載電壓,一般取RL C≥ (3~5) T /2,其中RL 為負載阻抗, T為輸入信號周期( 0. 02 s) ,可得C≥24. 38 μF.原則上電容值取的越大,輸出電壓越平滑,其紋波值越小。但是,隨著電容容量的增大,其體積也隨著增大,考慮到電路要安裝在普通T8 燈管中,實取33μF /160 V 的電解電容;同時為得到更平滑的輸出電壓, 選取L1 為100 μH 線繞電感, C1 為0. 01μF瓷片電容。
[page]
1. 2. 3 輸出保護電路設計
LED中使用的電流不能超過其規格穩定值,長期超過負荷不僅不會增大亮度(白光LED在大電流下會出現飽和現象,發光效率大幅度降低) ,而且還會縮短LED 壽命,影響LED 照明電路的可靠性。由于LED正向導通后,其正向電壓的細小變動將會引起LED電流的大幅度變化,因此,需要在輸出端設置輸出保護電路。
該電路由VT1、R2、R3 組成,VT1采用Motoro2la公司的MCR729210 (UDRM = 800 V,控制極觸發電壓UGT = 0. 8 V,觸發電流IGT = 10 mA) .R2 為單向晶閘管提供觸發偏置電壓,其阻值的選擇至關重要,如果值太大,則電路中某些不穩定因素導致LED中的電流瞬間變大,會導致晶閘管頻繁觸發,保護電路頻繁起作用,造成電路工作不正常;如果阻值選的過小, LED可能在超出其規格穩定值下工作,保護電路不靈敏,會造成LED壽命縮短。因要求LED支路電流為16 mA,則:

為留有一定的裕量,選取R2 = 10Ω。
2 仿真及實驗分析
2. 1 日光燈電路的PSpice仿真
為理論上驗證設計的可行性,采用PSp ice軟件對電路進行了仿真分析。結果如圖2所示。電路在210 ms時進入穩定狀態,穩定后其輸出電壓為97 ±2. 2 V,輸出電流為14. 7 ±0. 3 mA,基本驗證了電路設計的可行性。LED 日光燈電路輸出特性如圖2所示。

圖2 LED日光燈電路輸出特性。
為驗證輸出保護電路的功能,對電阻R2 進行參數掃描分析,之后進行性能分析。結果如圖3所示。可以看出,當R2 從1 Ω 增大到13. 889Ω時,輸出電流開始下降,表明此時單向晶閘管處于臨界導通狀態;然后隨著R2 的繼續增大,輸出電流急劇下降,直至R2 為15. 119Ω時,輸出電流穩定在5. 2 mA 左右,表明單向晶閘管已經完全導通,保護電路已經起作用。

圖3 輸出電流與R2 阻值關系曲線
[page]
2. 2 試驗數據
從PSp ice仿真的結果來看,電路設計具有可行性,因此依據此電路制作了12 W 日光燈。標準燈管為1 190 mm ×30 mm,采用兩條相同的PCB電路板(尺寸593 mm ×25 mm)對接而成,并采用湖州升譜SPL2000電光源光色電綜合分析系統對電路的相關參數進行了測試。實測輸入電壓VAC為220 V時,該電路總電流127 mA,相當于每支路為15. 85 mA,電路功率因數為0. 465,電路實耗功率為11. 4W。
在不損壞LED的條件下進行了測試,降壓電容C1 的電容值與輸出電流的關系如圖4所示(因為兩個電容是相同的,圖4中只表示出單一電容值)。可見,隨著電容值的增加,輸出電流幾乎呈線性上升,待增加到一定值時(約20 mA) ,保護電路起作用,迫使經過LED支路的電流下降。

圖4 實測輸出電流與降壓電容的關系
3 結 語
采用電容降壓式驅動電路設計了12 W標準T8 LED日光燈電路。該電路具有體積小、成本低等特點,通過改變降壓電容可適合用作多種LED燈具電源。雖然電源功率因數偏低,但特別適合低端照明市場應用。依據此電路,通過改變降壓電容值,共制作了1W、4W、8 W、12 W等多種照明產品。




