【導讀】ADI 專利的容性可編程增益放大器(PGA)相比傳統的阻性PGA具有更佳的性能,包括針對模擬輸入信號的更高共模電壓抑制能力。本文描述了斬波容性放大器的工作原理,強調了需要放大傳感器小信號至接近供電軌——比如溫度測量(RTD 或熱電偶)和惠斯登電橋——時,此架構的優勢。
本文描述了斬波容性放大器的工作原理,強調了需要放大傳感器小信號至接近供電軌——比如溫度測量(RTD 或熱電偶)和惠斯登電橋——時,此架構的優勢。
Σ-Δ 型模數轉換器(ADC)廣泛用于傳感器具有較小輸出電壓范圍和帶寬的應用中(比如應變計或熱敏電阻),因為這種架構提供高動態范圍。具有高動態范圍是因為,相比其它 ADC 架構,它具有低噪聲性能。
Σ-Δ 型轉換器基于兩條原理工作:過采樣和噪聲整形。當 ADC對輸入信號進行采樣時,獨立于采樣頻率的量化噪聲會在直到采樣頻率一半的整個頻譜內擴散。因此,如果輸入信號以比奈奎斯特理論所推導出的最小值高很多的頻率采樣,則目標頻段內的量化噪聲下降。
圖 1 顯示了不同采樣頻率下的量化噪聲密度示例。

圖 1. 不同采樣頻率下,頻率范圍內的量化噪聲密度。
一般而言,對于特定的目標頻段,每 2 個過采樣系數就會使動態范圍改善 3 dB(假定為白噪聲頻譜)。Σ-Δ 型轉換器的第二個優勢是噪聲傳遞函數。它將噪聲整形至更高頻率(如圖 2 所示),進一步降低了目標頻段內的量化噪聲。

圖 2. Σ-Δ 噪聲整形。
此外,Σ-Δ 架構可能集成數字濾波器,用來移除目標頻段外的量化噪聲,實現出色的動態范圍性能,如圖 3 所示。

圖 3. LPF 之后的量化噪聲。
輸入緩沖器
過采樣架構的缺點之一是,相比其它采樣頻率較低的架構,驅動 Σ-Δ 型調制器的輸入緩沖器要求可能會更嚴格。采集時間變得更短,因此緩沖器需要更高帶寬。現代 Σ-Δ 型轉換器片上集成輸入緩沖器,最大程度簡化使用。
此外,在檢測系統中,為檢測元件提供具有高精度的極高輸入阻抗對于測量精度而言極為關鍵。這使得輸入緩沖器的要求更為嚴格了。
集成輸入緩沖器還有其它挑戰。Σ-Δ 型調制器可在低頻率時提供極低噪聲,但所有其它元件(比如輸入緩沖器)都會使熱噪聲增加,而更嚴重的則是低頻閃爍噪聲,如圖 4 所示。

圖 4.閃爍噪聲。
此外,緩沖器失調也可能增加總系統誤差。通過系統校準可以補償失調,但如果失調漂移相對較高,那么這種方式就無法實現,因為每次工作溫度發生改變都會要求系統重新校準,以補償緩沖器失調。
例如,當失調漂移為 500 nV/°C 時,10°C 溫度遞增將等于 5 µV失調范圍,在±2.5 VREF 24 位 ADC 中這相當于 16.8 LSB,即約為 4 位。解決這兩個問題的典型途徑是對緩沖器的輸入和輸出進行斬波,如圖 5 所示。

圖 5.斬波放大器。
對輸入進行斬波之后,輸入頻率便調制到較高頻率。緩沖器失調和閃爍噪聲依然保持其最初的低頻率,因為它們不受輸入斬波的影響。
輸出去斬波機制將輸入頻率解調回基帶,同時向上調制緩沖器產生的失調和閃爍噪聲至較高頻率,隨后由 ADC 低通濾波器加以消除。
某些情況下,輸入緩沖器可以采用基于電阻的儀表放大器(阻性 PGA)來代替,以使小傳感器信號滿足全調制器輸入范圍,最大程度提升動態范圍。需注意,基于電阻的儀表放大器相比差分阻性放大器是更好的選擇,因為分立式傳感器需要更高的輸入阻抗。阻性 PGA 可實現類似的斬波方案,如圖 6 所示。

圖 6.阻性 PGA。
阻性 PGA 可能需要級聯第二組緩沖器,因為放大器可能無法提供直接驅動調制器所需要的足夠帶寬。同時,必須保持低功耗,這就確定了電阻值,進而確定了放大器帶寬。
使用這種放大器拓撲的主要問題是,它限制了共模電壓——尤其是在增益大于 1 的時候,因為阻性 PGA 具有取決于輸入信號的浮動共模值,如圖 6 所示。
此外,阻性網絡失配及其漂移也是影響總誤差預算的因素之一,因為它可能會影響大多數的精度規格。為避免這些限制,最新的 Σ-Δ 型轉換器采用了容性 PGA。
容性 PGA 放大原理與阻性 PGA 相似:增益取決于電容比,如圖 7 所示。為了放大直流信號,容性 PGA 在 PGA 輸入端引入了斬波機制直流輸入信號調制到斬波頻率,然后由容性放大器進行放大。最后,信號通過輸出去斬波解調回直流。此外,放大器失調和閃爍噪聲調制到斬波頻率,并在之后的級中進行低通濾波。

圖 7.容性 PGA(為簡便起見,移除了部分模塊)。
相比阻性架構,這種容性架構有一些優勢:
它能更好地權衡噪聲與功率,因為噪聲源較少。需要較少的放大器,而且相比電阻,電容不會產生噪聲。
電容比電阻有非常多的優勢。除了無噪聲外,電容不會受到自發熱影響,且通常具有更好的匹配和溫度漂移。這對失調、增益誤差和漂移規格有正面影響。
電容可將輸入共模從信號鏈共模的其余部分去耦。這樣可以提供 CMRR、PSRR 和 THD 等優勢。
容性 PGA 的最大優勢之一,是它的輸入共模范圍可以是軌到軌或更高。這樣便有可能從正供電軌下至負供電軌的幾乎任何地方對傳感器共模電壓進行偏置。
這種容性架構結合了儀表放大器的優勢,具有極高的輸入阻抗(因為輸入阻抗是一個電容),其優勢是電容(而不是電阻)作為增益元件,增加了放大器的動態范圍——這不僅是因為它的信號擺幅,還因為其噪聲效率的緣故。
克服阻性PGA共模限制的常見解決方案是增加或偏移供電軌,或者重新對中傳感器信號共模。這樣做的代價是功耗更高、電源設計更復雜、使用更多外部元件,以及更高的成本。
實際例子
在惠斯登電橋中,共模電壓由連接兩個橋臂的阻抗決定,且與施加的電源成正比。電子秤應用即采用這種檢測拓撲,因為它具有針對應變計的線性檢測優勢;圖 8 顯示了一個半橋式 II類電路。

圖 8.采用惠斯登拓撲并包含應變計的電子秤。
表 1. 惠斯登電橋中的阻性 PGA 和容性 PGA 對比(假設使用標準電源和增益)

應變計的靈敏度通常為 2 mV/V。惠斯登電源越高,靈敏度也就越高。為了增加應變計的動態范圍并最大化 SNR,電橋可能采用比 ADC 更高的電源供電。
由于阻性 PGA 的共模限制,電橋應當采用與 ADC 相同的電源供電,以便最大程度提升動態范圍;而在容性 PGA 中,電橋可以采用幾乎為 ADC 兩倍的電源供電,因為不存在輸入共模的限制。
例如,假設標準電源為 ADC 提供 3.3 V 電平,則對于相同的增益,容性 PGA 相比阻性 PGA 的改進總結見表 1。可能存在的另一個問題,是當電橋的連接位置離 ADC 較遠時,接地之間可能有所不同。這也許會使共模電壓偏移,從而導致ADC 輸入共模相對于電橋不平衡,并降低阻性 PGA 中的最大允許增益。
使容性 PGA 性能與阻性 PGA 相當的可行辦法是以更高的電源電壓對電橋供電。比如,以±3.3 V 雙極性電源對電橋供電,從而增加應變計的靈敏度,但代價是更高的系統復雜性和功耗。可能會得益于容性 PGA 的另一個例子是采用電阻式溫度檢測器(RTD)或熱電偶的溫度測量應用。常用 RTD 電阻(比如 PT100)可以用來直接檢測溫度,或間接檢測熱電偶的冷結,如圖 9 所示。

圖 9.典型熱電偶設置。
每一個 PT100 器件都提供不同的導線,采用最受歡迎的高性價比三線式配置。
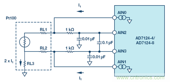
測量溫度并消除引線誤差的傳統方法如圖 10 所示。本例中,集成 PGA 的 Σ-Δ 型 ADC AD7124-8 的內部電流源以相同電流驅動雙線式 RTD,在兩個引線上產生相同的失調誤差,其值與引線電阻成正比。
由于 AD7174-8 具有較小的引線電阻和電流(為了最大程度減少自發熱效應),RL3 產生的失調電壓靠近負供電軌,極大地降低了阻性 PGA 中允許的最大增益,因為其輸入共模相比容性 PGA 同樣將會非常接近供電軌,在內部將共模電壓設為電源供電軌的一半,允許更高的增益配置,從而提高總動態范圍。建議的解決方案極大降低了系統和硬件連接的復雜性,因為第三條線纜不應返回至 ADC PCB,并可連接 RTD 位置附近的地。

圖 10.三線式 RTD 測量。
為了增加溫度測量的精度,建議采用四線式測量。本例中,只使用了一個電流基準。為了避免電流源的不精確性,可以將精密電阻用作 ADC 基準電壓發生器來進行比例測量,如圖 11 示。

圖 11.比例四線式 RTD 測量。
選擇適當的外部精密電阻值,使 RTD 上產生的最大電壓等于基準電壓除以 PGA 增益。
對于 3.3 V 電源而言,在阻性 PGA 中,精密電阻上產生的電壓應為 1.65 V 左右,否則 PGA 共模電壓將限制最大增益。其結果是,最大增益信號應等于 1.65 V。在容性 PGA 中,不存在輸入共模的限制,因此 RTD 共模信號可以靠近頂部供電軌放置,最大程度提升了精密電阻生成的 ADC 基準電壓,并因此實現最高的可選增益和動態范圍。
表2. 四線式 RTD 比例測量中的阻性和容性 PGA 對比

表 2 總結了阻性 PGA 相對于容性 PGA 的最大增益,最大電流源為 500 µA,限制了 Pt100 的自發熱(假定 B 類 RTD,此時最高溫度為 600°C,最大 VREF 為 2.5 V)。
結論
相比阻性 PGA,容性 PGA 具有多項重要優勢。諸如噪聲、共模抑制、失調、增益誤差以及溫度漂移等關鍵規格都由于電容作為增益元件的固有溫度穩定性以及匹配屬性而得到了改善。
另一項重要特性是內部共模電壓從放大器內部共模電壓中去耦。當待放大的輸入信號為靠近供電軌的共模電壓時,這點尤為重要。阻性 PGA 的增益選擇嚴重受限于其共模限制,或者要求更高的供電軌或外部元件將輸入信號重新偏置到供電軌的一半。而容性 PGA 卻可以輕松處理這種檢測場景。某些最新的 Σ-Δ 型 ADC 產品集成了容性 PGA,比如 AD7190、AD7124-4、AD7124-8 和 AD7779。




