【導讀】近來跟一些業內客戶交流,筆者聽到了一個“新奇”的說法:某廠家的模塊化UPS有一個奇妙的功能,就是單個功率模塊可以單獨作為完整UPS使用,并列為一大賣點。看來市場營銷也要與時俱進,這不就是以前的“分散旁路”的模塊化UPS嗎?十多年來都沒有改變過的技術,現在被包裝成新賣點了,這真是“知識就是力量”啊。
熟悉模塊化UPS發展的業內同仁應該都了解,模塊化UPS的系統架構從開始就有兩條不同的技術路線:分散旁路和集中旁路。這里筆者想從技術的來源和性能可靠性來對比談談這兩種方案的選擇,希望能給讀者一些啟發和幫助。
一、兩種旁路方案的架構定義和來源
模塊化UPS,顧名思義,是將大功率的UPS系統,分開成多個子模塊并聯,通過優化的系統控制,實現系統的在線擴容升級、維護,并大幅提高系統的可靠性、可用性和節能效果,降低客戶的維護成本,近年來已經漸漸成為主流客戶的首選。下面以市場上典型的基于10個30kVA功率模塊的300kVA系統來做分析。
(1)分散旁路架構
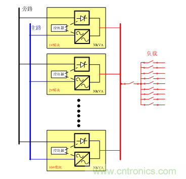
分散旁路架構,即每個功率模塊含有整流、逆變和電池變換等部分以外,還含有與功率模塊容量相等的靜態旁路,可以認為是一臺沒有液晶監控的UPS。多個模塊在機柜中并聯組成系統,模塊間相互關系類似于傳統多并機UPS系統。系統切換到旁路供電時,負載由所有功率模塊內的分散旁路來并聯供電。系統架構圖如圖1所示。

圖1. 分散旁路架構圖
(2)集中旁路架構
集中旁路架構,系統只有一個與系統容量相等的集中旁路模塊,功率模塊內僅包含整流、逆變和電池變換電路,每個部分均由獨立的控制器,模塊間的并聯不再是傳統的UPS并機系統,而是包含復雜的逆變均流,旁路控制和監控等邏輯。系統架構圖如圖2所示。

圖2. 集中旁路架構圖
(3)兩種技術方案的發展來源
模塊化UPS的概念,最先起源于客戶對系統維修的簡易化的需求,希望能在故障情況下不影響關鍵業務,進行簡單的更換操作即可恢復系統。廠家天然地就想到把UPS并機系統設計成模塊化結構,這也就是分散旁路方案的來源。
分散旁路方案的優點是:控制簡單,開發難度小,僅須將原有的UPS并機系統移植并優化監控部分即可;機柜成本低;旁路器件因為容量較小,成本也相對較低;靜態旁路有多路冗余。
集中旁路方案是繼分散旁路之后發展起來的技術路線,相比傳統并機UPS系統,從并聯均流控制、系統邏輯協調、容錯能力方面都做了非常大的改動,可以說是一個全新的技術領域,開發難度大。
下面的章節將介紹兩種技術路線帶來的性能和可靠性方面的差異。
二、兩種方案的性能差異
靜態旁路作為UPS供電的最后一道屏障,重要性不言而喻,常見的旁路供電的情況有以下幾種:逆變器故障、逆變器過載或過溫、輸出短路。可以看到,旁路供電的工況多數是極端工況,對器件的考核應該加倍嚴酷。
(1)穩態工況
旁路供電時,集中旁路方案很好理解,只有一個旁路提供全部電流,旁路容量按照系統最大容量來設計,跟模塊配置數量無關,不存在任何問題。
分散旁路方案是由多路小功率靜態旁路來承擔負載,由于旁路回路是低阻回路,多回路的均流沒有辦法用軟件方法來控制,模塊間的均流完全取決于以下幾個因素:
l1)個體器件間的差異,主要是導通壓降的差異,器件廠家的分散性不可避免;
l2)回路阻抗的差異,主要是各回路線纜的長度無法保證一致,且線纜連接點阻抗因工藝控制等原因無法把握;
一般來說,即使是最樂觀的估計,均流差異都不大可能會小于20%以內,也就是說,存在部分模塊電流過大的風險,這在嚴酷的應用中是非常危險的。
由于這個不可控的均流能力,部分廠家提出了“解決方案”——旁路均流電感,原理簡單粗暴,就是每個旁路回路串聯一個電感(如圖3所示),利用電感的阻抗來平衡各支路的電流(同樣也是常規并機系統的方法)。且不說電感量的10%的個體差異,帶來更大的系統損耗,這種方案還會有下面瞬態性能上不可逾越鴻溝。

圖3. 某廠家的旁路均流電感
(2)瞬態工況
逆變切換到旁路的工況,基本上是緊急工況,切換時序要求非常高,否則容易造成關鍵負載中斷。在大負載或者是故障電流情況下切換,瞬間的操作電流可能會數倍于系統額定電流,這也就是為什么靜態旁路設計要求更大的余量。
靜態旁路器件抗瞬態電流沖擊的主要參數是I2t,也就是短時間(一般小于10ms)的電流積分,如果I2t過大,器件即很可能燒毀。UPS的性能參數中,常見規定的旁路過載能力為1000% 維持10ms,也就是在配電開關保護時間(10ms)內旁路需要提供不小于10倍額定電流。下面以300kVA系統為例,分析不同器件的抗沖擊能力的差異。
分散靜態旁路器件,因為目前技術能力的原因,器件單體最大電流等級為70A,根據某著名廠家的器件規格書,提供的最大I2t為7200A2S(<10ms),300k系統可以認為是10路器件并聯運行。

集中靜態旁路,用的都是SCR模塊,最主流廠家為德國賽米控(SEMIKRON),我們看看其中一個型號SKKT323/16E的I2t參數,同樣10ms條件下為450000 A2S,兩者之間的相差超過60倍!
而我們計算一下對于常見的1000% 過載 10ms的I2t需求,對于300kVA系統而言。

也就是說,集中旁路的單個SCR模塊,完全能夠提供超過10倍額定電流的10ms保護能力,而基于分立器件的靜態旁路,即使不考慮器件不均流,也是遠遠不夠的!
瞬態切換的均流控制,不光與器件、各回路阻抗有關,也與控制相關。由于各個模塊有各自的控制器,存在各處理器的處理速度、通信延時和模塊自身差異等因素影響,各模塊的實際切換動作一定有不等的延時,這就導致了第一個切到旁路的模塊,很可能承受著100倍于模塊容量的額定電流!由于是瞬態大電流,即使串聯旁路均流電感也不會起到任何限流作用。這對于任何器件來說都是不可能完成的任務,這種切換無異于原地爆炸。短路故障電流的示意圖如圖4所示。

圖4. 短路故障電流示意圖
當然,分散旁路的廠家也深知這個道理,也提供了相應的“解決方案”,就是:短路情況下只有逆變維持200ms,然后不切旁路,直接關機!
我們來解釋一下,10倍額定電流的工況常見于輸出短路工況,當逆變器不能提供足夠的分斷故障的電流(通常為3倍額定維持200ms)的情況下,系統將切換到旁路供電,用旁路的低阻抗大電流去沖開短路點的保護器件(開關或熔斷器),這是配電設計里必須考慮的,如果是正確設計的配電系統,各分路的保護設計不應該產生越級保護,即下游的故障不應該導致上游的開關動作,系統最壞的情況就是切換到旁路,然后利用旁路強大的過載能力沖開下游的保護器件,這就是旁路抗沖擊要求的來源。
使用分散旁路的系統,如果強行切換到旁路,由于抗沖擊能力的不足和非同步的切換,毫無疑問將會導致器件損壞,系統宕機,所以廠家設計就只能禁止切換到旁路??梢韵胂笤谝粋€復雜的機房或者工廠內,只要有一個分支發生短路故障,后果就是整個系統束手就擒!這在實際應用中是無論如何不能接受的,但這同時是分散旁路無法解決的固有問題。
三、系統可靠性分析
分散旁路尚可宣稱的優點就是旁路冗余,集中旁路被認為是存在單一故障點,下面我們來分析一下。
(1)從器件選型的角度上分析
從器件選型的角度上來說,單個大功率SCR的可靠性遠高于數量眾多的小型器件組成的系統,集中旁路模塊功能簡單,僅需要考慮器件和少量外圍驅動電路的影響,而分散旁路因為是分布在功率模塊內,同時受模塊內部眾多器件的影響。有維修經驗的工程人員都知道,整流、逆變電路的故障都有可能因為火花飛濺等原因造成其他部分電路的故障,也就是說靜態旁路面臨了較多的不確定風險。如果說集中旁路是單一故障的話,分散旁路可能要被稱為“多點故障”了。
(2)從系統容量角度上分析
從系統容量角度上來說,集中旁路的容量按照機柜設計,與配置的模塊數量無關。而分散旁路的靜態旁路容量由模塊容量決定,也就是說,當模塊故障時,系統將會失去相應的靜態旁路容量。一個比較極端的例子,當機柜配置2個功率模塊時,如果負載率是55%左右,當一個模塊故障時,剩余的一個模塊則會處于110%過載的工況,最終的結果就是系統掉電。同樣工況對于集中旁路來說,完全不是問題。集中旁路模塊因為器件容量的優勢,甚至有些廠家提供125%長期過載的能力,這對系統可靠性來說有絕對的保障。
(3)集中旁路的可靠性設計分析
集中旁路的可靠性設計,眾多主流廠家也提出了很多提升可靠性的方案,比如冗余備份的控制回路方案,通信總線冗余的方案,功率模塊和旁路模塊控制解耦方案,功率模塊參與旁路控制方案,每個廠家的解決方案各有特色,經過多年的市場驗證,能夠大大提升系統的可用性,加上旁路模塊普遍的熱插拔設計,維修升級與功率模塊一樣簡便。
四、總結
通過以上的分析,希望可以讓大家能夠進一步了解到兩種方案的系統綜合性能和產品可靠性的差異。
技術流派的爭論和路線選擇是產品開發的正?,F象,對于用戶來說,正確了解各路線的利弊是至關重要的,兼聽則明,可以避免陷入營銷概念的誤區。然而,對于生產廠家而言,技術路線的選擇意義重大,一旦路線確定,產品開發將無法中途轉變,后續產品系列也必將延續,這就是為何無論業界如何發展,分散旁路的廠家仍然無法轉向另一陣營。目前最主流的模塊化UPS廠家,比如艾默生、伊頓、APC、英威騰、華為等,都是采用集中旁路的方案,精明的客戶應該心中明白個中緣由。
推薦閱讀:





