【導讀】CAN總線通訊已經從汽車電子行業逐漸向各行各業鋪開使用了,例如軌道交通、礦井監控等。在設計CAN總線接口電路時需要注意哪些問題呢?
對于提高CAN總線節點的可靠性而言,離不開隔離、總線阻抗匹配、總線保護等,在設計CAN節點時要注意這些點以提高總線電路可靠性和安全性。
一、隔離
信號隔離
隔離收發器可將總線和控制電路進行電氣隔離,將高壓阻擋在控制系統之外,可以有效地保證操作人員的人身及系統安全。不僅如此,隔離可以抑制由接地電勢差、接地環路引起的各種共模干擾,保證總線在嚴重干擾和其它系統級噪聲存在的情況下不間斷、無差錯運行。如圖 1所示,使用隔離收發器后,可以有效防止形成地環路,總線參考地可跟隨共模電壓的波動而波動,共模電壓全部由隔離帶承受,共模電壓對總線信號變得不再可見,從而保證總線穩定可靠地通信。

CAN總線上建議使用磁隔離技術。磁隔離技術可靠性較高,磁耦消除了與光耦合器相關的不確定的電流傳送比率、非線性傳送特性以及隨時間漂移和隨溫度漂移問題;磁耦均帶有25KV/us的瞬態共模抑制能力,且能夠在電壓差峰值560V的環境下正常工作。磁耦器件可提供5000Vrms/min及6000V/10sec的電壓隔離保護,多種型號的磁耦帶有±15KV的ESD保護。長壽命。采用芯片級變壓器技術傳輸信號,消除光耦傳輸時的器件損耗。器件內部基本不存在損耗,正常工作條件下至少達到50年工作壽命。低功耗。磁耦基于芯片級變壓器傳輸原理,信號傳輸時幾乎不存在能量損耗,因此能以極低的功耗實現高度的數據隔離。相同速率下,其功耗僅為光耦的1/10~1/6。
電源隔離
信號通道做隔離后,建議電源通道也做隔離,可直接采用帶隔離的DC-DC隔離模塊實現,如下圖所示。

DC-DC隔離電源模塊
二、阻抗匹配
電信號在在電纜上傳輸時,當阻抗不連續或者發生突變時,就會發生信號反射。反射的過程十分的復雜,甚至可能發生多次反射,反射的信號疊加在正常的信號上,引起電平變化,導致數據傳輸出現錯誤。為了消減這種信號反射的方法,我們是使傳輸電纜上的阻抗保持連續,但是電纜總是有終點的,終點的阻抗是突變的,為了使終點阻抗保持連續,CAN-Bus規定要在電纜兩端接入匹配電阻。這個終端電阻的阻值一般選用120Ω。如圖 3所示。

CAN總線終端電阻匹配
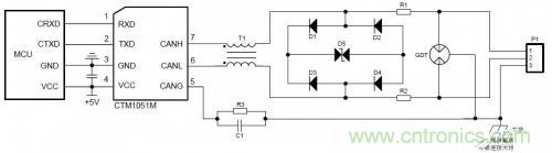
三、保護措施
節點在戶外等惡劣的現場環境時,容易遭受大能量的雷擊,此時需要對CAN 信號端口添加更高等級的防護電路,保證節點不被損壞以及總線的可靠通訊。

CAN節點端口推薦電路
上圖中除了右端的保護電路,中間使用的CAN隔離收發器模塊,該模塊主要集成了CAN收發器、DC-DC電源模塊、信號隔離電路三部分電路,打包封裝成一個獨立的模塊,可大大簡化CAN硬件設定的難度,降低開發時間成本。

CTM1051CAN隔離收發模塊


