【導讀】天氣變得越來越冷,起床困難戶也越加增多,設置各種鬧鐘根本沒用,最后誤點的各種悲劇產生,還每個月總是少了好多百元大鈔,躺著也中槍的伱有不有同感?但是當你清晨聽見是類似炸彈的鬧鐘,響徹耳邊,會不會一躍而起各種清醒呢?那就趕緊隨小編一起來DIY一個炸彈鬧鐘吧!
鬧鐘-人類史上最自虐的發明、讓嗜睡男們又愛又恨的家伙,像黑白無常一樣把我們從溫柔鄉里無情地帶走,多少美夢在它那催命符般的叫聲中灰飛煙滅。可是卻又多少次成功地把我們叫醒,避免了因為遲到誤點引發的各種悲劇。為上班族挽回了月底那幾張百元大鈔。
但是,就算是世界上最厲害的鬧鐘,也總有失靈的時候。因為嗜睡男們的睡功也不是蓋的。多年的抗戰早已練就了一身本事,誰也無法阻擋他們追求藝術的腳步。
為此,各種稀奇古怪的鬧鐘陸續誕生,其職責就是讓嗜睡男們抓狂蘇醒。相信很多嗜睡男都有過類似的經歷,讀書或工作的時候,每天早上起床的第一件事情就是讓該死的鬧鐘閉嘴,然后匆匆刷牙洗漱出門。但是又不得不周而復始。在每晚睡覺前再次調整好鬧鐘, 以防第二天遲到誤點悲劇面對鐵血班主任或恐怖BOSS。
想必讀者一定都看過關于拆炸彈的影集吧, 如果當你早上起床的時候看見身邊有一個類似的物體, 會有什么感覺?好了, 你也會有機會體驗這樣的感覺, 而代價并不需要付出你的生命,而是你的睡眠。
材料準備:直徑2厘米的熱水管一條,價格十幾塊,五金店有售。 (用于 DIY 模型雷管)

裁切成七條20cm 留待備用。

自己繪制了 TNT 炸彈的外包裝圖紙。 A4打印紙 TNT 雷管圖紙三張備用。最好是高光相片紙,這樣子出來的效果更 YY,比較逼真。

每張 A4圖紙裁切成四分同等大小,背部用雙面膠粘貼道具雷管(熱水管)。

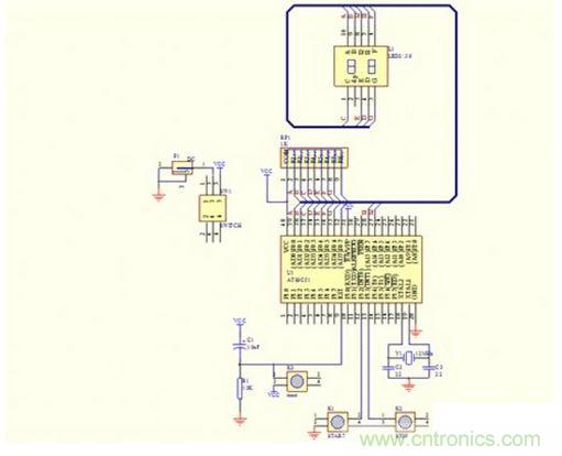
好了,先晾一邊,接著就是 DIY TNT 雷管時鐘電路部分了。有電子基礎的童鞋們可以考慮自己買材料自己 DIY,下面有所需的配件和電路圖,沒有電子基礎的童鞋們也可以直接上淘寶買成品模塊。

一個是 99 秒倒計時電路裝置,{99 秒后倒計時報警。}


99 秒后倒計時報警電路圖

另外一個是簡易電子時鐘。支持整點報時,可設置鬧鐘。

簡易電子時鐘連線圖

簡易電子時鐘電路圖
[page]

花了數個小時飛線焊接后的面板展示
接著把 DIY 的 TNT 雷管模型下四上三堆疊在一起, 用黑色電工膠布捆好。 把電路板用扎帶扎到模型雷管上。
嘿嘿,一顆 TNT 定時炸彈就制作成功了,為了追求逼真的效果, 剪了一段網線, 抽出里面的小銅芯。 用螺絲刀一圈一圈繞彎。

接著把幾段繞彎的小銅線固定在電路板和雷管模型之間。

這樣就大功告成了。一顆逼真的 TNT 雷管炸彈模型鬧鐘就出爐了。

供電問題:制作好的電路板可以通過 USB 供電,也可以通過三顆 1.5V 的五號電池供電。電池剛好可以容納在直徑 2 厘米的熱水管內部。
通電測試無誤后把模型雷管捆綁起來, 用魔術扎帶把電路板扎在雷管上。 撿一段網線掏出幾條小銅線繞彎裝飾后,一顆恐怖的 TNT 時鐘炸彈完工。


