- 多功能電子元器件檢測電路的探究
- 利用穩壓二極管檢測電路和可控硅檢測電路
- 利用光電耦合器檢測電路和陶瓷振子檢測電路
- 利用石英晶振檢測電路和行輸出變壓器檢測電
- 利用紅外線遙控接收器和發射器檢測電路
在維修家用電子產品時,特別是彩色電視機的維修中,經常要測量穩壓二極管的穩壓值,測量可控硅、光電耦合器、陶瓷振子、石英晶振、紅外線遙控接收器、紅外線遙控發射器、行輸出變壓器等電子元器件的好壞。這些電子元器件的參數或好壞都不能直接用萬用表檢測,應用本文介紹的多功能電子元器件檢測電路板,可簡單準確地測量它們的參數或好壞,給維修工作帶來很大的方便。
多功能電子元器件檢測電路板由七個單元電路組成,組裝在一塊10cm×6.5cm的萬能電路板上,共用一組電源輸入電路,體積小巧。各單元電路的電源端通過短路線插頭與電源輸入電路相連,配合一個輸出電壓可調的直流電源和一塊萬用表,即可方便地進行檢測。
穩壓二極管檢測電路
穩壓二級管穩壓值的測量電路如圖1所示,圖中插入被測元器件的插座采用集成電路插座改制而成。將被測穩壓二極管按圖1中要求的極性插入插孔中,用萬用表的直流電壓擋測量穩壓二極管兩端的直流電壓。先將直流電源的輸出電壓調到最低,接通電源,將輸入電壓由低向高調整,當發光二極管D正常發光后,在一定范圍內調整輸入電壓,穩壓二極管兩端的電壓近似不變時,萬用表的指示值即為被測的穩壓二極管的穩壓值。

可控硅檢測電路
可控硅檢測電路如圖2所示,先用萬用表檢測出被測可控硅的A、G、K極,再將被測可控硅的A、G、K三個引腳插入對應的插孔中,接通電源,不按按鈕開關S時,發光二極管D2不發光,按一下按鈕開關S時,若發光二極管D2能持續發光,則被測可控硅是好的。
[page]

光電耦合器檢測電路
光電耦合器檢測電路如圖3所示,可將TLP621等四個引腳的光電耦合器插入插座左端的四個引腳的插孔中,將TLP332等六個引腳的光電耦合器插入插座右端的六個引腳的插孔中。接通電源后,電源經RP、R1給IC中的發光二極管提供一個正向電壓,發光二極管發光,使IC中的光電三極管導通,3腳外接的發光二極管D發光,若調節RP時,發光二極管的亮度能跟著變化,則被測光電耦合器是好的。

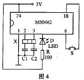
陶瓷振子檢測電路
陶瓷振子檢測電路如圖4所示,外接元件455kHz或500kHz陶瓷振子X,C1、c2與集成電路M50462的2、3腳內部電路組成455kHz或500kHz的振蕩電路,將被測的455kHz或500kHz陶瓷振子插入插孔中,接通電源,按住按鈕開關S時,發光二極管能不停地閃爍發光,則說明被測陶瓷振子是好的。

石英晶振檢測電路
石英晶振檢測電路如圖5所示,BG與C1、C2、石英晶振X等組成高頻振蕩電路,C3、D1和D2組成二倍壓整流電路。將被測石英晶振插入插孔中,接通電源后,若發光二極管D3能持續發光,則被測石英晶振是好的。

當陶瓷振子或石英晶振的諧振頻率發生變化時,雖不能被檢測出來,但這種損壞情況極小,若需進一步判斷諧振頻率是否變化,可采用代換法。
紅外線遙控接收器和發射器檢測電路
紅外線遙控接收器和紅外線遙控發射器的檢測電路如圖6所示。圖中Y是直徑為1cm,高為1cm左右的圓柱形小體積蜂鳴器,插孔的標號“+”、“-”表示遙控接收器的電源端,“o”表示遙控接收器的信號輸出端。若檢測一體化的三端紅外線遙控接收器,將被測遙控接收器的3只引腳插入對應的插孔中,接通電源,用一只好的紅外線遙控發射器對著遙控接收器,按住遙控發射器的任意按鍵時,若D1能閃爍發光,同時蜂鳴器Y發聲,則被測紅外線遙控接收器是好的。若要檢測紅外線遙控發射器的好壞,要將一只好的紅外線遙控接收器插入插座中,按下被測紅外線發射器的任何按鍵時,發光二極管D1都能閃爍發光,同時蜂鳴器發聲,則被測紅外線遙控發射器是好的。

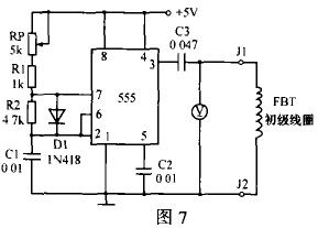
行輸出變壓器檢測電路
行輸出變壓器檢測電路如圖7所示,555集成定時器與外接元件構成多諧振蕩器。調節RP可產生12.5~25kHz的方波脈沖,由3腳經C3耦合輸出作為FBT初級線圈電諧振的激勵脈沖,C3與FBT初級線圈組成一串聯諧振電路。

在輸出端J1、J2接上良好的FBT初級線圈,接通電源時,用指針式萬用表的交流電壓擋監測FBT初級線圈兩端的電壓,調節RP使電壓表的指示數最大,其最大指示數一般在26V左右。用數字電壓表的200V交流電壓擋測量時,其最大指示數一般在50V左右。當用一段導線穿過FBT的磁芯,再將兩端短接摸擬FBT的線圈短路故障時,則萬用表的示數下降到3V左右。
萬用表的指示值不一定準確等于15kHz左右的正弦波(諧振時,用示波器測量FBT兩端為一幅度為80Vpp的正弦波)的有效值。但接上好的FBT,電壓表的指示值有26V左右,接上線圈匝間短路的FBT時,電壓表的指示值一般只有5V左右,差別很大,不會影響對FBT線圈匝間是否短路的準確判斷。






