中心議題:
- 開關電源產生電磁干擾的機理
- EMI濾波器的正確選擇
- 開關電源電磁干擾解決辦法
解決方案:
- 正確選擇EMI濾波器
- 進線電抗器+EMI濾波器
開關電源具有體積小、重量輕、效率高等優點,廣泛應用于各個領域。由于開關電源固有的特點,自身產生的各種噪聲卻形成一個很強的電磁干擾源。所產生的干擾隨著輸出功率的增大而明顯地增強,使整個電網的諧波污染狀況愈加嚴重。對電子設備的正常運行構成了潛在的威脅,因此解決開關電源的電磁干擾是減小電網污染的必要手段,本文對一臺15kW開關電源的EMC測試,分析其測試結果,并介紹如何合理地正確選擇EMI濾波器,以達到理想的抑制效果。
1 開關電源產生電磁干擾的機理
圖1為所測的15kW開關電源的傳導騷擾值,由圖中可以看出在0、15~15MHz大范圍超差。這是因為開關電源所產生的干擾噪聲所為。開關電源所產生的干擾噪聲分為差模噪聲和共模噪聲。

圖1未加任何抑制措施所測得的傳導騷擾
1.1共模噪聲
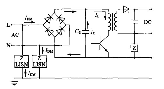
共模噪聲是由共模電流,IcM所產生,其特征是以相同幅度、相同相位往返于任一電源線(L、N)與地線之間的噪聲電流所產生。圖2為典型的開關電源共模噪聲發射路徑的電原理圖。

圖2 共模噪聲電原理圖
由于開關電源的頻率較高,在開關變壓器原、副邊及開關管外殼及其散熱器(如接地)之間存在分布電容。當開關管由導通切換到關斷狀態時,開關變壓器分布電容(漏感等)存儲的能量會與開關管集電極與地之問的分布電容進行能量交換,產生衰減振蕩,導致開關管集電極與發射極之間的電壓迅速上升。這個按開關頻率工作的脈沖束電流經集電極與地之問的分布電容返回任一電源線,而產牛共模噪聲。
[page]
1.2差模噪聲
差模噪聲是由差模電流IDM昕產生,其特征是往返于相線和零線之間且相位相反的噪聲電流所產生。
1.2.1差模輸入傳導噪聲
圖3為典型的開關電源差模輸入傳導噪聲的電原理圖。
其一是當開關電源的開關管由關斷切換到導通時,回路電容C 通過開關管放電形成浪涌電流,它在回路阻抗上產生的電壓就是差模噪聲。

圖3差模輸入傳導噪聲電原理圖
其二是工頻差模脈動噪聲,它是由整流濾波電容c 在整流電壓上升與下降期問的充放電過程中而產生的脈動電流與放電電流,也含有大量諧波成分構成差模噪聲。
以上兩種差模噪聲都返回到輸入端的交流電網,所以稱為輸入傳導噪聲,它不僅污染電網,還給其它接人電網的電子、電氣設備造成危害,還直接導致輸入功率因數的下降。
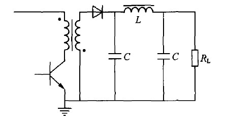
1.2.2 差模輸出傳導噪聲
第三種差模噪聲是輸出傳導噪聲,它是整流輸出部分二極管由正偏轉為反偏時,反向電流與二極管結電容、分布電感產生尖峰電壓而造成的差模噪聲,圖4為典型的半波整流濾波電路:

圖4 差模輸出傳導噪聲電原理圖
2 EMI濾波器的正確選擇
EMI濾波器是以工頻為導通對象的反射式低通濾波器,插入損耗和阻抗特性是重要技術指標。EMI濾波器在正常工作時處于失配狀態,因為在實際應用中,它無法實現匹配。如濾波器輸入端阻抗 (電網阻抗)是隨著用電量的大小而改變的。濾波器輸出端的阻抗 。(電源阻抗)是隨著負載的大小而改變的。要想獲得最佳的EMI抑制效果,必須根據濾波器的兩端所要連接的源端阻抗特性和負載阻抗特性來選擇EMI濾波器的電路結構和參數,即遵循輸入、輸出端阻抗失配原則。一般選用方法是:
(1)低的源阻抗和低的負載阻抗:選取(T)n 濾波器結構;(2)高的源阻抗和高的負載阻抗:選取(π )n“濾波器結構;(3)低的源阻抗和高的負載阻抗:選取(LC)n“濾波器結構;(4)高的源阻抗和低的負載阻抗:選取(CL) 濾波器結構。
若不能滿足阻抗失配的原則,就會影響濾波器的插損性能,嚴重時甚至引起諧振,在某些頻點處出現干擾放大現象,所以,阻抗失配連接原則是應用EMI濾波器必須遵循的原則。
[page]
針對圖l所測得的傳導騷擾值,可以看出在0.15~15MHz范圍內嚴重超差,最大值超過限值近40dB,而且尖峰較為密集。說明電源所產生的浪涌電壓和浪涌電流較大,即電源的du/dt、di/dt很大,也就是產生的_F擾能量很大。開關電源共模噪聲等效電路呈高阻抗容性,而差模等效電路高、低阻抗同時存在。針對這種情況,EMI濾波器的電路結構選為二級共模電感和一個單獨的差模電感型式,這樣既可以濾除共模噪聲,又可以濾除差模噪聲。插入損耗為40dB,所測得的傳導騷擾值如圖5所示。

圖5加EMI濾波器后所測的傳導騷擾
由圖5可以看出,傳導騷擾值在某些頻段處還有超差,效果不十分理想,這是因為,傳導接受機所測得的傳導騷擾值是個綜合參數,它無法判斷出在0.15—15MHz頻率范圍內,共模干擾和差模干擾孰重孰輕,一般講:在0.15~0.5MHz低端差模干擾分量很大,在0.5~5MHz共模干擾和差模干擾同時存在,在5~30MHz之間共模分量較大。原因之二是由于濾波器的電感和電容元件都受其分布參數的影響,頻率愈高所受的影響愈大。濾波器內部電感、電容的裝配工藝、接地質量也會對插入損耗產生很大的影響。原因之三是,由于濾波器電感會受到電流浪涌的影響,它工作的峰值電流比額定電流要大一倍左右,在重載和滿載時,差模電感容易產生磁飽和現象,致使電感量迅速下降,導致插入損耗性能變壞。
3 較為理想的解決辦法
針對以上情況,在EMI濾波器前端再串接一個一定值的電感,在交流電路中電感的數值 X= wL=2πrfL,電感就是一個電抗器,所以此電感也稱為進線電抗器。由X =2πrfL可知,它的感抗與頻率成正比,對于低頻電流可以暢通無阻地通過進線電抗器,對于高頻電流進線電抗器呈高阻抗、高壓降。因此,進線電抗器可作為電流的低通(高阻)濾波器。
并且,開關電源所產生的諧波電壓大部分都降在了進線電抗器上。所以,串接進線電抗器不但使傳導騷擾值整體下降了,還使電壓諧波得到了改善。當電感值選為6mH時,其抑制效果如圖6所示。所以對已定型的大功率開關電源,選擇進線電抗器+EMI濾波器,不失為解決其電磁騷擾的比較理想的方法。

圖6進線電抗器+EMI濾波器后所測的傳導騷擾
4 結語
大功率開關電源產生電磁干擾是一個復雜的問題,電源產生電磁干擾以傳導干擾的危害尤為嚴重。根據電磁干擾產生的機理,正確選擇EMI濾波器是有效抑制傳導干擾的關鍵所在,其目的就是有效地抑制開關電源對電網的傳導干擾,又可以降低從電網引入的傳導干擾,使開關電源的電磁兼容性達到國家標準規定的限值要求。




