- 探討電磁兼容EMC設計
- 分析電磁兼容EMC測試技巧
- 設計從元器件選型、印制板設計等的角度考慮
- 測試采用靜電抗擾度檢測等的方法
當前,日益惡化的電磁環境,使我們逐漸關注設備的工作環境,日益關注電磁環境對電子設備的影響,從設計開始,融入電磁兼容設計,使電子設備更可靠的工作。
電磁兼容設計主要包含浪涌(沖擊)抗擾度、振鈴波浪涌抗擾度、電快速瞬變脈沖群抗擾度、電壓暫降、短時中斷和電壓變化抗擾度、工頻電源諧波抗擾度、靜電抗擾度、射頻電磁場輻射抗擾度、工頻磁場抗擾度、脈沖磁場抗擾度、傳導騷擾、輻射騷擾、射頻場感應的傳導抗擾度等相關設計。
電磁干擾的主要形式
電磁干擾主要是通過傳導和輻射方式進入系統,影響系統工作,其他的方式還有共阻抗耦合和感應耦合。
傳導:傳導耦合即通過導電媒質將一個電網絡上的騷擾耦合到另一個電網絡上,屬頻率較低的部分(低于30MHz)。在我們的產品中傳導耦合的途徑通常包括電源線、信號線、互連線、接地導體等。
輻射:通過空間將一個電網絡上的騷擾耦合到另一個電網絡上,屬頻率較高的部分(高于30MHz)。輻射的途徑通過空間傳遞,在我們電路中引入和產生的輻射干擾主要是各種導線形成的天線效應。
共阻抗耦合:當兩個以上不同電路的電流流過公共阻抗時出現的相互干擾。在電源線和接地導體上傳導的騷擾電流,多以這種方式引入到敏感電路。
感應耦合:通過互感原理,將在一條回路里傳輸的電信號,感應到另一條回路對其造成干擾。分為電感應和磁感應兩種。
對這幾種途徑產生的干擾我們應采用的相應對策:傳導采取濾波(如我們設計中每個IC的片頭電容就是起濾波作用),輻射干擾采用減少天線效應(如信號貼近地線走)、屏蔽和接地等措施,就能夠大大提高產品的抵抗電磁干擾的能力,也可以有效的降低對外界的電磁干擾。
電磁兼容設計
對于一個新項目的研發設計過程,電磁兼容設計需要貫穿整個過程,在設計中考慮到電磁兼容方面的設計,才不致于返工,避免重復研發,可以縮短整個產品的上市時間,提高企業的效益。
一個項目從研發到投向市場需要經過需求分析、項目立項、項目概要設計、項目詳細設計、樣品試制、功能測試、電磁兼容測試、項目投產、投向市場等幾個階段。
在需求分析階段,要進行產品市場分析、現場調研,挖掘對項目有用信息,整合項目發展前景,詳細整理項目產品工作環境,實地考察安裝位置,是否對安裝有所限制空間,工作環境是否特殊,是否有腐蝕、潮濕、高溫等,周圍設備的工作情況,是否有惡劣的電磁環境,是否受限與其他設備,產品的研制成功能否大大提高生產效率,或者能否給人們的生活或工作環境帶來很大的方便,操作使用方式能否容易被人們所接受,這就要求項目產品要滿足現場功能需要、易于操作等,最后要整理詳細的需求分析報告,以供需求評審。
[page]
經過企業內部相關負責人的評審之后,完善需求分析報告,然后是項目立項,項目立項需要組建項目組,把軟件、硬件、結構、測試等人員安排到項目組中,分配各自的職責。項目開發的下一階段是項目概要設計,將項目分解成多個功能模塊,運用WBS分解結構對項目進行功能分解細化,根據工作量安排時間,安排具體人員。整理項目概要設計報告,總體對項目進行評估,確定使用電源類型,電源分布情況,電源隔離濾波方式,系統接地方式,產品屏蔽,產品結構采用屏蔽設計,采用屏蔽機箱機殼,分析信號類型,對雷電、靜電、群脈沖等干擾采取防護措施。
產品概要設計報告出來后要經過相關人員評審,分析實現方式是否合理,實施方案是否可行,由評審人員給出評審報告,項目組結合評審報告對概要設計進行修改后,進入產品詳細設計階段,這階段的內容包括原理圖設計、PCB設計、PCB采購及焊接、軟件編寫、功能調試等過程,原理圖設計應考慮到電磁兼容方面的影響,對板級電源增加濾波電容,對信號的接口部分增加濾波電路,根據信號類型,選擇合適的濾波電路,若信號為低頻型號,應選擇低通濾波電路,計算合適的截至頻率,選擇對應的電阻、電容等。另對接口部分設計大電流泄放回路,設置防雷器件,做到第三級的防雷。
一、元器件選型
我們常用的電子器件主要包括有源器件和無源器件兩種類型,有源器件主要指IC和模塊電路等器件,無源器件主要是指電阻、電容、電感等元件。下面分別對這兩種類型元件的選型、在電磁兼容方面要考慮的問題做一些介紹。
有源器件EMC選型
工作電壓寬的EMC特性好,工作電壓低的EMC特性好,在設計允許的范圍內延時大(通常所說的速度慢)特性好一些,靜態電流小、功耗小的比大的特性好,貼片封裝的器件的EMC性能好于插裝器件。
無源器件選型
無源器件在我們的應用中通常包括電阻、電容、電感等,對于無源器件的選型我們要注意這些元件的頻率特性和分布參數。
無源器件在某些頻率下,會表現出不同特性,一些電阻在高頻時擁有電感的特性,如線繞電阻,電解電容的低頻特性好,高頻特性差,而薄膜電容和瓷片電容高頻特性較好,但通常容量較小??紤]溫度對元器件的影響,根據設計原理,選用各種溫度特性的器件。
二、印制板設計
印制板設計時,要考慮到干擾對系統的影響,將電路的模擬部分和數字部分的電路嚴格分開,對核心電路重點防護,將系統地線環繞,并布線盡可能粗,電源增加濾波電路,采用DC-DC隔離,信號采用光電隔離,設計隔離電源,分析容易產生干擾的部分(如時鐘電路、通訊電路等)和容易被干擾的部分(如模擬采樣電路等),對這兩種類型的電路分別采取措施。對于干擾元件采取抑制措施,對敏感元件采取隔離和保護措施,并且將它們在空間和電氣上拉開距離。在板級設計時,還要注意元器件放置要遠離印制板邊沿,這對防護空氣放電是有利的。
[page]
采樣電路的原理圖設計參見圖1:

圖1:采樣電路設計
電路的合理布局可以降低干擾,提高電磁兼容性能。按照電路的功能劃分若干個功能模塊,分析每個模塊的干擾源與敏感信號,以便進行特殊處理。
印制板布線時,需要注意以下幾個方面:
1、保持環路面積最小,例如電源與地之間形成的環路,減小環路面積,將減小電磁干擾在此回路上的感應電流,電源線盡可能靠近地線,以減小差模輻射的環面積,降低干擾對系統的影響,提高系統的抗干擾性能。并聯的導線緊緊放在一起,使用一條粗導線進行連接,信號線緊挨地平面布線可以降低干擾。電源與地之間增加高頻濾波電容。
2、使導線長度盡可能的縮短,減小了印制板的面積,降低導線上的干擾。
3、采用完整的地平面設計,采用多層板設計,鋪設地層,便于干擾信號泄放。
4、使電子元件遠離可能會發生放電的平面如機箱面板、把手、螺釘等,保持機殼與地良好接觸,為干擾提供良好的泄放通道。對敏感信號包地處理,降低干擾。
5、盡量采用貼片元器件,貼片器件比直插器件的電磁兼容性能要好得多。
6、模擬地與數字地在PCB與外界連接處進行一點接地。
7、高速邏輯電路應靠近連接器邊緣,低速邏輯電路和存儲器則應布置在遠離連接器處,中速邏輯電路則布置在高速邏輯電路和低速邏輯電路之間。
8、電路板上的印制線寬度不要突變,拐角應采用圓弧形,不要直角或尖角。
9、時鐘線、信號線也盡可能靠近地線,并且走線不要過長,以減小回路的環面積。
三、系統布線設計
印制板設計出來后,進行試制,焊接調試,系統裝機,考慮電磁兼容設計因素,機柜結構、線纜設計需要注意以下幾個方面:
1、機柜選用電磁屏蔽柜,具有良好的屏蔽性能,很好地對系統進行屏蔽,降低外界電磁干擾對系統的影響。
2、總電源進線選用屏蔽電源線,并加磁環,屏蔽層在進入機柜處360度接地。
3、對系統外部信號線選用屏蔽線,屏蔽層機柜入口處良好接地。
4、設備外殼就近接機柜,避免交叉。
5、系統設置隔離變壓器和ups,保證系統供應純凈電源。
6、嚴格將電源線和信號線分開,設備外殼的各個面之間和各個板子面板之間要良好接觸,接觸電阻要小于0.4歐,越小越好,保證設備外殼良好接大地,這樣在有靜電釋放時,不會影響到系統的正常工作。
四、系統接地設計
接地是最有效的抑制騷擾源的方法,可解決50%的EMC問題。系統基準地與大地相連,可抑制電磁騷擾。外殼金屬件直接接大地,還可以提供靜電電荷的泄漏通路,防止靜電積累。
1、地線的概念
安全接地 包括保護接地和防雷接地。
保護接地 為產品的故障電流進入大地提供一個低阻抗通道;
防雷接地 提供泄放大電流的通路;
參考接地 為產品穩定可靠工作提供參考電平,為電源和信號提供基準電位。
安全接地是為了當出現一些電氣異常時,為大電流和高電壓提供一個泄放的回路,主要是對電路的一種保護措施。參考地主要是信號地和電源地,是保證電路實現功能的基礎。
[page]
2、接地方式
懸浮接地 對一個獨立的與外部沒有接口的系統來說一般也沒有什么問題,但是如果該系統與其他的系統之間存著接口如通訊口和采樣線,那么懸浮接地很容易受到靜電和雷擊的影響,所以一般電子產品大多不采用懸浮接地。
單點接地 當f<1MHz時可以選擇單點接地,可分為并聯單點接地和多級電路串聯單點接地兩種。
并聯單點接地:每個電路模塊都接到一個單點地上,每個單元在同一點與參考點相連。
多級電路的串聯單點接地:將具有類似特性的電路的地連接在一起,形成一個公共點,然后將每一個公共點連接到單點地。
多點接地 當f>10MHz時會采用多點接地。 設備中的電路都就近以接地母線為參考點。
單點接地各電路接在同一點,提供公共電位參考點,沒有共阻抗耦合和低頻地環路,但對高頻信號存在較大的地阻抗。多點接地為就近接地,每條地線可以很短,提供較低接地阻抗。1MHz~10MHz可根據實際需要選用哪種接地方法。
混合接地 是綜合單點接地與多點接地的優點,對系統中的低頻部分采用單點接地,對系統中高頻部分采用多點接地。
信號線屏蔽接地 有高頻和低頻之分,高頻采用多點接地,低頻電纜采用單點接地。低頻電場屏蔽要求在接收端單點接地,低頻磁場屏蔽要求在兩端接地。多點接地,除在兩端接地外,并以3/20或1/10工作波長的間隔接地。
系統做到良好接地,才能有效的抑制電磁干擾,一個大的系統機柜首先要保證每個面接觸良好,接觸緊湊,其次是機柜內部設備要就近接地,避免二次干擾,就近泄放電磁干擾。接口屏蔽線要進行環接,再就近接機架。機柜下方設置接地銅排,系統總地線選用銅帶比較好,對電磁干擾進行很好的泄放,保證了系統的正常運行。
電磁兼容測試
系統功能測試,滿足現場功能需要后,進行電磁兼容測試,電磁兼容測試容易出問題是靜電、群脈沖、浪涌、射頻場傳導等
1、靜電抗擾度檢測
參與了幾個項目的靜電抗擾度檢測,對靜電有一定認識。靜電分為接觸放電和空氣放電,靜電是積累的高壓,當接觸到設備的金屬外殼時會瞬間放電,會影響到電子設備的正常工作,可能引起設備故障或重啟,在安全性要求較好的場合這是不允許的。
靜電會影響顯示效果,可能出現顯示閃爍或黑屏,影響正常顯示和操作。靜電還可能引起CPU工作異常,程序死機或重啟。
如果在產品詳細設計階段采用電磁兼容的相關設計,做靜電試驗不必過分擔心,通過設計,對靜電積累的電荷進行良好的泄放,不會影響系統的正常工作。
2、電快速瞬變脈沖群抗擾度檢測
電快速瞬變脈沖群是一系列的高頻高壓瞬變脈沖施加在設備上,觀察設備是否受到其影響。防護群脈沖主要的方法是“疏導”“堵”,“疏導”就是提供泄放回路,是干擾在進入系統之前,泄放至大地,良好的屏蔽層接地,可以泄放大部分動干擾,“堵”是使群脈沖濾除在設備之外,增加磁環,效果明顯,封閉磁環的效果好于對扣磁環,也可以將磁環加入到板級中,固定在印制板中,這樣使設備更可靠。
對電源線、信號線、通訊線兩端增加磁環,可以對群脈沖干擾進行防護。
[page]
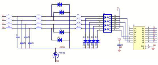
3、雷擊浪涌檢測
雷擊浪涌主要包含兩個方面,一個是電源防雷,一個是信號防雷。
電源防雷主要是針對系統級而言的,系統級設計要按照三級防雷設計,總電源進入端設置電源防雷(如OBO公司的V20-C/3-PH 385),可以對系統的電源進行一級防護,電源經過電源防雷后,進入隔離變壓器,隔離變壓器可以對電磁干擾信號進行較好的防護,抑制其對系統的影響。后進入UPS,UPS可以濾除一部分干擾信號,這樣電源再進入系統設備,電源是一種純凈的電源,可以使系統更好、更可靠的工作。

圖2:系統電源部分設計示例。
信號防雷是對系統的信號通路進行防護,主要涉及的是板級設計,在板級設計中增加防雷器件,如氣體放電管,增加TVS泄放回路,當有大電流時通過配套電阻和TVS、氣體放電管泄放,對后級電路起到保護作用。而后信號進行光電隔離,再進入系統,系統可以采集到一個穩定的信號,使系統正常分析判斷,正常發出指令,正常工作。另一方面就是設計較寬的信號范圍,信號正常波動時,系統正常工作。
4、射頻場感應傳導的抗擾度檢測
射感試驗可能會對顯示信號、采集驅動等造成影響,可能使顯示閃爍或黑屏,影響設備操作,可能使采集驅動工作異常,采集不到需要的信號,無法驅動現場設備。
射頻試驗是0.15k~80M頻率范圍內對信號線、電源進行干擾,3級強度是10V/m。
射感防護的原則是將電源、信號線的屏蔽做好,屏蔽層良好接地,選擇合適頻率進行濾波,將干擾濾除。
5、輻射發射檢測、射頻場輻射抗擾度檢測
該測試主要是測試系統的抗射頻信號及整體屏蔽性能,只要系統做好良好的屏蔽,系統地線接地良好,系統就可以通過檢測。
通過相關電磁兼容測試,產品就可以推向市場,進行試運行了,對試運行中出現的問題,進行匯總,以備產品的改進。
電子產品滿足相關的電磁兼容測試標準,通過測試,才可以推向市場,用戶才能放心使用,極大地減小因電磁干擾發生的事故,對企業的效益、產品的推廣起到積極的作用。
6、總結
本文是針對當前嚴峻的電磁環境,分析了電磁干擾的來源,通過產品開發流程的分解,融入電磁兼容設計,從原理圖設計、PCB設計、元器件選型、系統布線、系統接地等方面逐步分析,總結概括電磁兼容設計要點,最后,介紹了電磁兼容測試的相關內容。相信讀者能從中獲取有用的信息。



