【導讀】與分立半導體組件相比,使用運算放大器和儀表放大器能 給設計師帶來顯著優勢。雖然有關電路應用的著述頗豐, 但由于設計電路時往往匆忙行事,因而忽視了一些基本問題,結果使電路功能與預期不符。在此,咱們論述幾個最為常見的設計問題并提出實用的解決方案~
與分立半導體組件相比,使用運算放大器和儀表放大器能 給設計師帶來顯著優勢。雖然有關電路應用的著述頗豐, 但由于設計電路時往往匆忙行事,因而忽視了一些基本問題,結果使電路功能與預期不符。在此,咱們論述幾個最為常見的設計問題并提出實用的解決方案~
1. 缺少直流偏置電流回路
最常見的應用問題之一是在交流耦合運算放大器或儀表放 大器電路應用中,沒有為偏置電流提供直流回路。圖1 中,一個電容串接在一個運算放大器的同相(+)輸入端。這 種交流耦合是隔離輸入電壓(VIN)中的直流電壓的一種簡單 方法。這種方法在高增益應用中尤為有用,在增益較高 時,即使是放大器輸入端的一個較小直流電壓,也會影響 運放的動態范圍,甚至可能導致輸出飽和。然而,容性耦 合進高阻抗輸入端而不為正輸入端中的電流提供直流路徑 的做法會帶來一些問題。

錯誤的交流耦合運算放大器電路
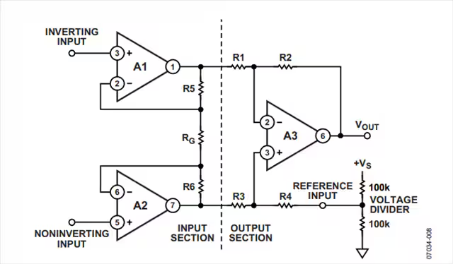
2. 為儀表放大器、運算放大器和ADC提供基準電壓
放大器基準電壓源提供零差 分輸入時的偏置電壓,而ADC基準電壓源則提供比例因 子。通常在儀表放大器輸出端與ADC輸入端之間使用一個 簡單的RC低通抗混疊濾波器來降低帶外噪聲。設計師一般 傾向于采取簡單的辦法,比如利用電阻分壓,來為儀表放 大器和ADC提供基準電壓。在某些儀表放大器應用中,這 種方法有可能導致誤差。

典型單電源電路中儀表放大器驅動ADC
3. 正確提供儀表放大器基準電壓
通常認為儀表放大器基準輸入端是高阻抗,因為它是一個 輸入端口。因此,設計師可能將高阻抗源,比如電阻分壓 器連接至儀表放大器的基準電壓引腳。對于某些類型的儀 表放大器,這可能導致嚴重錯誤。

不恰當的使用簡單分壓器來直接驅動三運放結構儀表放大器的基準引腳
4. 在利用電阻分壓供電電源給運放提供基準的情況 下保持PSR
一個經常被忽視的問題是,電源電壓VS的噪聲、跳變、或 漂移會反饋到基準輸入端進而直接疊加到輸出上,僅受分 壓比影響而衰減。實際的解決方案包括采用旁路和濾波 器,甚至用高精度的基準IC,比如ADR121,來產生基準 電壓,而不是對VS進行分壓。在設計同時采用儀表放大器和運算放大器的電路時,這種考慮非常重要。
5. 對單電源運算放大器電路進行去耦
單電源運算放大器電路要求對輸入共模電平進行偏置以處 理正負擺動的交流信號。當采用電阻分壓供電電源的方法 來提供偏置時,必須進行足夠的去耦處理,以維持PSR不 變。 一種常見的,但是錯誤的做法是通過一個帶有0.1 μF旁路電 容的100 kΩ/100 kΩ分壓電路來向運算放大器的同相端提供 VS/2偏置。如果使用這些值,電源去耦往往顯得不足,因 為其極點頻率僅為32 Hz。
文章來源:ADI
免責聲明:本文為轉載文章,轉載此文目的在于傳遞更多信息,版權歸原作者所有。本文所用視頻、圖片、文字如涉及作品版權問題,請聯系小編進行處理。



